触发器最全总结(适合复习数字逻辑使用)
一,触发器结构


二,简单地电位控制触发器
1,与非门构成的基本R-S触发器




2,或非门构成的基本R-S触发器





3,钟控R-S触发器
钟控R-S触发器的功能和或非门R-S触发器的基本功能一致,但是钟控R-S工作过程只有CP=1时才能正常工作
3,钟控D触发器


3,钟控J-k触发器




4,钟控T触发器


三,小结
电位控制触发器触发器的特点

四,主从触发器
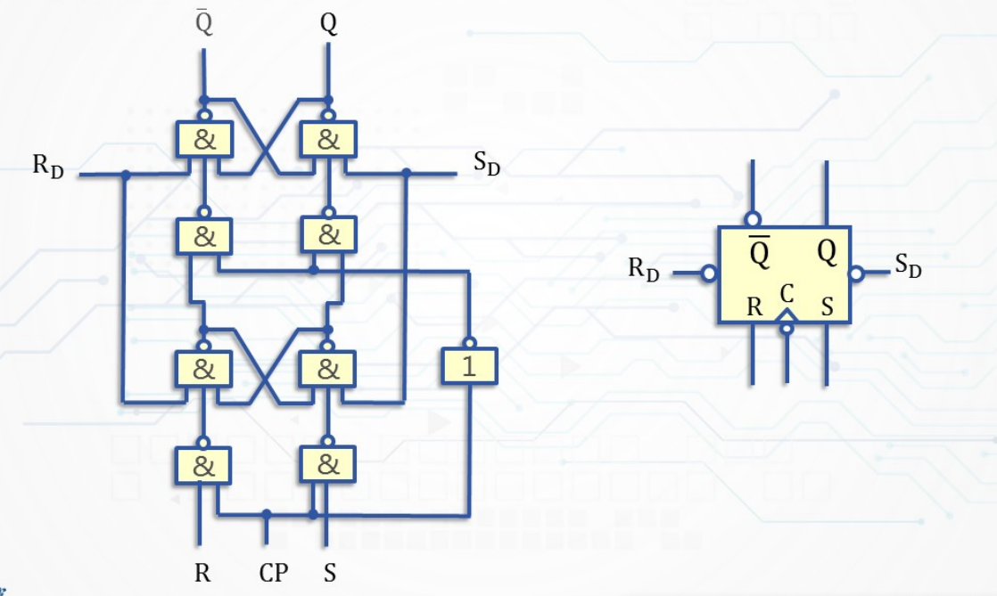
1,主从R-S触发器



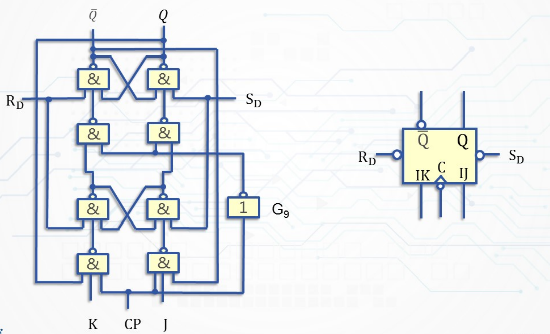
2,主从J-k触发器



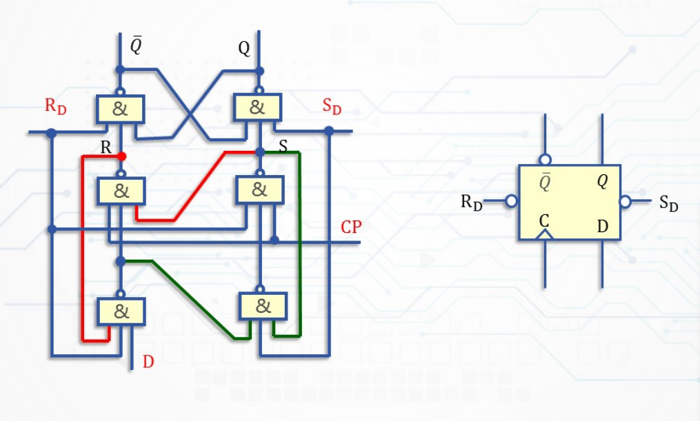
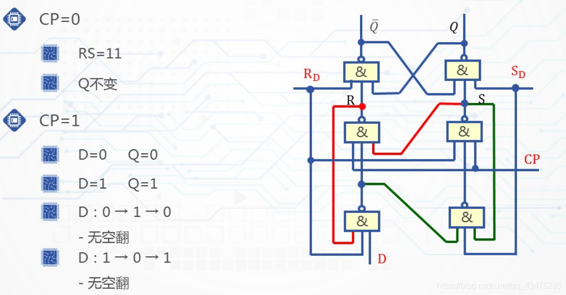
3.典型维持阻塞D触发器


四,边沿触发器和电位控制触发器对比



五,集成触发器
1,74LS76触发器


这些内容相当于对老师上课内容的总结,并非真正意义上的“原创”,希望对大家复习触发器内容有一定帮助,see you!





浙公网安备 33010602011771号