Redis-数据结构与对象-跳表
跳表
Redis使用跳跃表作为有序集合键的底层实现之一,如果一个有序集合包含的元素数量比较多,又或者有序集合中元素的成员 ( member ) 是比较长的字符串时,Redis 就会使用跳跃表来作为有序集合键的底层实现。

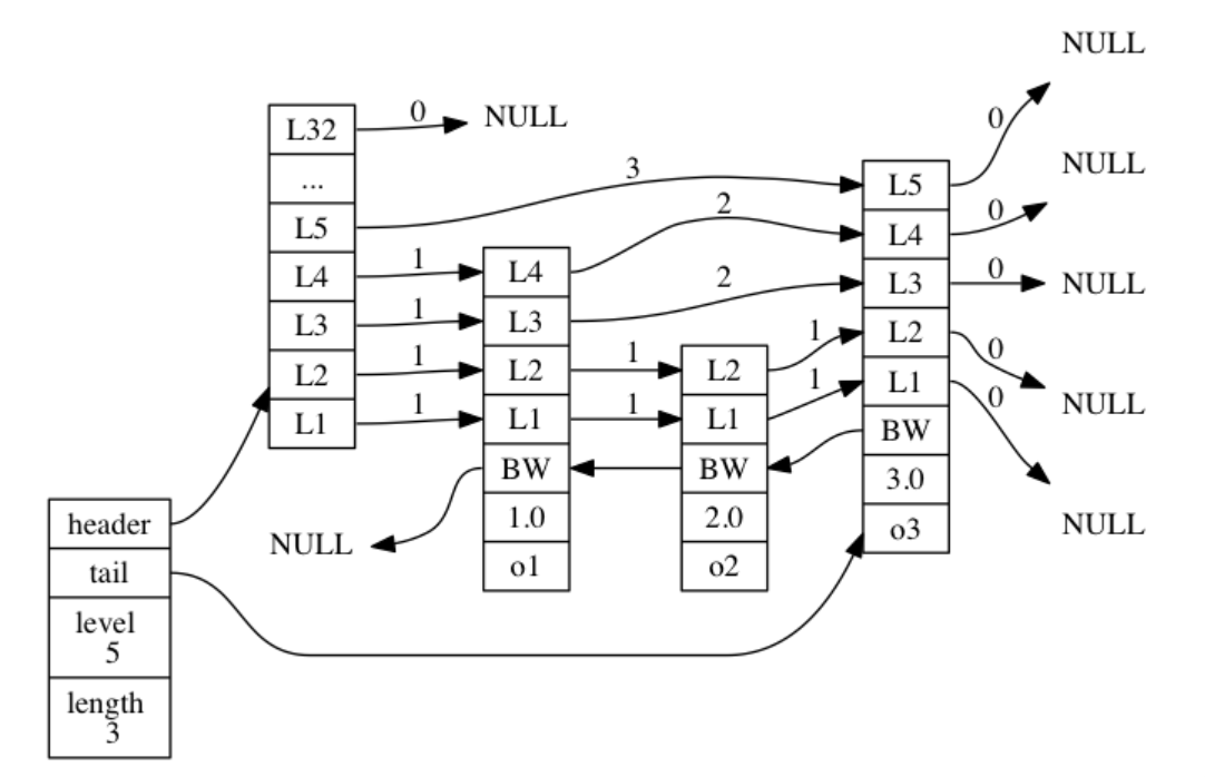
位于图片最左边的是 zskiplist 结构, 该结构包含以下属性:
header:指向跳跃表的表头节点。tail:指向跳跃表的表尾节点。level:记录目前跳跃表内,层数最大的那个节点的层数(表头节点的层数不计算在内)。length:记录跳跃表的长度,也即是,跳跃表目前包含节点的数量(表头节点不计算在内)。
位于 zskiplist 结构右方的是四个 zskiplistNode 结构, 该结构包含以下属性:
- 层(level):节点中用
L1、L2、L3等字样标记节点的各个层,L1代表第一层,L2代表第二层,以此类推。每个层都带有两个属性:前进指针和跨度。前进指针用于访问位于表尾方向的其他节点,而跨度则记录了前进指针所指向节点和当前节点的距离。在上面的图片中,连线上带有数字的箭头就代表前进指针,而那个数字就是跨度。当程序从表头向表尾进行遍历时,访问会沿着层的前进指针进行。 - 后退(backward)指针:节点中用
BW字样标记节点的后退指针,它指向位于当前节点的前一个节点。后退指针在程序从表尾向表头遍历时使用。 - 分值(score):各个节点中的
1.0、2.0和3.0是节点所保存的分值。在跳跃表中,节点按各自所保存的分值从小到大排列。 - 成员对象(obj):各个节点中的
o1、o2和o3是节点所保存的成员对象。
注意表头节点和其他节点的构造是一样的: 表头节点也有后退指针、分值和成员对象, 不过表头节点的这些属性都不会被用到, 所以图中省略了这些部分, 只显示了表头节点的各个层。
对一个节点的查找经过的跨度之和即为该节点的排位(rank)

浙公网安备 33010602011771号