GPIO

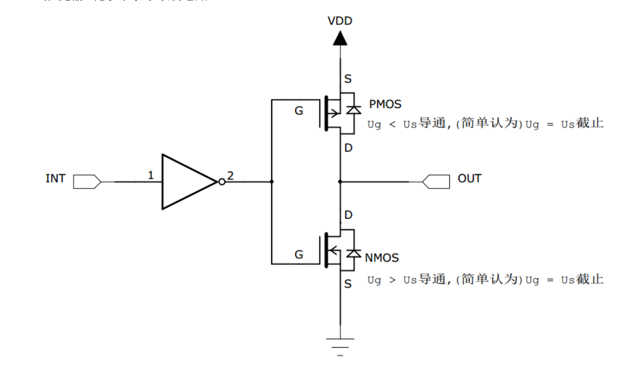
MOS管的管脚:G栅极、S源极、D漏极

MOS管的种类:N-MOS管、P-MOS管

N-MOS管高电压导通,低电压断开,用来控制与地之间的导通

P-MOS管低电压导通,高电压断开。用来控制与电源之间的导通

位操作符操作寄存器

 

 

GPIO的推挽模式:
输出的低电平为 0 伏,高电平为 3.3 伏,一般应用子啊需要高速切换开关状态的场合。
在 STM32应用中,除了必须用开漏模式的场合,我们都习惯使用推挽输出模式。

基极,集电极,发射极

三种状态:截至状态、放大状态、饱和状态

posted @ 2023-11-02 20:47  该说不唠  阅读(69)  评论(0)    收藏  举报