单相PWM整流反馈电压陷波滤波的好处
单相PWM整流中,母线电压含有100hz的交流分量,其反馈进入电压环,导致指令电流中含有100hz的指令,与电流环指令相位相乘,造成一个150HZ的指令电流,这个指令电流会通过电流环控制输出实际上的150hz的电流叠加在50hz的电流上,导致电流发生一定的畸变。
这个问题可以通过陷波滤波器将母线电压中的100hz交流分量滤除掉,再引入到电压环的反馈。通过参数调整,可以避免实际网测电流中的150hz分量。
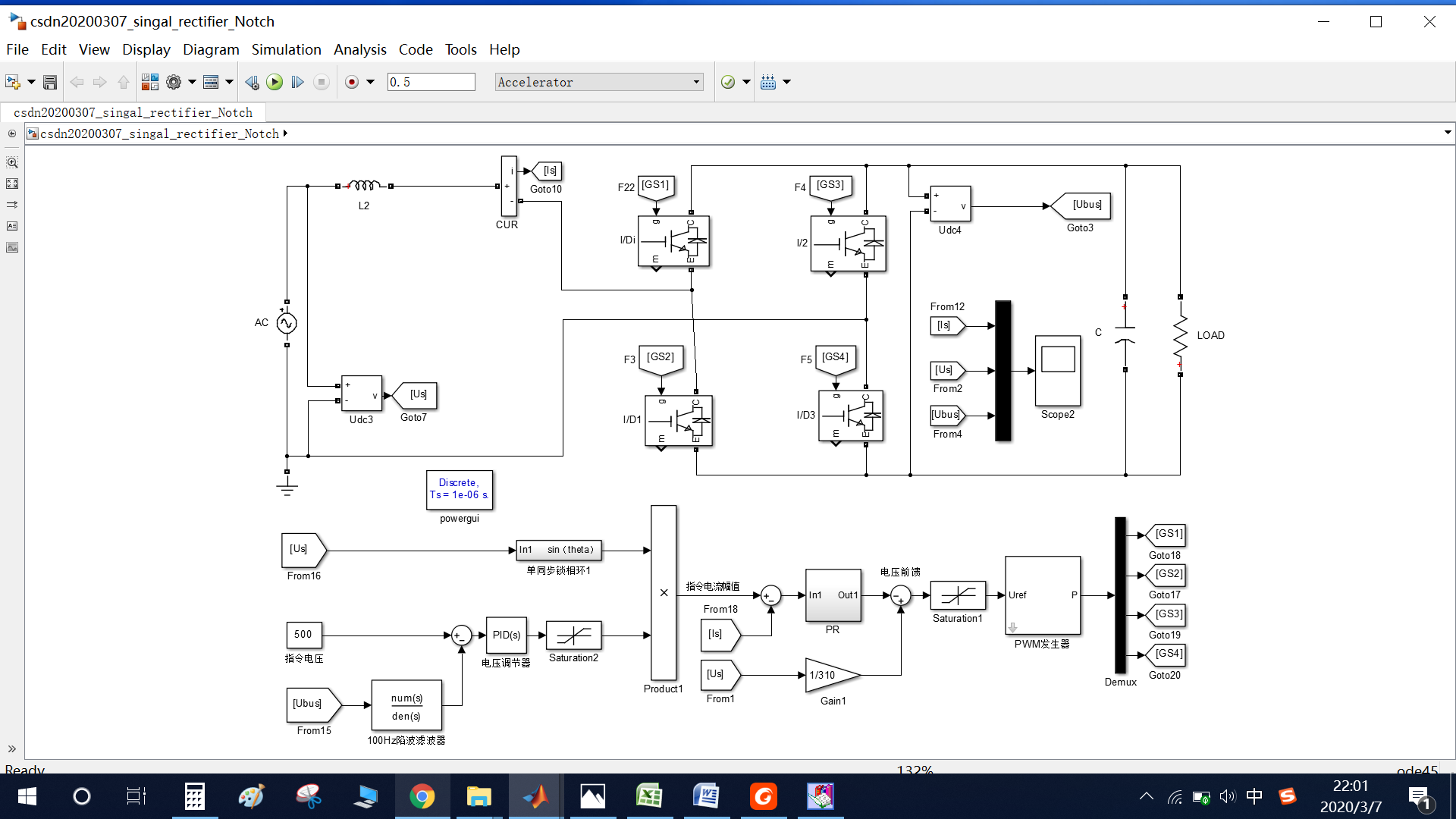
仿真如图1所示:

图1 单相整流PWM陷波滤波作用仿真
如下图2,红色为电网电压,黄色为为网测电流,肉眼可见,电流正弦度不好,有偏头。这是一定的三次电流谐波导致的。

图2 三次电流谐波导致的网测电流畸变
下图3是加入纤薄滤波器滞后,电网电压和网测整流电流。
可见明显效果,电流稳定后,肉眼可见,正弦度很好。

图3 陷波滤波器加入后的电流波形
浙公网安备 33010602011771号