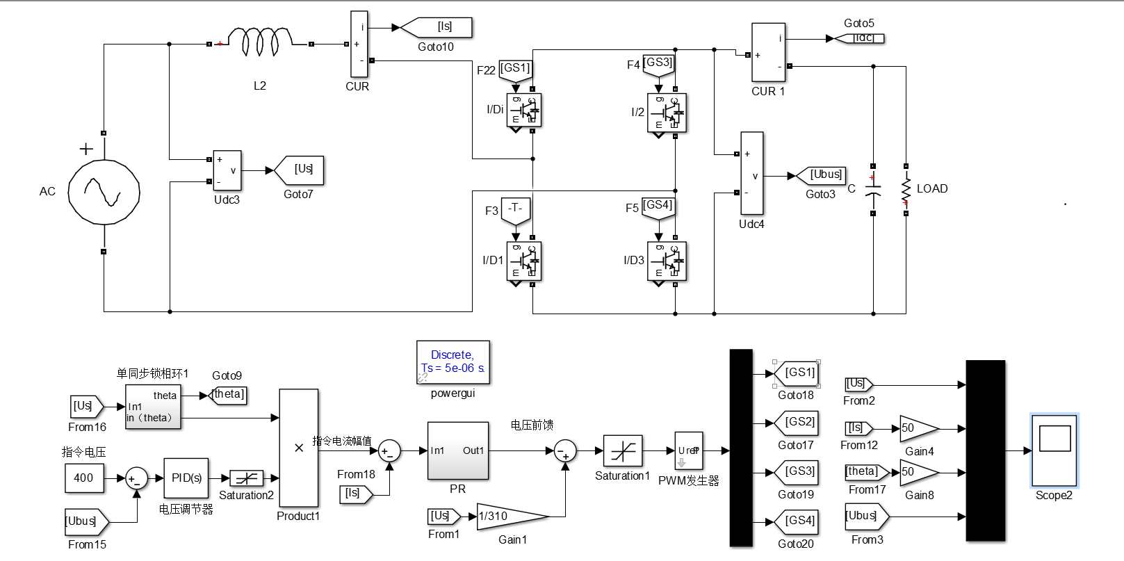
单相单位功率因数整流simulnk仿真
将220市电通过单相全桥进行全控升压整流,直流侧电压稳定在400V。
网测电流和电压同相位。
采用基于二阶广义积分器虚拟两相的单相软件锁相环。
结果是电压可以稳住,含有100hz的波动。电流有偏头,含有三次谐波,这是反馈电压里面的二次谐波与相位正弦信号相乘导致的指令电流里面包含150HZ的指令导致的。后面会改进。

图1 单相单位功率因数仿真图

图2 仿真波形
黄色为电网电压,桃红色为电网电流,红色为母线电压,蓝色为电网相位。
后续会更新消除电网电流三次谐波的方法。
需讨论或者仿真原图的可留言相互学习。
浙公网安备 33010602011771号