并网回馈交流侧线电压傅里叶分析
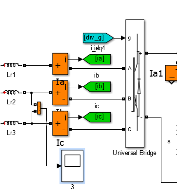
变流器的交流侧如下图1示波器3所测得的波形,其实在母线电压正负变化的方波。波形如图2中的上图所示。
通过福利也分析,可以发现,除了基波频率占比最大外,就是载波频率处的占比最大。所以电压谐波主要集中在载波评率处。
本仿真载波频率为8000.


图2
变流器的交流侧如下图1示波器3所测得的波形,其实在母线电压正负变化的方波。波形如图2中的上图所示。
通过福利也分析,可以发现,除了基波频率占比最大外,就是载波频率处的占比最大。所以电压谐波主要集中在载波评率处。
本仿真载波频率为8000.


图2