LCL并网逆变器电容并联电阻阻尼控制
首先看LCL并联R的S域模型,及频率响应情况
%LCL及并联电阻R的值
L1=600*10^-6;L2 = 100*10^-6; C= 60*10^-6; R =1;
%PR控制器的值
Kp = 1;Kr = 100;Kc = 1;
Wc=0.01*pi; Wo=100*pi;
PR = Kp + (2*Kr*Wc*s)/(s^2 + 2*Wc*s + Wo^2);
%网测电流比上交流侧电压的传递函数
G = 1/(L1*L2*C*s^3 +((L1*L2)/R)*s^2 + (L1+L2)*s);
%绘制控制对象的bode图
bode(G);
margin(G);%相位裕度幅值裕度

图1 并联阻尼电阻,控制对象的伯德图
图1可发现并联合适的阻尼电阻,谐振点没有了。
然后看单位负反馈带PR调节器的开环传递函数伯德图
bode(G*PR);
margin(G*PR);%相位裕度幅值裕度

图 2 PR控制器下开环伯德图
图2可知,系统稳定。
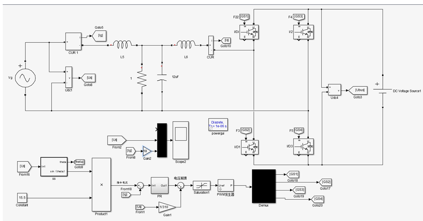
为了验证上述过程的正确性,搭建仿真如如图3所示

图3 单相逆变并网LCL并联电阻R阻尼仿真

图4 图3的仿真波形,蓝色是相电流,红色是电网电压,可见确实没有谐振
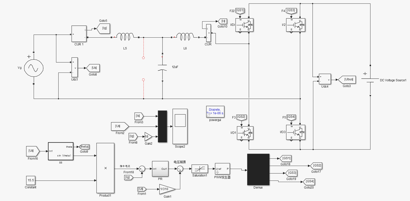
如果去掉并联电阻:


去掉并联的电阻后,电流波形蓝色,是震荡的,发散的,不稳定。
上述仿真说明,并联电阻确实能消除谐振,但是不适用,因为功耗受不了,这么仿真为了后面的有源阻尼研究做准备。
仿真文件随后上传,可下载。
浙公网安备 33010602011771号