基于双二阶广义积分器(DSOGI)的软件锁相环需求的根源及s域仿真
在单同步软件锁相环中,输入信号是通过模数转换采集回来的三相电网电压,经过滤波处理后,已经是比较干净的信号电压。由于电网多数时候比较健壮,但有时候也会电压不可避免的存在一些负序或者零序,并且是无法用传统的低通滤波器滤除掉的。因为负序也是50hz的,要是滤除它了,那么正序的也被滤除了。
为了把经过低通滤波器后的三相电压中的负序、零序也滤除,获得真正的正序电压,让正序电压参与锁相环算法,基于双二阶广义积分器(DSOGI)应运而生。
DSOGI是用来将某个频率的信号相移90度,并且不产生相位滞后。
而提取正序电压的运算过程中,有一个环节是将输入信号相移90度,并且不产生相位滞后。
在alpha-belta坐标系中,提取正序的电网电压Valpha_p,Vbelta_n的公式是:(张兴,第九章去查)

其中q就是将信号相移九十度。
所以基于双二阶广义积分器(DSOGI)的软件锁相过程是这样的
1、获得电网电压滤波后的信号,Vabc
2、将Vabc进行三二变换得到Valpha-belta
3、通过式9-51计算得到Valpha_p,Vbelta_n,组成的相量
4、将正序的Valpha_p,Vbelta_n进行2s-2r变换,变换所需要的电角度用后面锁相角度的输出。
5、利用单同步软件锁相环进行锁相即可。
仿真如下:

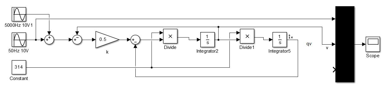
图1 为了观察输入信号和输出v之间的关系;输入是50hz 10伏 需要相移90度的信号和5000hz 10伏干扰信号;预计后者会被衰减完,前者会在v中复现。

图2 是图1对应的仿真波形,黄色是输入信号,红色是输出信号v,可以看出,最后经过响应时间后,重合了。

图3是图2开始阶段的局部放大,大约两个板周期完成相移响应。

图4 观察两个输出信号,看是否相差90度

图5 可以发现,红色qv比黄色v确实相移了90度。
最近想把这个积分器的程序及注解写好,发布出来,时间不是很充足,争取早点发布
到了无耻的要钱阶段了,贴上要钱码,您的一个小小的红包是对我莫大的鼓励

浙公网安备 33010602011771号