高分分辨率AD转换芯片差分输入前端处理电路方案
例如AD转换芯片:
输入要求全差分,且单独按原供电。
对于一个单端信号,如下图的情形所示:
这个信号送入AD芯片输入端之前需要处理一下,首先的需求是单端转差分,因为这个信号是单端信号
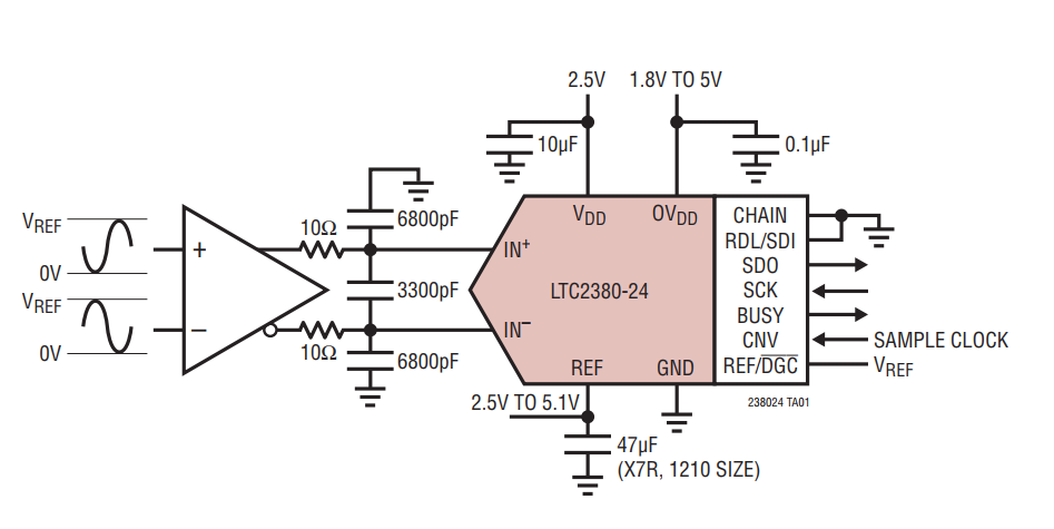
可选则一款差分运放,解决这个问题
例如AD转换芯片:
输入要求全差分,且单独按原供电。
对于一个单端信号,如下图的情形所示:
这个信号送入AD芯片输入端之前需要处理一下,首先的需求是单端转差分,因为这个信号是单端信号
可选则一款差分运放,解决这个问题