四个单相全桥级联调试过程中的母线电压规律毛刺原因分析
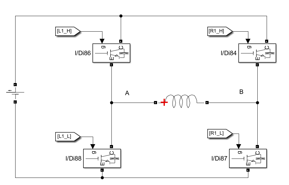
简化描述,以单相全桥逆变为例。

前提:所有桥臂上下管互补带死区。
桥臂开通至上管开,下管关用1表示
桥臂关断至上管关,下管开用0表示
下图黄色是左桥臂上管的驱动波形,高电平打开IGBT
绿色是右桥臂上管的驱动波形,高电平打开IGBT
蓝色U_AB,是AB两点的电压。
从驱动波形可知,左右桥臂同时开通和同时关断,即A、B两点原理上要么接在母线电压正极要么接在母线电压负极,U_AB应该始终是0。但实际波形,有正向毛刺震荡和负向毛刺震荡。
原因是:左右桥臂的IGBT上管和下管是同步动作的,即同时间开通和同时关断,AB两端的阻抗变化是一样的,电压变化也是一样的,所以U_AB是0
实际上IGBT的开关特性不是理想一致的,驱动电路的特性也不是理想一致的,加上驱动波形的各种延时,导致最终本应该同开同关的IGBT开关有先有后,
例如,左右桥臂从同步从0到1,左桥臂转换慢,那么右桥臂已经是1了,左桥臂还是0,此时就相当于AB两点加负母线电压,又由于他们的的前后差异不是很大,所以此时出现的就是负母线电压毛刺。
下图蓝色也可以看出正负毛刺都发生在同开通关状态转变的边沿过程中。

浙公网安备 33010602011771号