SiC MOSFET 高频开关下的损耗抑制
实验环境如下:
| 图-1 | 图-2 |
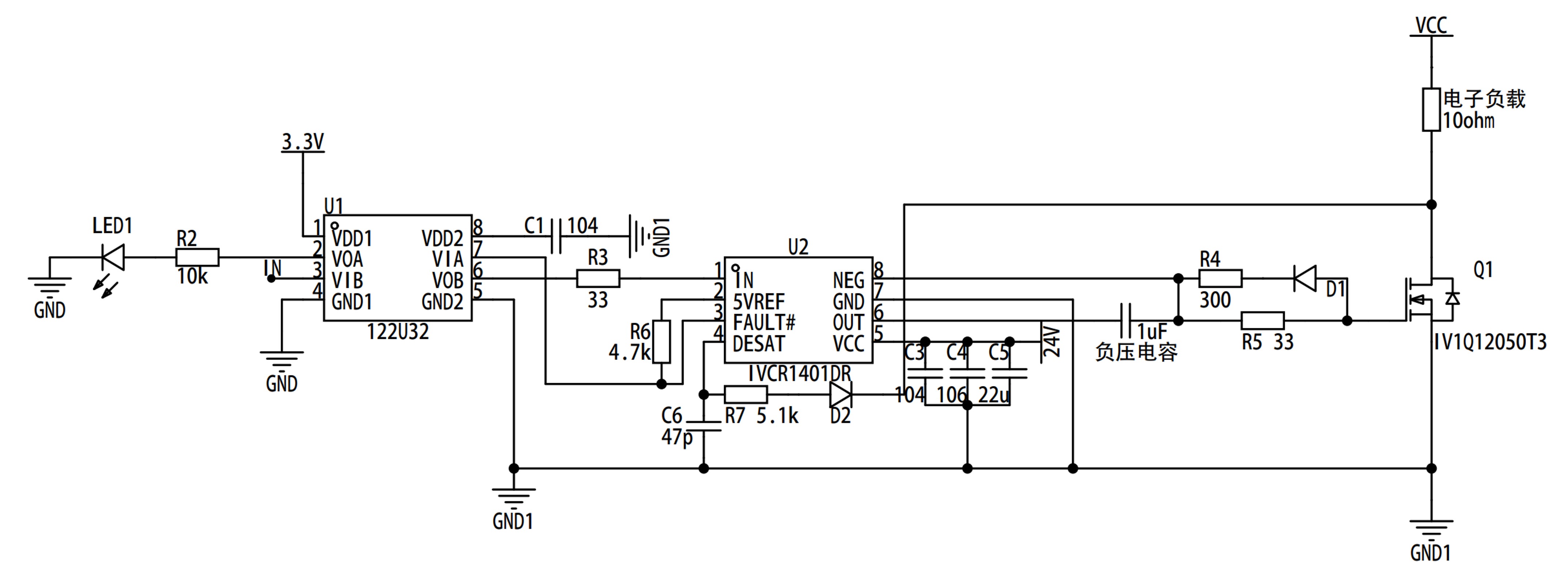
使用 IVCR1401 芯片驱动 SiC MOSFET,使用 n122U31 做电气隔离。VCC 经过调压器整流过后为 100V 直流电压。在 100kHZ 的频率下对驱动电路进行测试。
图-3~4 是在工作频率 100kHZ 下的 Ugs 波形图片,由千最初驱动电路参数设计问题,导致了严重的关断振荡。在 1khz 的工作频率下,如 图-4 所示,关断振荡存在,但不明显。
关断振荡第一会给 MOS 带来较多的关断损耗,其次,在设计桥臂电路上时,会误导通,所以必须进行抑制。经过好多次分析与实验,得到了相应的优化方案。
第一:第一次设计该电路时,SiC MOS 封装错了,D 与 S 的管脚顺序错了,是强行换脚进行测试(别骂),这样给电路带来了更多的寄生电感。使得振荡及其严重。其次我在原先的电路中,还留了许多位置用千添加米勒电容平台的抑制方案如图 e 所示(但是在波形中,米勒平台不显著),导致驱动芯片与栅极之间存在一定的距离,增大了电路中的寄生电感。所以,需要对电路设计进行优化减小寄生电感。
第二:栅极电阻的取值,以及关断时决恢复部分的电阻取值(反并二极管的地方)需要严格设计。参考范围:R4 200-500ohm,R5 10-33ohm(实验得到的大致范围,新板子到了需要重新取值)
R5 为栅极电阻,取值过大,会导致上升变慢,开态损耗加剧,波形如图 f 所示。
图-8~9,通过增大 R5,可以使得关断振荡减小,如下图所示,为 R5 22ohm,R4 220ohm 时候的振荡波形。可以看出 R4 的阻值调节可以对振荡有较好的抑制。改进效果:50 占空比,1100W 功率,在以下 Ugs 波形下,MOS 恒定工作温度为 56-59 摄氏度,有较好的振荡抑制效果。
原理,基千 RLC 谐振原理,由千 L 的值较大,所以,通过增大 R,可以使得关断损耗进行抑制。但是过大的阻止会对关断时间进行拉长,增加关断损耗。所以取值需要权衡。
所以在新的板子中,减小驱动芯片与 MOS 之间的距离。其次购买电阻贴片,合理取值抑制振荡。

浙公网安备 33010602011771号