GD32学习2——流水灯
开发环境
MDK:keil 5.37
MCU: GD32F450IK
2.1GPIO工作原理
要想实现流水灯,首先必须了解GPIO的工作原理。
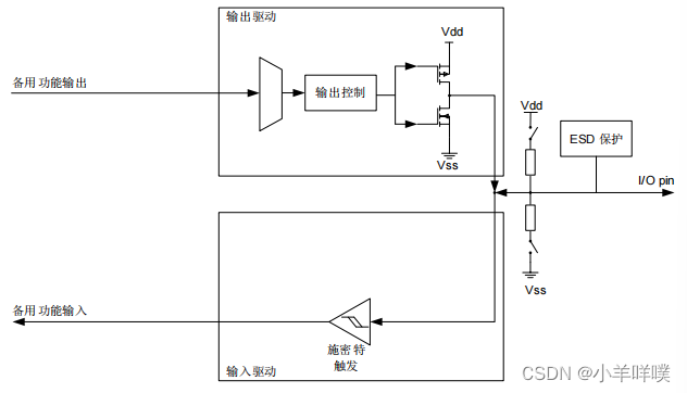
2.1.1 GPIO的基本结构如下图所示。

2.1.2 GD32 的 I/O 口可以由32位控制寄存器(GPIOx_CTL)配置为GPIO输入,GPIO输出,AF功能,模拟模式
| 分类 | CTLy | OMy | PUDy | ||
| GPIO输入 | X | 浮空 | 00 | X | 00 |
| 上拉 | 01 | ||||
| 下拉 | 10 | ||||
| GPIO输出 | 推挽 | 浮空 | 01 | 0 | 00 |
| 上拉 | 01 | ||||
| 下拉 | 10 | ||||
| 开漏 | 浮空 | 1 | 00 | ||
| 上拉 | 01 | ||||
| 下拉 | 10 | ||||
| AFIO输入 | X | 浮空 | 10 | X | 00 |
| 上拉 | 01 | ||||
| 下拉 | 10 | ||||
| AFIO输出 | 推挽 | 浮空 | 0 | 00 | |
| 上拉 | 01 | ||||
| 下拉 | 10 | ||||
| 开漏 | 浮空 | 1 | 00 | ||
| 上拉 | 01 | ||||
| 下拉 | 10 | ||||
| 模拟 | X | X | 11 | X | XX |
输入模式
浮空输入:浮空(floating)就是逻辑器件的输入引脚即不接高电平,也不接低电平。由于逻辑器件的内部结构,当它输入引脚悬空时,相当于该引脚接了高电平。一般实际运用时,引脚不建议悬空,易受干扰。 通俗讲就是让管脚什么都不接,浮空着。信号进入芯片内部后,既没有接上拉电阻也没有接下拉电阻,经由触发器输入。配置成这个模式后,用电压变量引脚电压为1点几伏,这是个不确定值。由于其输入阻抗比较大,一般把这种模式用于标准的通讯协议,比如IIC、USART的等。该模式是GD32复位之后的默认模式。
上拉输入:上拉就是把电位拉高,比如拉到Vcc。上拉就是将不确定的信号通过一个电阻嵌位在高电平,电阻同时起限流作用,弱强只是上拉电阻的阻值不同,没有什么严格区分。上拉输入就是信号进入芯片后加了一个上拉电阻,再经过施密特触发器转换成0、1信号,读取此时的引脚电平为高电平;
下拉输入:就是把电压拉低,拉到GND。与上拉原理相似。下拉输入就是信号进入芯片后加了一个下拉电阻,再经过施密特触发器转换成0、1信号,读取此时的引脚电平为低电平;
模拟输入:信号进入后不经过上拉电阻或者下拉电阻,关闭施密特触发器,经由另一线路把电压信号传送到片上外设模块。模拟输入是指传统方式的输入,数字输入是输入PCM数字信号,即0、1的二进制数字信号,通过数模转换,转换成模拟信号,经前级放大进入功率放大器,功率放大器还是模拟的。比如传送给ADC模块,由ADC采集电压信号。所以可以理解为模拟输入的信号是未经处理的信号,是原汁原味的信号。
即
输出模式
开漏输出:一般用在电平不匹配的场合,如需要输出5V的高电平。输出端相当于三极管的集电极,要得到高电平状态需要上拉电阻才行。适合于做电流型的驱动,其吸收电流的能力相对强(一般20mA以内)。
复用开漏输出:可以理解为GPIO口被用作第二功能时的配置情况(即并非作为通用IO口使用)。端口必须配置成复用开漏功能输出模式。
推挽式输出:可以输出高、低电平,连接数字器件;推挽结构一般是指两个三极管分别受两个互补信号的控制,总是在一个三极管导通的时候另一个截止。高低电平由IC的电源决定。推挽电路是两个参数相同的三极管或MOSFET,以推挽方式存在于电路中,各负责正负半周的波形放大任务,电路工作时,两只对称的功率开关管每次只有一个导通,所以导通损耗小、效率高。输出既可以向负载灌电流,也可以从负载抽取电流。推拉式输出级既提高电路的负载能力,又提高开关速度。
推挽式复用输出
备用功能(AF)——为了适应不同的器件封装,GPIO 端口支持软件配置将一些备用功能应用到其他引脚上。
2.2 I/O复用和重映射
2.2.1 I/O复用
GD32 有很多的内置外设,这些外设的外部引脚都是与 GPIO 复用的。也就是说,一个 GPIO如果可以复用为内置外设的功能引脚,那么当这个 GPIO 作为内置外设使用的时候,就叫做复用。当I/O端口被配置为复用功能时:
2.3 GPIO流水灯硬件电路分析
发光二极管是属于二极管的一种,具有二级管单向导电特性,即只有在正向电压(二极管的正极接正,负极接负)下才能导通发光。PF6引脚接发光二极管(LED1)的正极,所以PF6引脚输出高电平LED1亮,PF6引脚输出低电平LED1熄灭,其他LED同理。

2.4 GPIO流水灯寄存器分析
要想真正掌握一款单片机,分析寄存器是必不可少,但是对于GD32来再说,GD已经将寄存器操作封装成库函数,开发者只需要调用库函数即可.
每个GPIO端口都有两个32位配置寄存器(GPIO_CTL0 ,GPIO_CTL1) ,两个16位数据寄存器 (GPIO_ISTAT和GPIO_OCTL),一个32位置位寄存器(GPIO_BOP),一个16位复位寄存器(GPIO_BC),一个16位锁定寄存器(GPIO_LOCK)。每个I/O端口位可以自由编程。
点亮LED,基本步骤是:配置寄存器;控制寄存器。库开发只是将传统的配置方式编程函数,使单片机开发变得简单方便快捷。
2.5 GPIO 流水灯实现流程
在上文已经分析了GPIO的原理及操作步骤,现在我们就来写代码吧。
GPIO是开发GD32最基本的配置,所以掌握GPIO的配置显得尤为重要。要实现流水灯,一般步骤可以总结为如下:
1)GPIO 时钟使能;
2)GPIO 端口模式设置;
3)初始化IO口;
4)编写处理函数;
2.6 GPIO 流水灯实现
2.6.1 GPIO库函数
GPIO库函数相关的库函数如下:
gpio_deinit 复位外设GPIO
gpio_afio_deinit 复位AFIO
gpio_init GPIO参数初始化
gpio_bit_set 置位引脚值
gpio_bit_reset 复位引脚值
gpio_bit_write 将特定的值写入引脚
gpio_port_write 将特定的值写入一组端口
gpio_input_bit_get 获取引脚的输入值
gpio_input_port_get 获取一组端口的输入值
gpio_output_bit_get 获取引脚的输出值
gpio_output_port_get 获取一组端口的输出值
gpio_pin_remap_config 配置GPIO引脚重映射
gpio_pin_remap1_config 配置GPIO引脚重映射1
gpio_exti_source_select 选择哪个引脚作为EXTI源
gpio_ethernet_phy_select 以太网MII或RMII PHY选择
gpio_event_output_config 配置事件输出
gpio_event_output_enable 事件输出使能
gpio_event_output_disable 事件输出禁能
gpio_pin_lock 相应的引脚配置被锁定
2.6.2流水灯代码实现
核心代码如下:
#include "gd32f4xx.h"
/*!
\brief configure led GPIO
\param[in] lednum: specify the Led to be configured
\arg LED1
\arg LED2
\arg LED3
\param[out] none
\retval none
*/
void gd_eval_led_init (led_typedef_enum lednum)
{
/* enable the led clock */
rcu_periph_clock_enable(GPIO_CLK[lednum]);
/* configure led GPIO port */
gpio_mode_set(GPIO_PORT[lednum], GPIO_MODE_OUTPUT, GPIO_PUPD_NONE,GPIO_PIN[lednum]);
gpio_output_options_set(GPIO_PORT[lednum], GPIO_OTYPE_PP, GPIO_OSPEED_50MHZ,GPIO_PIN[lednum]);
GPIO_BC(GPIO_PORT[lednum]) = GPIO_PIN[lednum];
}
/*!
\brief configure systick
\param[in] none
\param[out] none
\retval none
*/
void systick_config(void)
{
/* setup systick timer for 1000Hz interrupts */
if (SysTick_Config(SystemCoreClock / 1000U)){
/* capture error */
while (1){
}
}
/* configure the systick handler priority */
NVIC_SetPriority(SysTick_IRQn, 0x00U);
}
/*!
\brief turn on selected led
\param[in] lednum: specify the Led to be turned on
\arg LED1
\arg LED2
\arg LED3
\param[out] none
\retval none
*/
void gd_eval_led_on(led_typedef_enum lednum)
{
GPIO_BOP(GPIO_PORT[lednum]) = GPIO_PIN[lednum];
}
/*!
\brief turn off selected led
\param[in] lednum: specify the Led to be turned off
\arg LED1
\arg LED2
\arg LED3
\param[out] none
\retval none
*/
void gd_eval_led_off(led_typedef_enum lednum)
{
GPIO_BC(GPIO_PORT[lednum]) = GPIO_PIN[lednum];
}
/*!
\brief delay a time in milliseconds
\param[in] count: count in milliseconds
\param[out] none
\retval none
*/
void delay_1ms(uint32_t count)
{
delay = count;
while(0U != delay){
}
}
int main(void)
{
gd_eval_led_init(LED1);
gd_eval_led_init(LED2);
gd_eval_led_init(LED3);
systick_config();
while(1){
/* turn on LED1 */
gd_eval_led_on(LED1);
/* insert 200 ms delay */
delay_1ms(200);
/* turn on LED2 */
gd_eval_led_on(LED2);
/* insert 200 ms delay */
delay_1ms(200);
/* turn on LED3 */
gd_eval_led_on(LED3);
/* insert 200 ms delay */
delay_1ms(200);
/* turn off LEDs */
gd_eval_led_off(LED1);
gd_eval_led_off(LED2);
gd_eval_led_off(LED3);
/* insert 200 ms delay */
delay_1ms(200);
}
}










浙公网安备 33010602011771号