触发器简要特点
1.基本RS触发器
由两个与非门交叉连接:
| R | S | Q(N+1) | 注 |
| 0 | 0 | Q(N) | 保持 |
| 0 | 1 | 1(Q为1) | 置1 |
| 1 | 0 | 0(Q为0) | 置0 |
| 1 | 1 | 不用(最后Q和Q反均为1) | 不允许 |
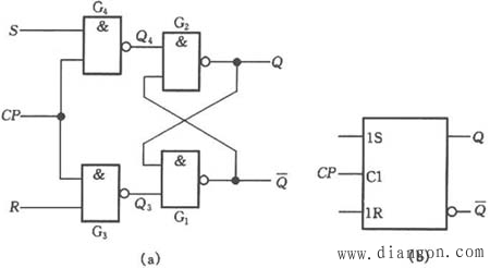
2.同步RS触发器

| CP | R | S | Qn | Qn+1 | 注 |
| 0 | x | x | x | Qn | 保持 |
| 1 | 0 | 0 | Qn | Qn | 保持 |
| 1 | 0 | 1 | x | 1 | 置1 |
| 1 | 1 | 0 | x | 0 | 置0 |
| 1 | 1 | 1 | 1 | 不用(都为1) | 不允许 |
3.同步D触发器
为了解决RS之间的约束问题

在时钟为0时,情况和同步RS的时钟为0时一样。输出保持不变。在时钟为1时,G4输出一定与G3输出反相。
| CP | D | Qn | Qn+1 | 注 |
| 0 | x | Qn | Qn | 保持 |
| 1 | 0 | x | 1 | 置1 |
| 1 | 1 | x | 0 | 置0 |
4.边沿D触发器

CP=0时,主触发器输出不变,为“保持”状态。从触发器最终输出(Q)端与Qm的状态一致。此时D输入端无用。
CP=1时,主触发器打开。主触发器的输出Qm的值与D输入一致。此时从触发器关闭。任然为保持状态。
CP下降沿到来时,即CP的值由1—>0时。由于在CP=1时,主触发器的输出Qm为D,然后当CP下降沿过去。CP变为1,此时主触发器关闭,从触发器打开,最后的输出Q又根据Qm变化。也就是与D端一致。完成从D端到输出Q端的信号传输。
CP上升沿到来时,即CP的值由0—>1时,由于先为0值,主触发器关闭,主触发器输出Qm不变。从触发器打开,最终输出Q与Qm一致,然后CP变为1时,主开从闭,D端信号传递到Qm但没法传递到Q,此时Q的信号认为上一信号值。
所以只有当CP下降沿到来时,该触发器才能完成从D端到输出端Q端的完整信号传递。
边沿JK触发器
边沿JK触发器的电路结构形式很多,下面是以边沿D触发器构成的边沿JK触发器。

浙公网安备 33010602011771号