逻辑运算(二)
上次我们分别介绍了加法的实现逻辑,这里我们要实现一个减法:
减法的实现:我们知道减去一个数就是加上这个数的负数,如:1-1=1+(-1); 计算机中为了实现这个效果使用了一个新概念:二补数,用来表达一个数的负数。
1、二补数:
二补数(2's complement)是一种用二进制表示有号数的方法,也是一种将数字的正负号变号的方式,常在计算机科学中使用。在中国大陆称作补码,台湾和香港称为二补数。
二补数系统的最大优点是可以在加法或减法处理中,不需因为数字的正负而使用不同的计算方式。只要一种加法电路就可以处理各种有号数加法,而且减法可以用一个数加上另一个数的二补数来表示,因此只要有加法电路及二补数电路即可完成各种有号数加法及减法,在电路设计上相当方便。另外,二补数系统的 0 只有一个表示方式,这点和一补数系统不同(在一补数系统中,0 有二种表示方式),因此在判断数字是否为 0 时,只要比较一次即可。右侧的表是一些 8-bit 二补数系统的整数。它的可表示的范围包括-128到127,总共256 (28)个整数。
2、数字表示方式:更多资料:https://www.cnblogs.com/milantgh/p/3925425.html
以下用 4 比特的二补数数字来说明二补数系统的数字表示方式。
- 在表示正数和零时,二补数数字和一般二进制一样,唯一的不同是在二补数系统中,正数的最高比特恒为 0,因此4 比特的二补数正数,最大数字为 0111 (7)。
- 二补数数字的负数,最高比特恒为 1,4 比特二补数的数字中,最接近 0 的负数为 1111 (-1),以此类推,因此绝对值最大的负数是 1000 (-8)。
以上的表示方式在电脑处理时格外方便,用以下的例子说明:
0011 (3) + 1111 (-1) -------------- 10010 (2)
3、二补数计算方式
在计算二进制数字的二补数时,会将数字进行比特反相运算,再将结果加 1,不考虑溢出比特(一般情形,溢出比特会为 0),就可以得到该数字的二补数。
以下考虑用有号数 8 比特二进制表示的数字 5:
- 0000 0101 (5)
其最高比特为 0,因为此数字为正数。若要用二补数系统表示 -5,首先要将 5 的二进制进行反相运算〔1 变为 0,0 变为 1 〕:
- 1111 1010
目前的数字是数字 5 的一补数,因此需要再加 1,才是二补数:
- 1111 1011 (-5)
以上就是在二补数系统中 -5 的表示方式。其其最高比特为 1,因为此数字确实为负数。
一个负数的二补数就是其对应的正数。以 -5 为例,先求数字的一补数:
- 0000 0100
再加一就是 -5 的二补数,也就是 5。
- 0000 0101 (5)
简单来说,数字 a (正负数皆可)的二补数即为 -a。
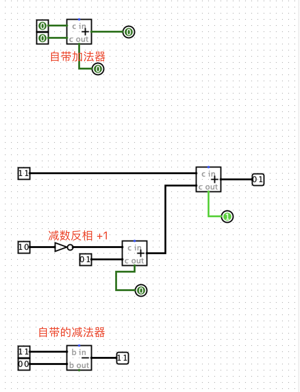
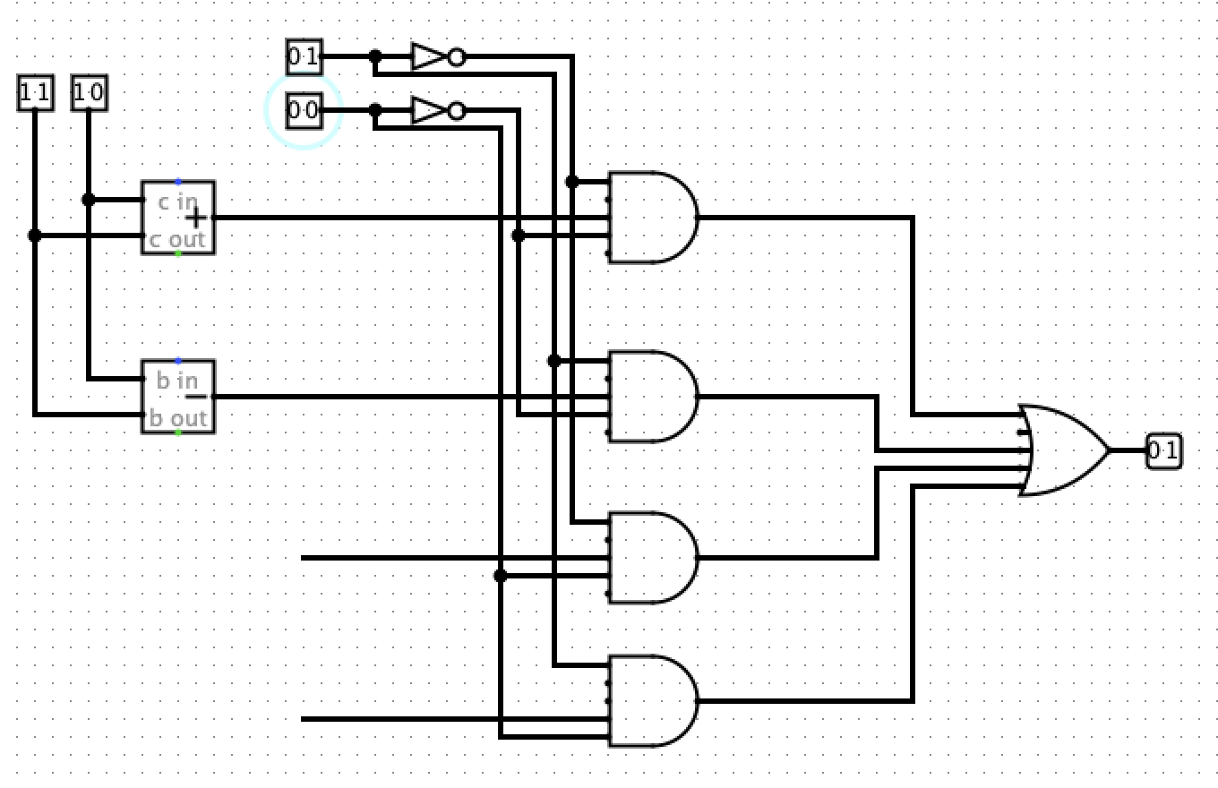
Logisim实现减法

运算单元ALU(Arithmetic & Logic Unit)
主要作用是通过选择,是传入ALU中的数据进行怎样的运算,是减法?还是加法等。

最后总结下:


浙公网安备 33010602011771号