高集成的低功耗RISC-V SoC收发芯片 Ci24R02
动能世纪整理的应用场景
■ 低功耗传感网络:如环境温湿度监测、智能农业中的土壤传感
■ 智能家居:智能门锁、遥控器、安防传感器
■ 可穿戴设备:智能手环、手表、健康监测设备
■ 资产追踪、智能仪表、远程控制器
主要优势:
Ci24R02提供配套的调试开发软件和丰富的函数库,能大大降低开发门槛和缩短开发周期。

主要特性
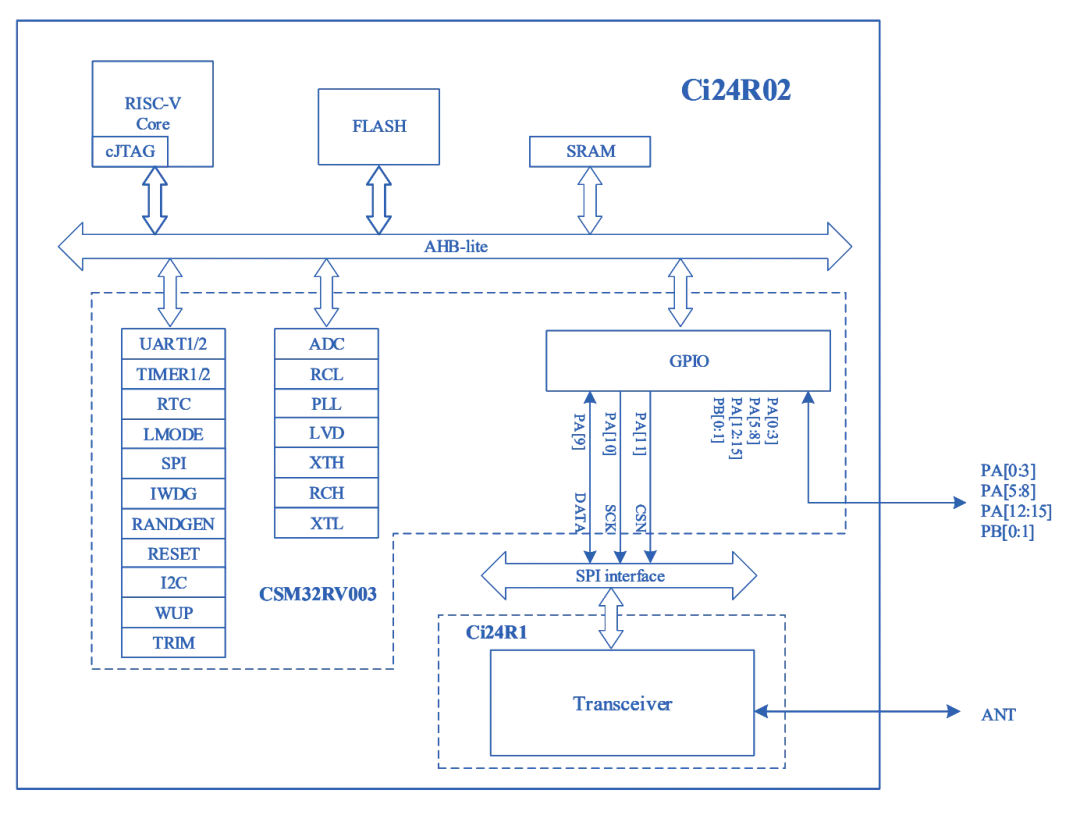
低功耗、Low Pin Count、宽电压工作范围,集成了13/14/15/16位精度的ADC、LVD、UART、SPI、I2C、TIMER、WUP、IWDG、RTC、无线收发器等丰富的外设,内核采用RISC-V RV32IMAC(2.6 CoreMark/MHz)
内置RISC-V RV32IMAC内核(2.6 CoreMark/MHz);
最高32MHz工作频率;
内置4kB的SRAM;
内置32kB的嵌入式FLASH + 4.5kB的信息块,至少能擦写 100 000次;
内置1个SPI MASTER;
内置1个I2C MASTER;
内置2个UART支持最高1Mbps;
内置2个高级TIMER,TIMER1具有4路互补PWM;
1个64位系统定时器SysTick(MTIME),不可用于授时;
内置1个快速的高精度13/14/15/16bit ADC,集成1.2V高精度基准;
宽ADC输入电压范围:0~4.8V,最大输入电压不得高于 VDD_MCU电压;
ADC支持10个输入通道,其中8个可用于外部电压测量;
内置低压检测模块;
最多支持14个GPIO,12个支持外部中断;
内置硬件看门狗;
内置1个RTC,可用于授时;
内置1个WUP;
集成无线收发器;
支持4种低功耗模式,最低功耗小于0.6uA(看门狗工作);
内置32位真随机数发生器;
支持cJTAG 2线调试接口;
工作电压范围:1.8~3.6V;
超低功耗,最低功耗达1.6uA(MCU处于掉电模式,无线收发模块处于关断模式);
工作温度范围-40~85℃;
支持QFN16 4×4 封装和QFN20 4×4封装;
极少外围器件,降低系统应用成本;
封装图示


浙公网安备 33010602011771号