SI3933低频唤醒接收芯片完整指南:结构框图、PCB布局与选型要点
芯片概述与主要特性
SI3933是一款三通道低功耗ASK接收机芯片,专为15kHz-150kHz低频载波频率检测而设计。这款芯片的主要功能是检测低频数字信号并产生唤醒信号,广泛应用于各种无线唤醒场景。
SI3933的核心特性包括其三通道ASK唤醒接收能力,工作频率范围覆盖15kHz至150kHz。在低功耗监听模式下,芯片的最低功耗仅为2.1μA,唤醒灵敏度达到80μVrms,且灵敏度可配置调节。
工作模式图示

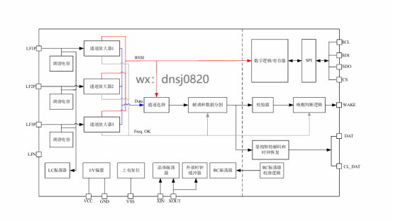
结构框图

封装
SI3933采用TSSOP-16和用QFN-16 两种封装选择
以下是三种常见的时钟配置方案:
晶体振荡器方案:提供最高的时钟精度,适合对时序要求严格的应用
RC振荡器方案:节省成本和PCB空间,适合成本敏感型应用
外部时钟源方案:当系统已有合适时钟源时可共享使用
PCB布局注意事项
SI3933对射频干扰较为敏感,在布局时应特别注意与其他射频模块(如2.4GHz无线模块)的地隔离。建议采取以下措施:
使用独立的电源滤波网络
保持天线走线短接且远离噪声源
对敏感模拟部分进行适当屏蔽
选型指南与应用场景
SI3933在软硬件上完美兼容AS3933和GC3933,可直接替换使用,无需修改PCB布局或软件代码。基于AS3933的现有设计可以无缝迁移到SI3933,同时享受成本降低和性能提升的双重好处。
适用场景:
有源RFID标签:用于资产跟踪、仓储管理
门禁管理系统:校园门禁卡、企业考勤系统
PKE无钥匙门禁系统:汽车无钥匙进入、智能门锁
实时定位系统(RTLS):人员或设备室内外定位
无线传感器网络:低功耗传感器节点的唤醒管理
操作员识别与访问控制:安全权限管理
在选择SI3933时,需考虑以下因素:
通道数量需求:根据应用场景决定需要1个、2个还是3个通道
时钟精度要求:决定使用晶体振荡器还是RC振荡器
功耗约束:根据电池寿命要求优化监听占空比
通信距离:调整灵敏度设置以达到理想距离
成本目标:在性能和成本之间取得平衡
对于需要长电池寿命和远距离唤醒的应用,SI3933凭借其低功耗和可调灵敏度特性,成为理想选择。尤其在PKE(无钥匙进入)系统中,SI3933的优异性能可显著提升用户体验。
常见问题与设计建议
天线调谐优化
SI3933的自动调谐功能极大简化了天线调谐过程。为确保最佳性能,建议:
使用高质量的电感和电容组成LC谐振网络
在最终外壳内进行天线调谐(因为外壳可能影响天线参数)
利用芯片的RSSI功能优化天线匹配
功耗优化策略
为最大限度降低系统功耗,可采取以下措施:
利用芯片的周期性唤醒功能,合理设置唤醒间隔
在满足通信距离要求的前提下,适当降低灵敏度设置
在不需要的时段关闭未使用的通道
干扰处理技巧
在噪声环境下,可采取以下措施提高通信可靠性:
利用RSSI功能监测信号强度
调整曼彻斯特编码的校验规则
启用错误唤醒寄存器过滤干扰
SI3933作为一款高性能、低功耗的低频唤醒接收芯片,在软硬件兼容性、功耗性能和通信距离等方面均有出色表现,特别适合对电池寿命和通信可靠性有高要求的应用场景。通过合理利用其丰富的特性,设计人员可以构建出高效可靠的无线唤醒系统。

浙公网安备 33010602011771号