更具性价比,兼容PN512的国产NFC芯片-DP1312ES
DP1312ES是一款应用广泛的非接触读卡器芯片 ,集成了在 13.56MHz 下的多种非接触通信方式和协议 ,具有很高的技术集成度。其读写器模式能够支持 ISO/IEC 14443A、ISO/IEC 14443B 标准以及 FeliCa 规范,同时也支持 ISO/IEC 18092 NFCIP - 1 标准,模拟卡模式则支持 ISO/IEC 14443A 标准。在硬件设计方面,它具备高度集成的解调和解码模拟电路,仅需极少的外部器件,就能将输出驱动连接至天线。在通信距离上,读写器模式下典型操作距离最高可达 90mm(具体取决于天线设计和电源),NFCIP - 1 模式下通讯距离可达 50mm(同样取决于天线设计和电源)。在接口支持方面,它拥有多种主机接口,支持 I2C 接口(快速模式速率可达 400k,高速模式可达 3400k)、UART 接口(最高可达 1228.8K)以及 SPI 接口(速率最高 10Mbit/s)。
产品特性:
读写器模式支持 ISO/IEC 14443A 标准
读写器模式支持 ISO/IEC 14443B 标准
读写器模式支持 FeliCa 规范
支持 ISO/IEC 18092 NFCIP-1 标准
模拟卡模式支持 ISO/IEC 14443A 标准
高度集成的 解调和解码模拟电路
只需很少的外部器件;即可将输出驱动连 接至天线
读写器模式下 ,典型操作距离最高可达90mm,具体取决于天线设计和电源
NFCIP-1 模式下,通讯距离可达 50mm,具体取决于天线设计和电源
支持 S 2C 接 口
支持的主机接口
Ø I2C 接 口 ,快速模式速率可达 400k,
Ø UART 接口,最高可达 1228.8K
Ø SPI 接 口 ,速率最高10Mbit/
64 字节 FIFO 缓冲器用于接收和发送
灵活的中断模式低功耗的硬件掉电模式
支持软件掉电模式
支持 LPCD 功能
可编程定时器
内部振荡器 ,连接 27.12MHz 晶体
支持2.5V-5V 宽范围电源电压
CRC 协处理器u可编程I/O 管脚
内部自检功能
Pin to Pin 兼容PN512系列
应用场景如下:
考勤签到
门禁控制
公共交通
食堂就餐
水电气充值
便携式手持设备
各种会员系统
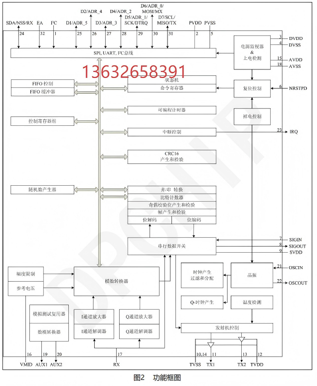
芯片内部框图如下:

浙公网安备 33010602011771号