CV520国产替代Ci521 13.56MHz 非接触式读写器芯片-更低成本替代
CI521 是一个高度集成的,工作在 13.56MHz 的非接触式读写器芯片,阅读器支持 ISO/IEC 14443 A/B/MIFARE。
CI521无需外围其他电路,Ci521 的内部发送器可驱动读写器天线与 ISO/IEC 14443 A/B/MIFARE 卡和应答机通信。接收器模块提供一个强大而高效的电路,用以解调译码 ISO/IEC 14443 A/B/MIFARE 兼容卡及应答机信号。数字模块处理完整的 ISO/IEC 14443 A/B 帧和错误检测功能(奇偶和 CRC)。
CI521 支持 MIFARE 产品。Ci521 支持非接触式通信,与 MIFARE 系列双向
通信速率高达 848kBd。
CI521 提供 SPI(串行外设接口)主机接口。
CI521PIN对PIN直接替换CV520,软硬件兼容,支持读写A卡和B卡
CI521性能参数参考值
•高度集成的模拟电路,解调和译码响应
•带缓冲的输出驱动器,使用最少的外围元件与天线连接
•支持 ISO/IEC 14443 A/B/MIFARE
•读写器模式的操作距离取决于天线的尺寸和圈数, 典型操作距离为 50mm,
•读写器模式下支持 MIFARE 系列卡
•支持 ISO/IEC 14443 A/B/Mifare 更高速率通信,最高达 848kBd
•支持 SPI 接口,通信速率高达 10Mbit/s
•64 字节发送和接收 FIFO 缓冲区
•灵活的中断模式
•低功耗硬复位功能
•软件掉电模式
•可编程定时器
•内部振荡器,连接 27.12MHz 石英晶体
•2.3V 至 3.6V 供电电压
•CRC 协处理器
CI521引脚图

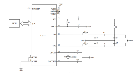
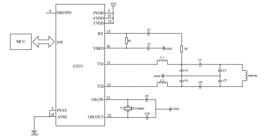
CI521典型应用电路:


浙公网安备 33010602011771号