DoIP 协议详解
转载:车载以太网DoIP 协议,万字长文详解_doip协议-CSDN博客
一、前言
DoIP(Diagnostic Communication over Internet Protocol) 协议是一种用于汽车诊断通信的协议,它允许通过IP网络(如以太网)进行诊断操作。
DoIP协议的设计初衷是为了解决传统基于CAN (Controller Area Network) 总线的诊断通信方式在带宽、灵活性以及远程访问方面的限制。
DoIP协议的主要特点包括:
- 基于IP网络:DoIP协议使用标准的TCP/IP协议栈进行通信,这意味着它可以通过任何支持IP网络的连接进行诊断操作,无论是本地网络还是远程网络。
- 高带宽:相比CAN总线,以太网提供了更高的数据传输速率,这使得DoIP协议在进行大量数据传输(如软件更新或故障记录)时更加高效。
- 灵活性:由于DoIP基于IP网络,它可以轻松地与现有的IT基础设施集成,支持多种设备和系统之间的互操作性。
- 安全性:DoIP协议支持加密和身份验证机制,以确保诊断通信的安全性,防止未经授权的访问和数据泄露。
- 支持远程诊断:通过DoIP协议,制造商或服务提供商可以远程访问车辆的诊断系统,进行故障排除、软件更新等操作,从而提高了服务效率。
DoIP协议定义了如何建立和维护诊断会话、如何发送和接收诊断消息、如何处理错误等。它使用特定的消息格式和通信规则来确保数据的正确传输和解析。
在实际应用中,DoIP协议通常与UDS (Unified Diagnostic Services) 协议一起使用,UDS定义了各种诊断服务的具体内容和行为。
随着汽车行业的不断发展,特别是在电动汽车和智能网联汽车领域的快速进步,DoIP协议作为一种高效、灵活且安全的诊断通信方式,正逐渐成为行业标准。
二、DOIP协议
由于DoIP现协议是基于以太网技术的车辆诊断协议,所以Doip协议在OSI参考模型各分层传递方式与传统以太网一致。

ISO 134001-2 定义了用于车辆诊断的网络层和传输层协议以及服务,是DoIP协议的主要部分。

下图是一个汽车车载网络的拓扑结构图,以太网用于主干网络,CAN/LIN网络主要用于分支网络,分支网络信号通过各个域的网关路由到主干网络。

下图是ISO-13400-2 标准中截取的车辆网络架构原理图,这张图上被分为外部网络(Externel network)和车辆的网络(Vehicle network)。
- Doip Edge Node:是连接激活线的节点,Tester可以通过该节点对车辆进行Doip通信。
- Network Node:连在IP网络上,但不能实现DoIP的节点。
- Active line:可以通过给该端口一个2V-32V的电压,激活Doip节点,与车辆建立Doip通信。

三、DoIP 报文格式
DoIP协议是应用层协议,DoIP报文是下层TCP/UDP数据包中有效载荷(Payload)内容。DoIP报文由报头和数据段组成。

DoIP报头由协议版本 、反向协议版本、负载类型和负载长度组成,下表展示了DoIP报头结构。

3.1 协议版本
协议版本号: DoIP的协议版本号。
- 0x00:预留
- 0x01:DoIP ISO/IDS 13400-2:2010
- 0x02:DoIP ISO 13400-2:2012
- 0x03:DoIP ISO 13400-2:2019
- 0x04…0xFE:预留
- 0xFF:车辆识别请求报文默认值
3.2 反向协议版本
协议版本号取反:对协议版本进行校验,确保正确的DoIP格式。
如:协议版本0x03,则此值为0xFC。
3.3 负载类型

Doip报头的负载类型如下表所示:

3.3.1 DoIP首部否定响应码
DoIP报文在发送出去前,如果检测到错误,比如格式错误,未知负载类型,报文过长,超出内存等会,Doip实体会响应一帧负载类型为0000,负载为1个字节的否定码的报文。
![]()
ISO13400 -2 中定义的 NACK Code 定义如下图所示:
- 每个DoIP实体必须支持DoIP首部否定响应
- 每个DolP实体应该忽略收到的DoIP首部否定响应报文
- 测试仪收到不符合规范的DoIP报文不应该发送首部否定应答

3.3.1.1 格式错误(0x00)示例
如下图,发送一个格式错误的Doip请求,Doip实体响应了NACK Code 0x00,并且主动断开TCP连接。

3.3.1.2 未知的负载类型(0x01)示例
如下图,基于UDP连接,发送一个负载类型为0x00E1(未定义的)Doip请求,Doip实体响应了NACK Code 0x01。

3.3.1.3 报文过长(0x02)示例
负载长度在DoIP报头中占4个字节,原则上可以支持传输 4 GB (4 294 967 295 字节),但是最大允许的负载长度取决于车辆的传输层配置,比如本案例最大支持0x0010000个字节,超过这个字节长度将报NACK 0x02。

3.3.1.4 超出内存(0x03)示例
暂无实际案例。
3.3.1.5 无效的负载长度(0x04)示例
如下图,发送一个车辆识别请求Doip报文,负载长度应该为0,这里写入1,则Doip实体响应了NACK Code 0x04。

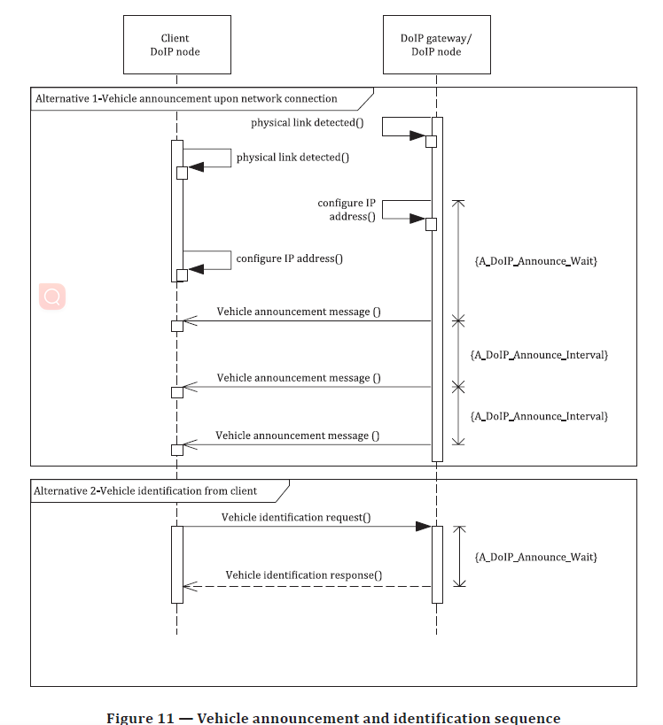
3.3.2 车辆声明报文
车辆识别和车辆声明报文 (0x0001, 0x0002, 0x0003, 0x0004),此类报文用于识别和确认网络上的被诊断车辆。诊断仪可通过其获取车辆的VIN(Vehicle Identification number)、GID(Group identification)和 DoIP 实体的逻辑地址等信息。
ISO 13400中规定,当DoIP实体获取了有效的IP地址后,应 500ms 内发送 3 条 Vehicle announcement message,用于声明自己的车辆信息,具体实现的时候,发送时间和条数可以根据主机厂的需求进行调整。因为是以UDP的方式进行发送,为了尽可能保证报文可被正确接收,所以要发送多次,同时报文的目的IP地址设置为本地限制广播地址(255.255.255.255)。
车辆声明报文发送流程如下图所示:

3.3.2.1 车辆识别请求(0x0001)
如下图,客户端发送 02 FD 00 01 00 00 00 00 车辆识别请求,DoIP实体返回的车辆识别响应报文,车辆识别响应报文内容包含 VIN、逻辑地址、EID、GID等信息。

DoIP实体的车辆识别报文的格式如下表所示,负载长度为33个字节。

其中 Further action required 的可能值如下表所示,一般情况下为0x00。

VIN/GID sync. status 参数的可能值如下表所示,该参数为可选参数。

3.3.2.2 带EID请求车辆识别请求(0x0002 )
如下图,客户端发送 02 FD 00 02 00 00 00 06 70 B3 D5 20 00 01 带EID的车辆识别请求,如果EID正确,则DoIP实体返回负载类型为0x0004的车辆识别响应报文,否则DoIP实体不响应。

3.3.2.3 带VIN请求车辆识别请求(0x0003 )
如下图,客户端发送 02 FD 00 03 00 00 00 11 50 41 4E 47 55 30 31 32 30 35 37 34 39 30 08 34 37 带VIN的车辆识别请求,如果VIN正确,则DoIP实体返回负载类型为0x0004的车辆识别响应报文,否则DoIP实体不响应。

3.3.3 路由激活报文
ISO 13400规定,当测试设备需要通过车载DoIP网关将报文路由到车辆内部网络之前,需要执行路由激活阶段,用于激活TCP_DATA Socket上的路由。该阶段包括路由激活请求和路由激活响应。
路由激活请求报文由测试设备发送至DoIP实体,路由激活响应由DoIP实体发送至测试设备。
流程如下图所示,先与DoIP实体通过TCP建立连接,然后测试仪发送负载类型为0x0005的路由激活请求,Doip实体响应负载类型为0x0006的激活响应报文。

下表是路由激活请求的参数和字节大小。

下图是路由激活响应的参数和字节大小。

下表是路由激活响应报文中 Routing activation response code的可能的值,如果为0x10则说明路由激活成功,如果为0x00则表明SA的逻辑地址不对,如果为0x03,则表明当前的SA逻辑地址已经处于激活状态。

3.3.3.1 不支持的SA地址(0x00)
如下图,客户端发送 02 FD 00 05 00 00 00 07 01 01 00 00 00 00 00 ,其中 0x0101是DoIP实体不支持的SA地址,所以DoIP实体响应了0x00 状态码。

3.3.3.2 已经激活的TCP连接上使用不同的SA地址(0x02)
如下图,在已经激活的TCP连接上,使用了不同的SA地主,DoIP实体报0x02状态码。

3.3.3.2 不同的TCP连接上使用相同的SA地址(0x03)
如下图,在不同的TCP连接上,不可以使用相同的SA地址,否则Doip实体报0x03状态码。

3.3.4 在线检测请求报文
下图是在线检测请求报文的处理流程,只有在已经建立了至少一个的TCP连接的情况下,测试仪再次发送路由激活请求的时候,DoIP实体才会发出在线检测请求报文。
这里注意:
- 在线检测请求报文由DoIP实体发出
- 测试仪在超时时间(T_TCP_Alive_Check )内未回复响应报文, DolP实体会断开TCP连接

如下图日志,在第二次TCP连接后,发送路由激活请求后,DoIP实体发送负载类型为0x0007的在线检测报文,这里测试仪给了逻辑地址为0x0008的响应报文,并且Soure address参数为0E80,告诉DoIP实体,SA地址为0E80的诊断仪仍然在线。

第二种情况是,Doip实体发出在线检测报文后,测试仪没有给出响应,然后Doip节点会主动断开TCP连接,并且给出路由激活正响应报文。
注意,TCP断开连接的Port口是 0x07DA,也就是第一次TCP连接时的Port口。

3.3.5 诊断报文
3.3.5.1 诊断肯定报文示例
由下图可以看出,要和DoIP进行诊断通讯,需要先建立TCP连接,然后路由激活,最后才能发送诊断请求。
诊断报文的负载数据的前4个字节分别是源逻辑地址(2个字节,诊断仪的逻辑地址)和目的逻辑地址(2个字节,Doip实体或者路由到子网的某个ECU的逻辑地址)。
用户数据(User data)部分才是UDS的数据。

3.3.5.2 诊断否定报文示例(无效的源逻辑地址NACK为0x02)
如果诊断仪发送的诊断报文有误,DoIp实体将返回负载类型为0x8003的诊断否定响应码,即 NACK Code,具体的值定义如下图表。
这里要区分NACK和UDS的NRC的区别。DoIP实体会通过负载类型0x8001返回UDS的NRC码,属于诊断肯定响应。

如下图,正常连接TCP和路由激活后,使用无效的SA地址发送诊断请求,DoIP实体返回NACK为0x02的否定响应报文,并主动断开TCP连接(ISO 13400-2 强制要求)

3.3.5.3 诊断否定报文示例(目的逻辑地址无效NACK为0x03)
如下图,正常连接TCP和路由激活后,使用无效的TA地址发送诊断请求,DoIP实体返回NACK为0x03的否定响应报文(无需断开TCP连接)

3.3.6 DoIP实体状态请求报文
负载类型0x4001用于测试仪向DoIP实体请求状态,DoIP实体收到该请求后返回负类型为0x4002的响应报文。
响应的数据如下表所示:
- DoIP实体状态请求和应答报文通过UDP报文实现。
- Node type (NT) : DoIP节点类型,0为网关,1为节点。
- Max.concurrent TCP_DATAsockets (MCTS) :最多允许同时多少个TCP的连接存在
- Currently open TCP_DATA sockets (NCTS):目前打开着的TCP连接数量

如下图所示日志。

3.3.6 诊断电源模式
负载类型0x4003和0x4004用于检索车辆的诊断功率模式。测试仪根可以根据DoIP实体响应的诊断电源模式,从而可以对车辆的组件执行可靠的诊断。


四、 DoIP 激活线
传输层和网络层服务由ISO13400-2协议定义,物理层和数据链路层由ISO13400-3协议定义。

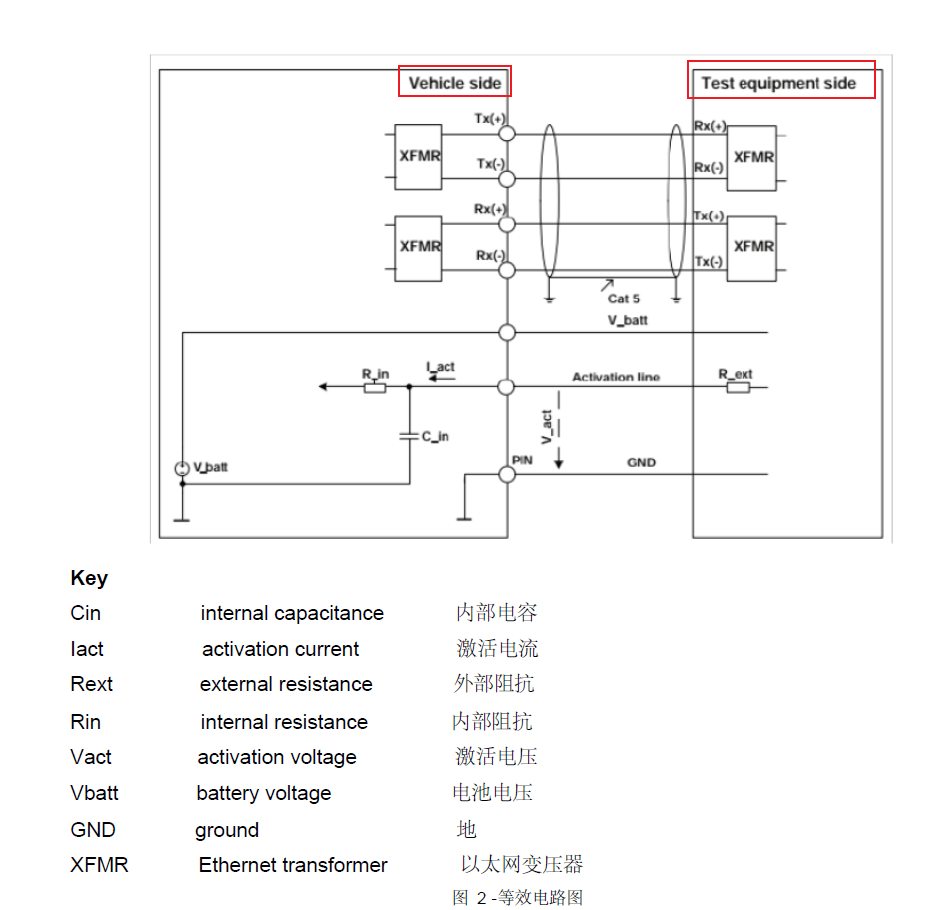
4.1 整车激活线需求
DoIP激活线的主要作用是激活诊断通信。它通常与边缘节点(DoIP edge node)连接,用于在车辆检测和维修等场景中,通过诊断读取车辆的状态进行故障跟踪。当激活线上的电压满足一定条件时,边缘节点会被激活,从而启动诊断通信。这有助于降低电磁干扰、减少电源消耗,并在非诊断通信期间使与诊断相关的功能处于关闭状态,从而进一步降低能耗和对网络带宽的消耗。
DOIP激活线通过控制诊断通信的激活状态,实现了对车辆诊断功能的精确控制,提高了诊断效率和准确性,同时也保障了车辆和诊断设备的安全性。

由下面两张图可以看出:
- 当激活线上的电压低于Vinactive=2V时即使外部诊断仪已经连接车辆,边缘节点也不会激活诊断通信,可避免激活线上由于地偏电压或电磁干扰引起的压降误激活;
- 当激活线上的电压大于Vactive=5V,小于Vmax时边缘节点需要在200ms内激活诊断通信,边缘节点会将外部诊断设备物理连接的信息传递到上层,从而使能车辆声明报文的发送;当电压维持在此状态时节点要维持被激活状态;
- 当激活线上的电压又降至Vinactive=2V以下且持续时间超过200ms时边缘节点重新回到未激活状态,此时对于边缘节点来说诊断仪是掉线状态。


4.2 诊断连接器需求

五、传输层TCP/UDP连接端口号
传输层要求:
- 每个DoIP实体(IPv4和IPv6)应实现IETF RFC 793、 IETF RFC 1122中规定的TCP要求
- 每个DoIP实体应实现IETF RFC 768、IETF RFC 1122中规定的UDP相关要求
- 每个DoIP实体应支持<n + 1>个TCP socket,其中是相应DolP实体支持的并发TCP数据连接数
- 每个DoIP实体应支持<k + 1>个TLS socket,其中是相应DolP实体支持的并发TLS数据连接数
- 支持TCP/DoIP实体监听端口号13400 (unsecured)
- 支持TCP/DolP实体监听端口号3496 (secured)
- 支持UDP/DoIP实体监听端口号13400
TCP DATA:
- DoIP实体监听端口13400,接收Unsecured TCP连接和数据
- DolP 实体监听端口3496,接收Secured TCP连接和数据
- 测试仪连接13400或3496

UDP_DISCOVER:
- 测试仪/DoIP实体需要监听此端口
- 测试仪/DoIP实体主动发送数据时目的端口
UDP_TEST_EQUIPMENT_REQUEST:
- 测试仪/向DoIP实体发送报文时自定义端口

六、DoIP通信时间参数


浙公网安备 33010602011771号