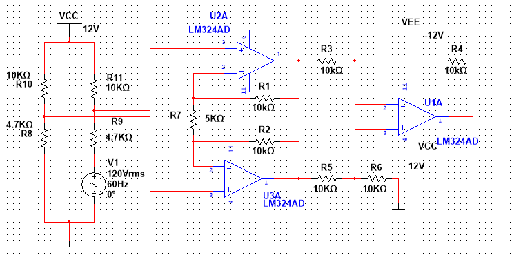
仪用运算放大器

同相放大器:输入电阻大。

 

仪用运算放大器:

 

 

 

 

 仪用运放电路的特点:

1.仪用运放时差动放大器,放大倍数可调。

2.由于输入均在同相端,此电路的输入电阻较高。

3.两个端口输入完全相同的共模干扰信号,输出为0,抗干扰能力强。

仪用运放由三个运放构成:输入级为同相放大,输出为减法电路。

放大倍数可直接设置。

用途:信号放大,仪器仪表测量电路信号放大。

仿真;

 

 

 

 

 

 

 

 

 

 

 

 

posted @ 2020-10-23 10:14  _年少无知  阅读(1624)  评论(0)    收藏  举报