武汉芯源CW32L010 ESC Driver电机控制套件评测
武汉芯源CW32L010 ESC Driver 电机控制套件评测
本科毕业后,我陆续接触了多家国产 MCU 控制器厂商,其中就包括今天要评测的武汉芯源 CW32。
武汉芯源半导体是上市公司武汉力源信息技术股份有限公司全资子公司,专注芯片的设计、研发、销售及技术服务。作为中国本土的MCU厂商,武汉芯源半导体始终坚持以创新驱动发展,专注32位MCU芯片设计,致力于提供本土化、工业级、高品质、低成本的集成电路产品。
武汉芯源半导体为电子行业用户提供微处理器MCU、小容量存储芯片EEPROM、功率器件SJ-MOSFET等系列产品,具有产品质量保证、技术性能可靠、供货能力稳定三大竞争优势。
在MCU领域目前已推出通用高性能CW32F003/030系列、安全低功耗CW32L083/031/052系列、CW32L010/011/012高主频(96MHz)低功耗系列、无线射频CW32W031系列产品,广泛应用于消费电子、智能家居、物联网、工业控制、医疗电子以及汽车电子行业,未来将能够满足更多的市场需求。
初次接触 CW32 是在 2023 年 B 站的开发板申请活动中,从那时起我便开始学习相关技术,至今(2025 年)已有将近两年时间。期间也是学习了CW32F030这个系列芯片,并记录了一下。
CW32-Template第三方资源集合
https://gitee.com/xcet/embedded-cw32-board-template
而深入了解 CW32 的契机,源于武汉芯源半导体社区与立创 EDA 联合举办的无刷电机训练营。 正是通过这个无刷电机训练营,我逐步踏入无刷电机控制领域的技术学习。以下将重点围绕 CW32 在无刷电机控制场景中的技术特性展开阐述。也是本次评测的重点CW32L010 ESC Driver 电机控制套件。
引言
CW32L010ESC_Driver电机驱动板是武汉芯源半导体生态社区推出的一款低成本BLDC无刷直流电机开发板。
软件硬件开源地址
立创开源地址
https://oshwhub.com/beauty_light/cw32l010-bldc-esc-driver
CW32L010开发板-活动与资料合集
https://dwi41yhz703.feishu.cn/docx/A3hCd6gBkoi15LxE8NWcy3UknRg
CW32L010ESC_Driver能干啥?
①让无刷电机转起来!DIY电钻、智能小车等等都能用~
②当电调用,规格是按照航模电调设计的
CW32L010ESC_Driver有多香?
①可驱动电机到11W转多(需要电机、电源等等满足要求)DIY暴力风扇
②电调速度最大6万转,会开源PPM调速和电位器调速两个源码
开发套件清单
CW32L010 ESC 驱动板
无刷直流电机
电位器
电容
DAPLINK烧录器
配套的连接线材等

CW32L010ESC_Driver开发板参数及亮点

CW32L010ESC_Driver硬件分析

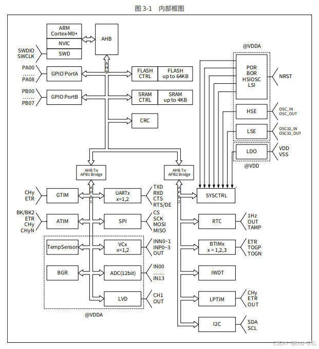
CW32L010 MCU核心参数(主频、存储、外设等)
产品特性:
• 内核:ARM® Cortex®-M0+
– 最高主频 48MHz
• 工作温度:-40℃ 至 85℃;工作电压:1.62V 至 5.5V
• 存储容量
– 最大 64K 字节 FLASH,数据保持 25 年 @-40℃~+85℃,支持擦写保护、读保护和安全运行库保护功能
– 最大 4K 字节 RAM,支持硬件奇偶校验
– 22 字节 OTP 存储器
• CRC 硬件计算单元
• 复位和电源管理
– 低功耗模式(Sleep,DeepSleep)
– 上电和掉电复位(POR/BOR)
– 可编程低电压检测器(LVD)
• 时钟管理
– 4 ~ 32MHz 晶体振荡器
– 32kHz 低速晶体振荡器
– 内置 48MHz RC 振荡器
– 内置 32kHz RC 振荡器
– 时钟监测系统
– 允许独立关断各外设时钟
• 支持最多 16+1 路 I/O 接口
– 所有 I/O 口支持具备滤波的中断功能
– 所有 I/O 口支持具备滤波的唤醒功能
– 所有 I/O 口支持迟滞及上拉输入
– 所有 I/O 口支持推挽及开漏输出
• 12位模数转换器
– 最高 2M SPS 转换速度,各序列通道采样时间可单独配置
– 具备 8 个转换结果寄存器
– 内置1.2V电压基准
– 模拟看门狗功能
– 内置温度传感器
• 双路电压比较器
• 实时时钟和日历
– 支持由 Sleep/DeepSleep 模式唤醒
• 定时器
– 16 位高级控制定时器,支持 6 路输入捕获,支持 6 对带死区的互补 PWM 输出,支持双点比较,支持PWM移相
– 一组 16 位通用定时器
– 三组 16 位基本定时器
– 一组16 位低功耗定时器
– 独立看门狗定时器
• 通信接口
– 二路低功耗 UART,支持小数波特率,支持低功耗接收数据,支持可配置电平转换,其中一路支持 LIN 通信接口
– 一路 SPI 接口 24Mbit/s,支持 4~16bit 位宽
– 一路 I2C 接口 1Mbit/s,支持可配置电平转换,支持 SMBUS
– IR 调制器,可编程占空比和极性
• 串行调试接口 (SWD)
• 80 位唯一 ID
芯片外设资源汇总

芯片内核架构

芯片封装
CW32L010 ESC Driver开发板使用的CW32L010F8系列,该系列提供两种封装QFN20、TSSOP20。其中开发板使用是QFN20封装的

电机驱动电路设计
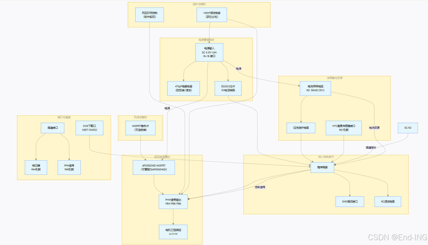
硬件电路原理图


-
核心控制单元
CW32L010 单片机:作为主控核心,通过 PB4/PB5/PB6 输出三相 PWM 信号控制驱动电路,同时接收调速指令(电位器 / PPM)和传感器反馈。
调试接口:SWD 接口支持程序下载与调试,RC 滤波电路减少信号干扰。

-
驱动电路模块
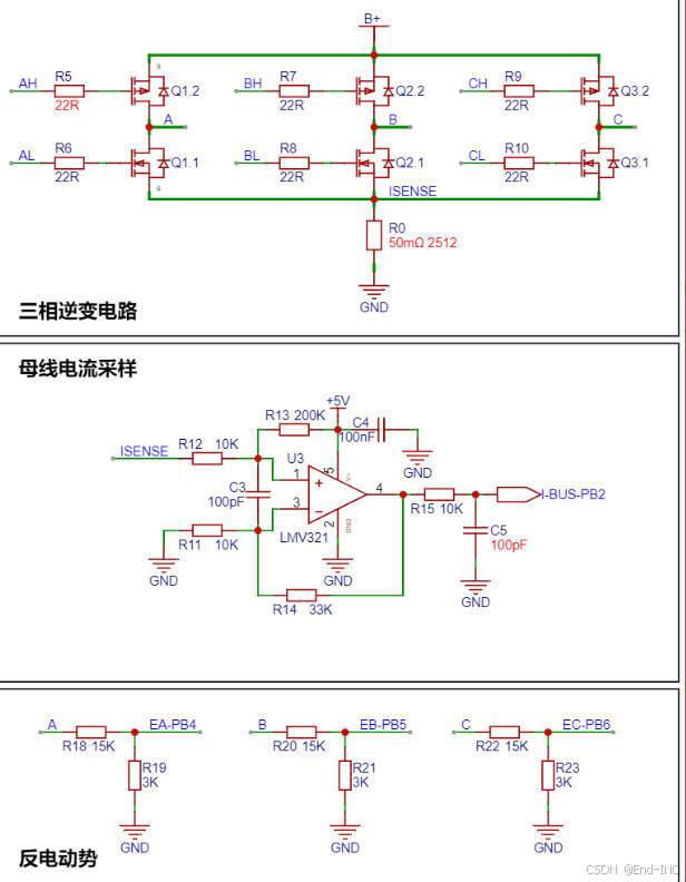
三相逆变电路
三相桥控制:通过 PWM 信号切换桥臂开关状态,实现电机换相(方波驱动)。
功率 MOSFET:标配 AP20G03GD(24A/30V),可替换为 AP50G04GD(48A/40V)提升驱动能力,组成三相桥驱动电机绕组。
母线电流检测
电流检测:通过 50mΩ 采样电阻 R0 实时监测绕组电流,触发过流保护(硬件比较器 + 软件逻辑)。
反电动势检测

-
电源管理系统
硬件电源部分由外部7.4~22.2V直流电源供电,前置驱动芯片EG3033用于驱动电机的三相栅极电路。同时其5V输出用于MCU供电,在供电电路上使用分压电路采样对供电进行监视。

-
接口与通信
调速方式:
电位器:通过 PA4 接入分压信号,实现模拟量调速(需注意接线,避免烧毁)。
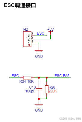
PPM:通过 PA5 接收航模遥控器信号,支持标准电调模式。
调试接口:SWD 口用于程序烧录。
温度检测:预留 NTC 接口(PA1),可监控 MOSFET 或电机温度,防止过热。


-
保护与辅助电路
死区时间:软件层面预留死区时间,防止三相桥上下臂直通短路。
滤波电容:多处 100nF 电容抑制电源和信号干扰,提升稳定性。 -
机械与散热
散热设计:MOSFET 需搭配散热片(自然散热时电流≤5A,加散热片后可至 10~20A),PCB 无固定孔需自行焊接固定。
软件生态
开发环境支持
CW32系列芯片是支持MDK与IAR两种方式开发的,下载官方固件库就可以得到相关pack包文件。
下载地址 https://www.whxy.com/anquandigonghaoMCU/CW32L010F8U6.html?act=doc&cid=22

芯片固件库与外设案例



烧录工具
CW32L010ESC_Driver驱动板上面提供了SWD接口以进行下载程序与调试,官方套件里面也提供了WCH-DAPLINK。

烧录电机驱动固件程序
硬件准备就绪后,接下来是软件部分。官方非常贴心地提供了开源的示例工程,极大地降低了上手门槛。官方提供了两个主要的ESC控制工程:
基于电位器调速的工程
基于电子调速器 (ESC) 信号调速的工程

根据需求下载对应程序即可,接上电源,电机,DAPLINK进行下载程序与调试,观察电机是否转动即可。
具体标准可以参考官方视频或者文档
视频教程
【CW32电机控制入手测试必看】https://www.bilibili.com/video/BV1XDKgzSEuh
文档参考
https://blog.csdn.net/m0_50249809/article/details/148855802?
总结
武汉芯源 CW32L010 ESC Driver 电机控制套件在性能、功耗和生态方面展现出显著优势。硬件上,成熟的电路设计、多重保护机制和丰富接口,保障了系统的稳定性与扩展性;软件层面,完善的开发环境和优质示例代码,大幅降低开发难度。开发套件适用于对功耗和控制精度要求较高的场景,如无人机飞控、便携式电动工具等。对于开发者,建议优先使用官方提供的 SDK 和示例代码,快速搭建开发框架。


浙公网安备 33010602011771号