第六章 时序电路

一、时序电路的分析

  1)分析

  2)寄存器 与 移位寄存器

  3)计数器

    -》分类:同步计数器、异步计数器

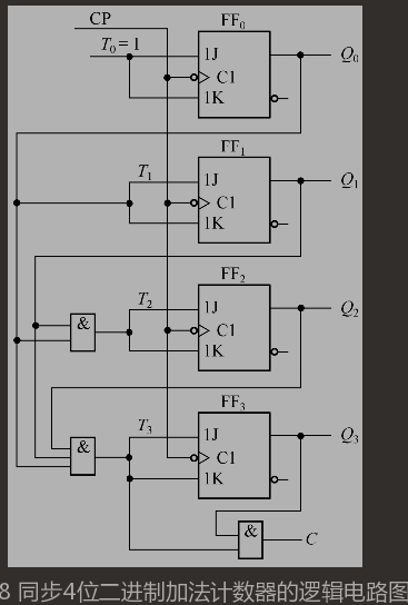
    -》同步计数器分析

      

 

      1)驱动方程:T0 = 1、T1 = Q0、T2 = Q0Q1、T3 = Q0Q1Q2

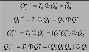
      2)电路特性方程:

        

 

      3)状态转化表:

        

 

posted @ 2022-09-22 18:49  dcli  阅读(94)  评论(0)    收藏  举报