离散数学
第9章 关系
英译单词
- relations and their properties 关系及关系性质
- ordered pair 有序对或序偶数
- product set /Cartesian product 笛卡尔积
易混知识
关系
自反关系只要求满足集合A中任意元素有自环或关系矩阵对角线为一
反自反
定义(一个不是自反的关系不一定是反自反),每个元素都无环
对称关系
(可以是空集,关系举证满足1对称分布即可)
反对称关系
(可以是空集,除对角线外都为0,恒等关系既是对称的也是反对称的)
非对称关系
(注意任意性,)
关系合成
SoR表示R与S的关系合成
闭包(closure)
自反闭包、对称闭包、传递闭包
传递闭包中每一次乘方,就会缩短a,b之间1的路径距离
沃舍尔算法(warshalll)
第9章 群
补充前言知识+瞻望
串中^表示单位元(空序列)
(A* , ·) 称为由A生成的自由半群,其中 · 是连接运算,A*是串的集合

第一节 二元运算
定义
集合A上的二元运算是一个处处有定义的函数f:AxA->A;二元运算具有封闭性
延申:n元运算

例题

第二节 半群
广群定义:代数系统(S,*),如果S是非空的且*是封闭的,则称(S,*)为广群
半群定义 :非空集合S和定义在S上可以结合的二元运算 *,如果 *是交换的,那么(S,*)是一个交换半群
a*e=e*a=a,则e为单位元(幺元,identity),且唯一
有单位元(幺元)的半群称作独立点(含幺半群)
含有半群幺元的子半群是子独立点(子幺半群)
a的n次幂定义为a*a……;
由a的幂次运算可以构造(S,*)的 生成子半群和生成子独立点
幂次构造子半群(与后面构造商半群概念联系紧密)

同构 函数f满定义,单射,满射,积的像等于像的积

同态 函数f满定义,积的像等于像的积 ( 同态像,需要满足满射)
第三节 半群的积和商
直积,构造积半群

直积的独立元
等价关系——>同余关系

例题

构造商半群
及其性质 对于商半群的运算,实际的*运算是原来半群的运算,只不过现在需要表示为以等价同余关系R划分的等价类代表元,
可以理解为([a] * [b])=[a]*[b]=[[a]*[b]=[a*b],即[a]*[b]=[a*b]
可以理解为商集中的代表元运算后仍然是代表元,也就是经过运算后仍然是一个等价类

例题如下
应该注意到这一点(后面可以知道,Zn是一个阿贝尔群)

自然同态(注意是满射)


同态基本定理


第四节 群
基本群
群的定义 :(G,*) , *封闭且可以结合,每个元素都有且仅有一个逆元
阿贝尔群:在群的基础上满足运算交换
群的常用术语(第四点是拉格朗日定理)

关于群的元素的一些性质运算,


由此可以引出构造子群的方法,幂次构造


由以上可以得到 任一元素b在运算表里每一行仅仅出现一次,即运算表的每一列或者每一行都是G中所有元素的一种排列
群的阶

例题 :函数复合置换,注意行标是外层函数,列标是内层函数


例题中应该注意到的点

第五节群的积和商
直积 (注意不是等于号,而是同构符号)


陪集(不是子群或则群) 和正规子群

应该注意到
陪集不一定是G的子集;很显然,陪集的元素数量和子集是相同多的,元素是一一对应的。
正规子集既是群单位元入驻的陪集,也是商群的单位元,还是自然映射(f(a)=[a])的同态核
同态核


数字电路
数字电路知识前言
译码器和数据选择器的运用

CMOS管

第二章 组合逻辑
数据选择器
典型例子(应该记住有几个使能端)

双四选一

八选一

如何实现组合逻辑

易错点(同一行为一个数据输入端化简,注意D3和D2位置)
四选一

八选一

数据选择器的特点

译码器
译码器种类
(74138--3:8译码器,74LS139)
译码器功能总结

译码器的输出
译码器的输出段对应一个最小项的非

译码器的应用
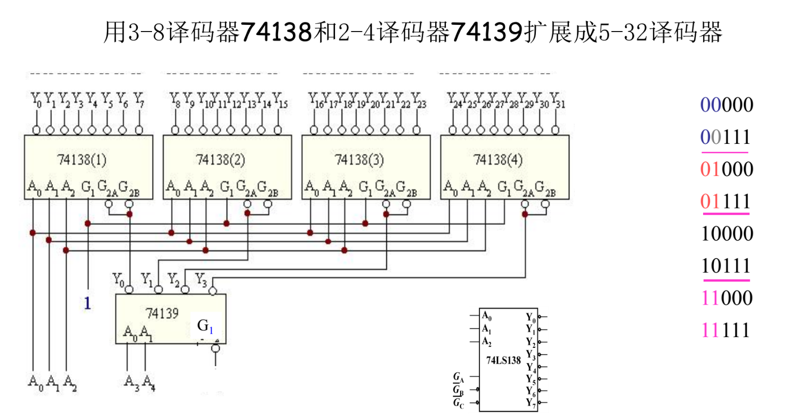
译码器的扩展(**地位由3-8译码器共用,多余高位(通过译码器或直接)用于片选输出端译码器使能端****)

地址译码

实现逻辑函数(直接用与非)

译码器作数据分配器(使能端变成数据输入端)

7端显示译码器(共阴级表示阴极已经接好)

显示译码器
可知测试均为低电平有效,LT低电平且熄灭BI高电平无效,灯全亮,RBO为输出端,与BI输入共用引脚)

74LS148

编码器
分类
二—十(其实叫做十—二进制优先编码更合适)

八——三进制编码器

真值表(注意第一行和第二行)

可以利用使能端扩容

例题


编码器总结

数值比较器
总结

级联输入只能有一个有为有效电平1 最高4位最后比较 (可以理解为优先级),多级比较,
加法器
题型
串行,并行,超前,
减法器(乘法器)

应用(例题)
实现8421码的二进制加法

奇偶校验器
74LS280基本功能:



竞争冒险
检查竞争冒险的常用方法:
逻辑表达式化简法:故对于输出端的逻辑函数在一定条件下能化简成:
Y=A+A’ , 存在 “0” 型竞争;
** Y=AA’** ,存在 “1” 型竞争;
的情况下,则判定一定有竞争冒险现象。
卡洛图法
即如果一个逻辑函数的表达式的卡洛图中所画圈没有重叠并且相切,则判定有竞争冒险。(本质上还是利用上面的方法,只是比较直观形象的判断)
对于以下卡洛图,左图存在竞争冒险,而右边图不存在竞争冒险

第三章时序逻辑
第一节 触发器
计算机系统与基础
第零章 cpu的组成结构
基本组成
CPU内部由ALU(算术逻辑单元)、CU(控制器)、寄存器
(PC、IR、PSW、DR、通用寄存器等)、中断系统组成,外部通过
总线与控制总线、数据总线、地址总线进行相连,对数据和程序进行相关的操作。

第一章数的储存
补码源码转换
补码=~(源码)+1
int 类型最大为 Tmin=0x7fffffff =(1<<31), 最小为 Tmax=0x80000000 =(1<<32)=Tmin+1;
数据类型转换规则
——低转高不会出现错误,高转低会出现精度丢失甚至错误。
double ← ── float 高
↑
long
↑
unsigned
↑
int ← ── char,short 低
第二章汇编语言机器指令
内存单位换算
寄存器种类
%rsp 栈顶指针(存储的是栈顶地址)
%rax 保存函数返回值 ,调用者保护。
%rbx %rbp callee saved 被调用者保护
%rdi %rsi %rdx %rcx %r8 %r9 按顺序使用共6个储存传递的参数
%rip 指令寄存器
leaq地址加载(说白了是一个乘法器) ——leaq (int *p ,%rdx=p, 设p值为x;不局限于地址,也可以用乘法)
leaq 7(%rdx ,%rdx,4),%rax = (%rax = 7 + 5*x);
结构体和联合体内存映射
结构体的内每个元素的的起始地址偏移量必须是该类型的整数倍数,对于末端,依然会补齐(由于结构体数组的下一个元素的类型需要补齐)
联合体共享同一储存空间(空间大小取决于最大数据空间)
栈的主要特点
由高地址向低地址生长。
函数的栈帧:当函数执行所需要的储存空间超出寄存器能够存放的大小时候,就会借助栈上的存储空间,这部分空间称为函数的栈帧。
缓冲区溢出
第三章
流水线硬件结构
存在错误仅供参考

概率论
第一章
主要内容
全概率公式和贝叶斯公式

比较好的例题





第二章
重点!!!!
二项分布和泊松分布以及其近似
指数分布
正态分布
二维正态分布的性质

数据结构
第五章数组与广义表
在广义表的表头表尾函数嵌套时,只用留意表头即可
树
基础知识
遍历
前序中序后旭指的是遍历过程中根节点的位置 ,遍历时从根节点开始递归的看
算法如下
void pre_order(TreeNode * Node)//前序遍历递归算法
{
if(Node == NULL)
return;
printf("%d ", Node->data);//显示节点数据,可以更改为其他操作。在前面
pre_order(Node->left);
pre_order(Node->right);
}
void middle_order(TreeNode *Node)//中序遍历递归算法
{
if(Node == NULL)
return;
middle_order(Node->left);
printf("%d ", Node->data);//在中间
middle_order(Node->right);
}
void post_order(TreeNode *Node)//后序遍历递归算法
{
if(Node == NULL)
return;
post_order(Node->left);
post_order(Node->right);
printf("%d ", Node->data);//在最后
}
前序中序后序遍历已知其中两种遍历,求第三个遍历
具体求法control+点击 求法链接
节点和度
所有节点的度数之和+1=总节点数
对于二叉树: 叶节点数=节点数(度为2的节点)+1;
完全二叉树: 节点总数=2*叶节点树+(1或者2);
路径长度
- 路径:在一棵树中,从一个结点到另一个结点所经过的所有结点,被我们称为两个结点之间的路径
- 路径长度:在一棵树中,从一个结点到另一个结点所经过的“边”的数量,被我们称为两个结点之间的路径长度。
- 结点的带权路径长度:树的根结点到该结点的路径长度和该结点权重的乘积
- 树的带权路径长度:在一棵树中,所有叶子结点的带权路径长度之和,被称为树的带权路径长度,也被简称为WPL。
平衡树专题
推荐的学习视频链接 教学视频一 教学视频二(二叉平衡树的调整)



浙公网安备 33010602011771号