”书湘“网上书城数据库设计心得——什么队
前言
虽然在《数据库系统》这门课中学习过与数据库相关的知识,但是缺乏实战经验,没有过自己设计项目的数据库,所以这次数据库的设计也是一大难关。以下是我们团队的数据库设计过程中碰到的问题以及心得。
团队介绍
项目名称:“书湘”网上二手书城
指导老师:胡军
小组名称:什么队
小组组员:吴俊霖(PM)、蔡小鹏、龚青斯、彭河、周拉才让
背景:
学校内大多数同学在学期开始时都要从各大二手书平台上购买学期课程,而且购买到的课本存在到货慢、不符合大家要求(如版本号、出版社、作者有误等),另一方面,我们所购买到的书,大多都只需要用一学期,学期课程过后可能就不会再用,大多数同学都有想出手书的想法,但并没有特别方便的出手路径。实际上,当下存在的网络购书书平台也多的让人眼花缭乱,大家买书时可能因为自己所买具体书籍、价格等各方面考虑要浏览、权衡很多的购书平台。
数据库设计过程
初期
在项目需求确定的过程中,其实我们组就开始了对数据库的设计。最开始对实体、概念模型、逻辑模型都不清楚,就拿着各种各样的网上商城的网页和软件去照猫画虎,数据库里应该有一个用户表,表里应该有什么字段。完全不知道数据库设计流程是什么样子,就这样在纸本上定下了我们数据库最初的版本,漏洞百出(如果我们用这个版本去做项目,后期不知道得加多少东西,然后数据获取极度困难)
中期
在第八周,团队把需求完全确定了,编写了需求文档,我们按照需求文档的内容,在网上搜索资料,然后借鉴,再次设计了数据库(是的,再次设计),为项目系统构造出我们觉得最有的数据存储结构,对每张表的字段进行斟酌,并建立好数据库中的表结构及表与表之间的关联关系。
后期
对数据库进行整体优化,使得数据库在后期的迭代开发能够在尽可能不影响之前数据库的情况下,新增表与字段,以便于系统功能的添加。
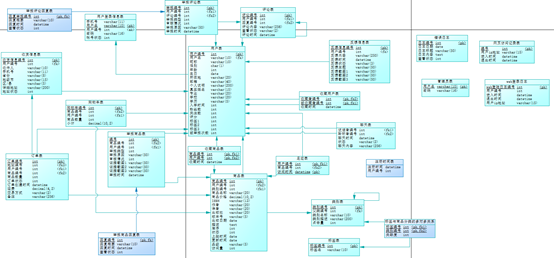
数据库E-R图的展示

数据库设计心得
在本次的项目中,我们组选择的是一个网上商城的项目,对于数据库的需求比较大,数据库的设计要尽可能的完整。对于我们来说是是一次尝试与突破,把学过的数据库的知识用于实践。
在设计的过程中,是一种从没有过的感受,在没有设计过数据库之前,不会很在意每一个网页的数据应该如何存放,觉得没什么。等到自己动手去做,如何存放的合理且使用起来高效,也是一门学问。加深了我们对数据库系统设计相关知识、powerdesigner的使用以及MySQL相关功能的理解。
在设计中我们基本能按照规范的方法和步骤进行,首先对现有的系统进行调查,并查阅有关资料,最后确定设计方案,然后设计并制作,实施过程中我们深刻的认识到认真执行管理系统软件标准的重要性,由于我们对管理系统软件相关的标准和规范不太了解,缺少行为操作准则,所以在设计中手法比较生硬,主与次也没能很好把握住,这些方面通过这次我们都要加强了解。
还有对于范式的理解,在常理来说我们的表中应该减少数据的冗余,但是这样会在我们后期需要大量的连表操作,麻烦又低效。适当的冗余数据,不仅可以使得数据库设计变得简单,也之后对数据库的操作简单、程序的效率也会高一些。
把可有可无的数据全部放入一个表中,可能有的表会不满足三范式(比如这里是否会员和所属协会显然是冗余的),但是不满足三范式的数据库不一定就是不好的,有时为了提高运行效率,就必须降低范式标准,适当保留冗余数据。具体做法是:在概念数据模型设计时遵守第三范式,降低范式标准的工作放到物理数据模型设计时考虑。降低范式就是增加字段,允许冗余,达到以空间换时间的目的。
浙公网安备 33010602011771号