Esp8266 进阶之路34 【外设篇③】乐鑫esp8266 NONOS SDK 3.0编程使用 SPI 驱动基于Max7219芯片的八位数码管,显示日期信息。(附带Demo)
Posted on 2019-03-22 17:00 CoreHouse 阅读(705) 评论(0) 收藏 举报- 本系列博客学习由非官方人员 半颗心脏 潜心所力所写,不做开发板。仅仅做个人技术交流分享,不做任何商业用途。如有不对之处,请留言,本人及时更改。
| 序号 | SDK版本 | 内容 | 链接 |
|---|---|---|---|
| 1 | nonos2.0 | 搭建开发环境,开始一个“hellow world”串口打印。 | 点我访问 |
| 2 | nonos2.0 | 利用GPIO开始使用按钮点亮你的“第一盏灯。 | 点我访问 |
| 3 | nonos2.0 | 利用 "软件定时器 " 定时0.5秒闪烁点亮一盏LED。 | 点我访问 |
| 4 | nonos2.0 | 用PWM控制一盏LED的亮度变化。 | 点我访问 |
| 5 | nonos2.0 | SDK高级使用之封装Post与Get请求云端,拿到“天气预报信息”。 | 点我访问 |
| 6 | nonos2.0 | 了解 SmartConfig与Airkiss一键配网,给8266配网上云端。无需把wifi名字密码写在固件里。 | 点我访问 |
| 7 | nonos2.0 | 了解 softAP热点配网模式原理,仿“机智云”定义自己的热点配网模式协议。 | 点我访问 |
| 8 | nonos2.0 | 你要找的8266作为UDP、TCP客户端或服务端的角色通讯,都在这了。 | 点我访问 |
| 9 | nonos2.0 | [小实战上篇]Windows系统搭建8266的本地Mqtt服务器,局域网点亮一盏LED灯。 | 点我访问 |
| 10 | nonos2.0 | [小实战下篇]Windows系统搭建8266的本地Mqtt服务器,局域网点亮一盏LED灯。 | 点我访问 |
| 11 | rtos2.0 | 接入阿里智能,点亮一盏LED灯,期待天猫精灵语音控制的不约而至! | 点我访问 |
| 12 | nonos2.0 | 图文并茂学习阿里云主机搭建8266MQTT服务器,实现移动网络远程控制一盏LED。 | 点我访问 |
| 13 | nonos2.0 | 动手做个8266毕设小案例,smartConfig + MQTT协议轻松实现远程控制一盏LED。 | 点我访问 |
| 14 | rtos2.0 | FreeRtos系统学习的正确姿势 ------ 环境搭建、烧录。 | 点我访问 |
| 15 | rtos2.0 | 接入阿里云平台非阿里智能的SDS服务,点亮一盏LED灯。 | 点我访问 |
| 16 | nonos2.0 | 基于Nonos移植红外线H1838,实现红外遥控器配网,远程控制一盏灯。 | 点我访问 |
| 17 | nonos2.0 | esp8266自研的快速上电开关五次 (开-关为一次) ,无需按键触发则8266进去一键配网模式。 | 点我访问 |
| 18 | nonos2.0 | 基于NONOS 实现 OTA 远程升级,实现无线“ 热修复 ”升级固件程序。 | 点我访问 |
| 19 | nonos2.0 | 驱动 ds18b20、dht11 温湿度传感器,采集温湿度传感器到服务器。 | 点我访问 |
| 20 | nonos2.0 | 深入学习esp8266的esp now模式,仿机智云做一个小网关,实现无需网络下轻松彼此连接通讯交互数据。 | 点我访问 |
| 21 | nonos2.0 | 浅谈 esp8266 如何在本地局域网网络情况下实现最大效率地和前端实现数据交互。 | 点我访问 |
| 22 | nonos2.0 | esp8266的工程如何添加第三方静态库文件以及如何自定义文件夹,聊聊那些makeFile的事 | 点我访问 |
| 23 | nonos2.0 | 再来一波 esp8266 基于 freeRtos系统连接自己私有的服务器实现OTA远程升级,接触下 lwip的基本知识。 | 点我访问 |
| 24 | nonos2.0 | 渗透学习回顾下esp8266的外置spi芯片25q系列,熟悉8266代码块在其的分布,得心应手放置图片或其他资料。 | 点我访问 |
| 25 | rtos2.0 | 深聊下esp8266的串口 Uart 通讯中断编程,为您准备好了 NONOS 版本 和 RTOS 系统的串口驱动文件。 | 点我访问 |
| 26 | nonos2.0 | RTOS分析 MQTT 实现过程,实现移植 MQTT协议在 esp8266 rtos实时系统,可断线重连。 | 点我访问 |
| 27 | rtos3.0 | 跟紧脚步,用VisualStudio Code开发 esp8266 rtos SDK v3.0版本,全新的 idf 框架,节省内存模块化开发。 | 点我访问 |
| 28 | rtos3.0 | 教你轻松自如使用cJson在乐鑫 esp8266 如何解析一段json数据以及如何生成一段json数据。 | 点我访问 |
| 29 | rtos3.0 | 百万条消息免费之使用TCP直连模式MQTT协议接入阿里云物联网平台,支持私家服务器对接支持阿里云规则引擎。 | 点我访问 |
| 30 | rtos3.0 | SDK编程使用 IIC总线驱动 0.96寸的OLED显示屏,显示天气预报信息。 | 点我访问 |
| 31 | rtos3.0 | 当esp8266遇到 Html,该怎么内置网页控制设备,理清内置网页的实现过程,实现无需路由器手机也可以控制esp8266。 | 点我访问 |
| 32 | rtos3.0 | 细聊HmacMD5的加密方法带来的安全性,并实践在esp8266上,最大保障传输的过程的信息的安全性。 | 点我访问 |
| 33 | rtos3.0 | 如何优雅地像乐鑫原厂封装esp8266底层寄存器的逻辑思维,做成自己的静态库库文件,让第三方人使用? | 点我访问 |
| 34 | nonos3.0 | 编程使用 SPI 驱动基于Max7219芯片的八位数码管,显示日期信息。 | 点我访问 |
| 35 | nonos3.0 | 借助机智云平台做一个商业化的七彩RGB灯泡可调整体方案项目,炫彩夺目高大尚。 | 点我访问 |
| 36 | rtos3.0 | 认识Rtos 3.0 sdk 工程结构,如何向esp-idf工程靠近的,如何自定义头文件编译? | 点我访问 |
| 37 | rtos3.0 | 你要找的基本外设功能都在这里了,包括Gpio、Pwm 和 Uart 接口使用。 | 点我访问 |
| 38 | rtos3.0 | 一篇文章带你搞掂存储技术 NVS 的认识和使用,如何利用NVS保存整型、字符串、数组以及结构体。 | 点我访问 |
| 39 | rtos3.0 | 带你捋一捋市面上的微信公众号配网智能设备 esp8266 并绑定设备的过程,移植并成功实现在 esp8266 rtos3.1 sdk。 | 点我访问 |
| 40 | rtos3.0 | 基于乐鑫idf框架,研究出超稳定、掉线重连、解决内存泄露问题的Mqtt框架!支持esp8266和esp32! | 点我访问 |
| 41 | rtos3.0 | esp8266-12模块基于rtos3.1版本ota功能远程空中升级固件,官网基础之上增加dns域名解析! | 点我访问 |
| 42 | rtos3.0 | 我又来了,基于rtos3.0版本 SDK编程 SPI 驱动 ws2812b 七彩灯,代码全部开源奉献给你们! | 点我访问 |
| 43 | rtos3.0 | 基于rtos3.0版本扫描周围获取附近可用的 Wi-Fi 热点路由器信息,同样适合esp32。 | 点我访问 |
| 44 | rtos3.0 | 整理分享那些我在项目中常用的esp8266 rtos3.0版本的常见驱动,Button按键长短按、PWM平滑调光等。 | 点我访问 |
| 45 | rtos3.0 | 内置仅1M的Esp8285,如何攻破最棘手的OTA问题,大大节省资源成本开发产品 | 点我访问 |
| 46 | rtos3.0 | 详细分析Esp8266上电信息打印的数据,如何做到串口通讯上电不乱码打印; | 点我访问 |
| 47 | rtos3.0 | 无需外网,如何实现在本地局域网与控制端做数据交换的一些开发经验; | 点我访问 |
| 48 | rtos3.0 | 迟来的1024程序员祝福,开源分享一个驱动 ds18b20 获取温度的工程。 | 点我访问 |
| 49 | rtos3.2 | aliyun sdk 直连接入阿里云物联网平台,实现天猫精灵找队友零配网功能和语音控制。 | 点我访问 |
| … | … | 持续更新,欢迎关注我,QQ群讨论群:434878850 |
- 很多人怎么联系我一起学习进步,下面打个小小公告和干货无偿分享:
玩转
esp8266带你飞、加群付费
esp8266源代码免费学习汇总(持续更新,欢迎star):https://github.com/xuhongv/StudyInEsp8266
esp32源代码免费学习汇总(持续更新,欢迎star):https://github.com/xuhongv/StudyInEsp32
一、前言。
- 前面我已经为大家分享了
esp8266驱动ds18b20、OLED等外设驱动,今天有幸给大家分享下一个使用spi驱动Max7219芯片的八位数码管!

二、认识MAX7219。
2.1 概述。
MAX7219/MAX7221是一种集成化的串行输入/输出共阴极显示驱动器,它连接微处理器与8位数字的7段数字LED显示,也可以连接条线图显示器或者64个独立的LED。其上包括一个片上的B型BCD编码器、多路扫描回路,段字驱动器,而且还有一个8*8的静态RAM用来存储每一个数据。只有一个外部寄存器用来设置各个LED的段电流。MAX7221与SPI™、QSPI™ 以及 MICROWIRE™相兼容,同时它有限制回转电流的段驱动来减少EMI(电磁干扰)。
一个方便的四线串行接口可以联接所有通用的微处理器。每个数据可以寻址在更新时不需要改写所有的显示。MAX7219/MAX7221同样允许用户对每一个数据选择编码或者不编码。整个设备包含一个150μA的低功耗关闭模式,模拟和数字亮度控制,一个扫描限制寄存
器允许用户显示1-8位数据,还有一个让所有LED发光的检测模式。
在应用时要求3V的操作电压或segment blinking,可以查阅MAX6951数据资料。
2.2 管脚配置。

- 其中,各个管脚如下说明:
| 管脚 | 名称 | 说明 |
|---|---|---|
| 1 | DIN | 串行数据输入端口。在时钟上升沿时数据被载入内部的 16 位寄存器。 |
| 2,3,5-8,10,11 | DIG 0–DIG 7 | 八个数据驱动线路置显示器共阴极为低电平。关闭7219 此管脚输出高电平,7221 呈现高阻抗。 |
| 4、9 | GND | 地线(4 脚和 9 脚必须同时接地)。 |
| 12 | LOAD | 载入数据。连续数据的后 16 位在 LOAD 端的上升沿时被锁定。 |
| 13 | CLK | 时钟序列输入端。最大速率为 10MHz.在时钟的上升沿,数据移入内部移位寄存器。下降沿时,数据从 DOUT端输出。对 MAX7221 来说,只有当cs 端为低电平时时钟输入才有效。 |
| 14-17,20-23 | SEG A–SEG G, DP | 7 段和小数点驱动,为显示器提供电流。当一个段驱动关闭时,7219 的此端呈低电平,7221 呈现高阻抗。 |
| 14-17,20-23 | DIN | 串行数据输入端口。在时钟上升沿时数据被载入内部的 16 位寄存器。 |
| 18 | SET | 串行数据输入端口。在时钟上升沿时数据被载入内部的 16 位寄存器。 |
| 19 | Vcc | 正极电压输入,+5V。 |
| 24 | DOUT | 串行数据输出端口,从 DIN 输入的数据在 16.5 个时钟周期后在此端有效。当使用多个MAX7219/MAX7221时用此端方便扩展。 |
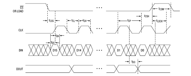
2.3 时序图。

对 MAX7219 来说,串行数据在 DIN 输入 16 位数据包,无论 LOAD 端处于何种状态,在时钟的上升沿数据均移入到内部 16 位移位寄存器。对 MAX7221 来说,无论数据输入或输出cs 必须为低电平。然后数据在 LOAD/ cs 的上升沿被载入数据寄存器或控制寄存器。LOAD/ cs 端在第 16 个时钟的上升沿同时或之后,下个时钟上升沿之前变为高电平,否则数据将会丢失。在 DIN 端的数据传输到移位寄存器在 16.5 个时钟周期之后出现在 DOUT 端。
在时钟的下降沿数据将被输出。数据位标记为 D0-D15(如下表示)。D8-D11 为寄存器地址位。D0-D7 为数据位。D12-D15 为无效位。在传输过程中,首先接收到的是 D15 位,是非常重要的一位(MSB)。

三、认识esp8266的spi。

esp8266有两组spi接口,但是第一组已经用来和flash芯片通讯了!所以我们只能用第二组也就是各引脚寄存器功能定义,12引脚为MISO(输入)引脚,13引脚为MOSI(输出)引脚,14引脚为CLK(时钟)引脚,15引脚为CS(片选)!所以我们如下显示接法:把MAX7219八位数码管显示模块的CS(LOAD)引脚接至Esp8266的15引脚,MAX7219八位数码管显示模块的CLK引脚接至Esp8266的14引脚,MAX7219八位数码管显示模块的DIN引脚接至Esp8266的13引脚!电源共地即可!!
四、代码如何使用。
esp8266的spi驱动代码我从GitHub下载的,具体的来源也忘了。。。。也就三个文件:spi.c、spi.h和spi_register.h;- 下面是一个一秒加1的程序示范:
LOCAL int flagTime = 0;
void ICACHE_FLASH_ATTR Led_Show_Time()
{
flagTime++;
int unitPlace = flagTime / 1 % 10;
int tenPlace = flagTime / 10 % 10;
int hundredPlace = flagTime / 100 % 10;
int thousandPlace = flagTime / 1000 % 10;
os_printf("个位:%d\n十位:%d\n百位:%d\n千位:%d\n", unitPlace, tenPlace, hundredPlace,thousandPlace);
//设置相应位显示的数字
spi_transaction(1, 0, 0, 8, 0x01, 8, unitPlace, 0, 0);
spi_transaction(1, 0, 0, 8, 0x02, 8, tenPlace, 0, 0);
spi_transaction(1, 0, 0, 8, 0x03, 8, hundredPlace, 0, 0);
spi_transaction(1, 0, 0, 8, 0x04, 8, thousandPlace, 0, 0);
spi_transaction(1, 0, 0, 8, 0x05, 8, 0, 0, 0);
spi_transaction(1, 0, 0, 8, 0x06, 8, 0, 0, 0);
spi_transaction(1, 0, 0, 8, 0x07, 8, 0, 0, 0);
spi_transaction(1, 0, 0, 8, 0x08, 8, 0, 0, 0);
}
void ICACHE_FLASH_ATTR user_init(void)
{
os_printf("SDK version:%s\n", system_get_sdk_version());
//spi引脚接口初始化,参数 1表示为HSPI
spi_init(1);
//译码方式:BCD码,第5个参数为译码寄存器地址,第7个函数为设置译码寄存器的命令,下面各语句类同,向指定寄存器发送(设置)数据
spi_transaction(1, 0, 0, 8, 0x09, 8, 0xff, 0, 0);
//亮度级别
spi_transaction(1, 0, 0, 8, 0x0a, 8, 0x0b, 0, 0);
//扫描界限;4个数码管显示
spi_transaction(1, 0, 0, 8, 0x0b, 8, 0x07, 0, 0);
//掉电模式:0,普通模式:1
spi_transaction(1, 0, 0, 8, 0x0c, 8, 0x01, 0, 0);
//显示测试:1;测试结束,正常显示:0
spi_transaction(1, 0, 0, 8, 0x0f, 8, 0x01, 0, 0);
os_delay_us(60000);
os_timer_disarm(&ShowTime);
os_timer_setfn(&ShowTime, (os_timer_func_t *)Led_Show_Time, NULL);
os_timer_arm(&ShowTime, 1000, 1);
}
- 效果如下:
![在这里插入图片描述]()
- 很多人怎么联系我一起学习进步,下面打个小小公告和干货无偿分享:
玩转
esp8266带你飞、加群付费
esp8266源代码免费学习汇总(持续更新,欢迎star):https://github.com/xuhongv/StudyInEsp8266
esp32源代码免费学习汇总(持续更新,欢迎star):https://github.com/xuhongv/StudyInEsp32
- 本博文的工程固件下载,非源码:https://download.csdn.net/download/xh870189248/11050031
- 因为博客的部分图片存储服务需要续费!本博文的工程源码下载,所以收点小费!多谢支持!源码付费下载链接:http://www.demodashi.com/demo/15148.html
- 至于在哪买这个模块,大家在某宝买就可以了:



浙公网安备 33010602011771号