会员
众包
新闻
博问
闪存
赞助商
HarmonyOS
Chat2DB
所有博客
当前博客
我的博客
我的园子
账号设置
会员中心
简洁模式
...
退出登录
注册
登录
拨开迷雾,刻下痕迹
转载请注明出处
博客园
首页
新随笔
联系
订阅
管理
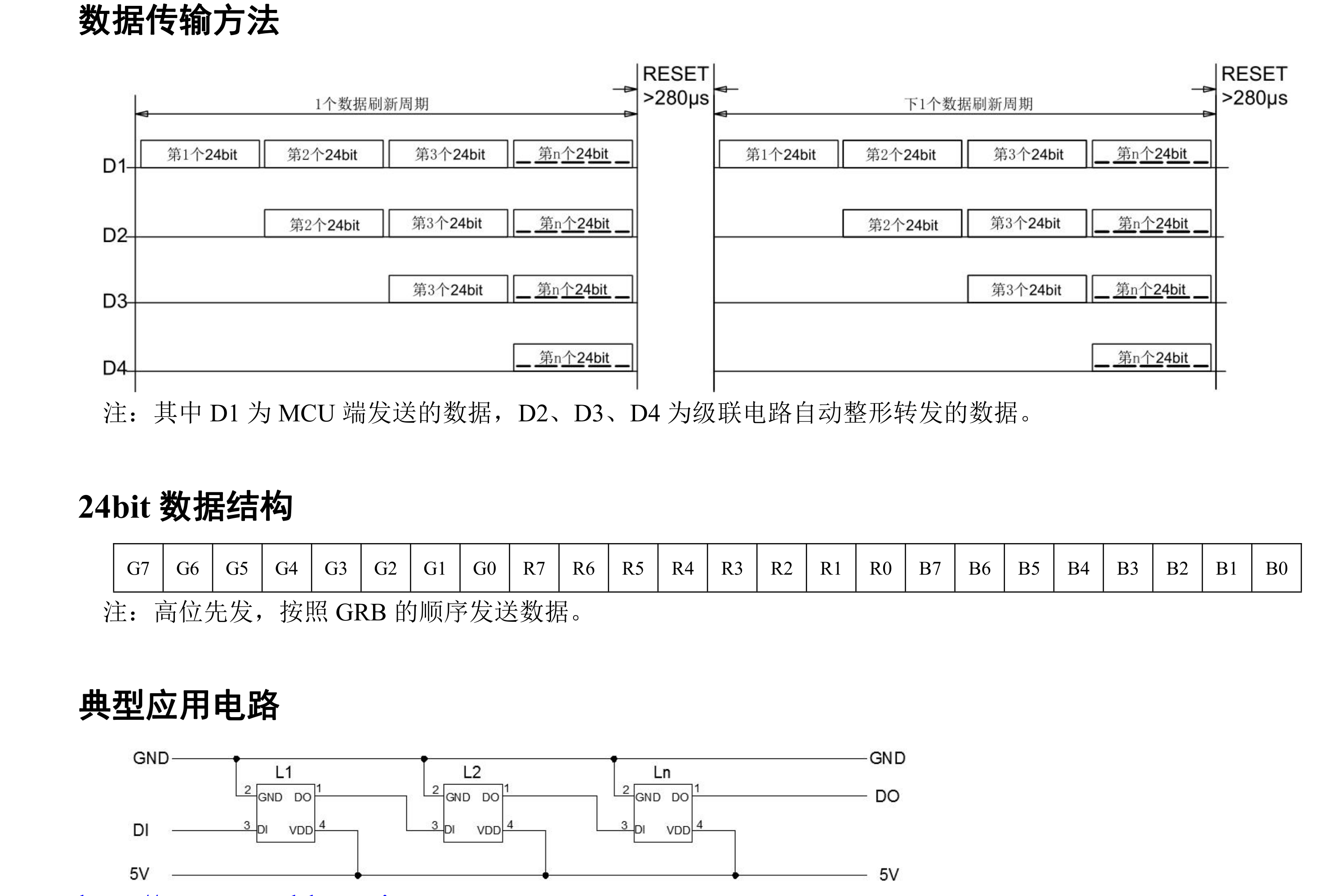
ws2812灯珠
通信协议
本文来自博客园,作者:
cynety
,转载请注明原文链接:
https://www.cnblogs.com/connection0x00/p/18935435
posted @
2025-06-18 22:19
cynety
阅读(
6
) 评论(
0
)
收藏
举报
刷新页面
返回顶部
公告