详细介绍:基于 AT89C51 的 LCD 时钟(带校准 + 按键设置)—— 硬件 + 源码详解(普中51开发板可以直接使用程序,后附带项目源文件)
一、项目概述
这个时钟实现了以下功能:
- 实时显示
时:分:秒,区分设置模式(SET)和运行模式(RUN); - 按键控制:
加/减调整时间、确认切换设置项 / 退出设置、重置恢复初始时间; - 走时校准:通过补偿值调整计时精度,解决晶振误差问题;
- LCD1602 双行显示:第一行显示时间 + 模式,第二行显示校准值 + 设置提示。
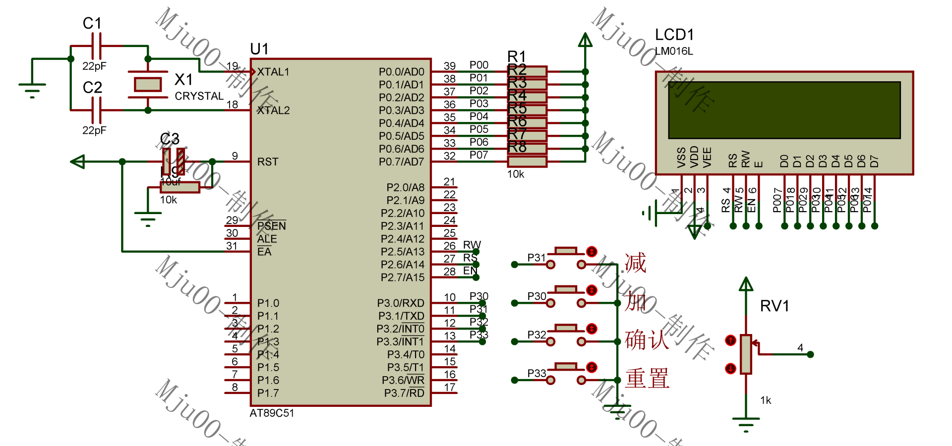
二、硬件电路设计
电路图核心模块如下:

2.1 单片机最小系统
- 主控:AT89C51;
- 晶振电路:11.0592MHz 晶振(X1)+ 22pF 电容(C1、C2),保证串口 / 定时器时序稳定;
- 复位电路:10K 电阻 + 电容(C3)实现上电复位,搭配手动复位按键。
2.2 LCD1602 显示模块
- 数据口:LCD 的 D0~D7 接单片机 P0 口(P0.0~P0.7);
- 控制口:RS=P2^6、RW=P2^5、EN=P2^7;
- 对比度调节:电位器 RV1 接 LCD 的 VO 引脚,用于调整显示清晰度。
2.3 按键输入模块
所有按键采用上拉输入(接地式),对应引脚:
- 加按键:P3^0;
- 减按键:P3^1;
- 确认按键:P3^2;
- 重置按键:P3^3(最高优先级,任何时候按下都能复位时间)。
三、软件程序设计
代码基于 Keil C51 编写,采用模块化设计,核心模块解析如下:
3.1 核心模块解析
3.1.1 LCD1602 驱动模块
负责 LCD 的初始化、写指令、写数据,是显示功能的基础:
// 写LCD指令(控制显示模式、光标等)
void write_com(uchar com) {
P0 = com;
RS=0; RW=0; EN=1; // RS=0表示写指令
delay(1);
EN=0; // 拉低EN完成写入
}
// 写LCD数据(显示字符)
void write_dat(uchar dat) {
P0 = dat;
RS=1; RW=0; EN=1; // RS=1表示写数据
delay(1);
EN=0;
}
// LCD初始化:8位数据、2行显示、5*7点阵
void lcd_init() {
write_com(0x38);
write_com(0x0C); // 开显示、关光标
write_com(0x06); // 写数据后光标右移
write_com(0x01); // 清屏
}
3.1.2 定时器 0 计时模块
利用定时器 0 实现1ms 基准延时,累计到 1 秒后更新时间,同时支持走时校准:
void timer0_init() {
TMOD |= 0x01; // 定时器0工作在16位模式
TH0 = 0xDB; // 11.0592MHz下1ms初值:TH0=0xDB, TL0=0xF8
TL0 = 0xF8;
ET0 = 1; // 使能定时器0中断
TR0 = 1; // 启动定时器
EA = 1; // 开总中断
}
// 定时器0中断服务函数(1ms触发一次)
void timer0_isr() interrupt 1 {
static uint cnt = 0;
uint target_cnt = 100 - calib_comp; // 校准后1秒的计数阈值(基准100次=1秒)
TH0 = 0xDB; TL0 = 0xF8; // 重装初值
target_cnt = (target_cnt <80?80:(target_cnt>120?120:target_cnt)); // 限制校准范围
if(++cnt >= target_cnt) {
cnt = 0;
if(!set_flag) { // 仅运行模式更新时间
if(++second >=60) {second=0; if(++minute>=60){minute=0; if(++hour>=24)hour=0;}}
}
}
}
- 校准原理:通过
calib_comp调整target_cnt(比如calib_comp=-2时,target_cnt=102,实际 1 秒≈1.02ms,抵消晶振偏慢问题)。
3.1.3 按键处理模块
采用延时消抖解决按键机械抖动问题,实现时间设置逻辑:
// 按键消抖(以加按键为例)
uchar add_key_debounce() {
if(KEY_ADD == 0) {
delay_us(20000); // 20ms消抖延时
if(KEY_ADD == 0) {
while(!KEY_ADD); // 等待按键松开
return 1;
}
}
return 0;
}
// 时间设置逻辑
void time_set() {
if(add_key_debounce()) { // 加按键:调整当前设置项
switch(set_step){case0:hour=(hour+1)%24;case1:minute=(minute+1)%60;case2:second=(second+1)%60;}
}
if(sub_key_debounce()) { // 减按键:调整当前设置项
switch(set_step){case0:hour=hour?hour-1:23;case1:minute=minute?minute-1:59;case2:second=second?second-1:59;}
}
if(confirm_key_debounce()) { // 确认按键:切换设置项/退出设置
if(++set_step>=3){set_step=0; set_flag=0;}
}
}
四、功能演示
- 上电启动:进入设置模式(显示
[SET]),默认时间00:00:00,提示设置HOUR; - 时间设置:按
加/减调整小时→按确认切换到分钟设置→再确认切换到秒→再确认进入运行模式(显示[RUN]); - 走时校准:修改代码中
calib_comp值(比如+3加快走时、-2减慢走时); - 重置功能:任何时候按
重置,时间恢复00:00:00并回到设置模式。


五、项目常见错误与解决方案
1.走时不准调整程序中的char calib_comp = -2; 即可目前是-2,根据走时快慢调整,慢则增大数字,快则降低数字。
2.按键功能异常:按键检测需要长按按下才有效果,避免误触
问题 1:按键无响应
现象:按加 / 减 / 确认键,时间无变化、模式不切换;原因 & 解决方案:
- 原因 1:按键消抖延时过短 / 过长;→ 调整
DEBOUNCE_DELAY(推荐 20000~50000,对应 20~50ms); - 原因 2:按键引脚定义错误(如 KEY_ADD 接 P3^1 而非 P3^0);→ 核对硬件接线与代码
#sbit定义; - 原因 3:按键未接下拉 / 上拉(代码用 “低电平有效”,但硬件未接地);→ 确保按键一端接引脚,一端接 GND(上拉输入)。
浙公网安备 33010602011771号