Soft start to eliminate current peak of totem Boost PFC circuit
2025-09-16 09:49 斑鸠,一生。 阅读(210) 评论(0) 收藏 举报一、工作原理

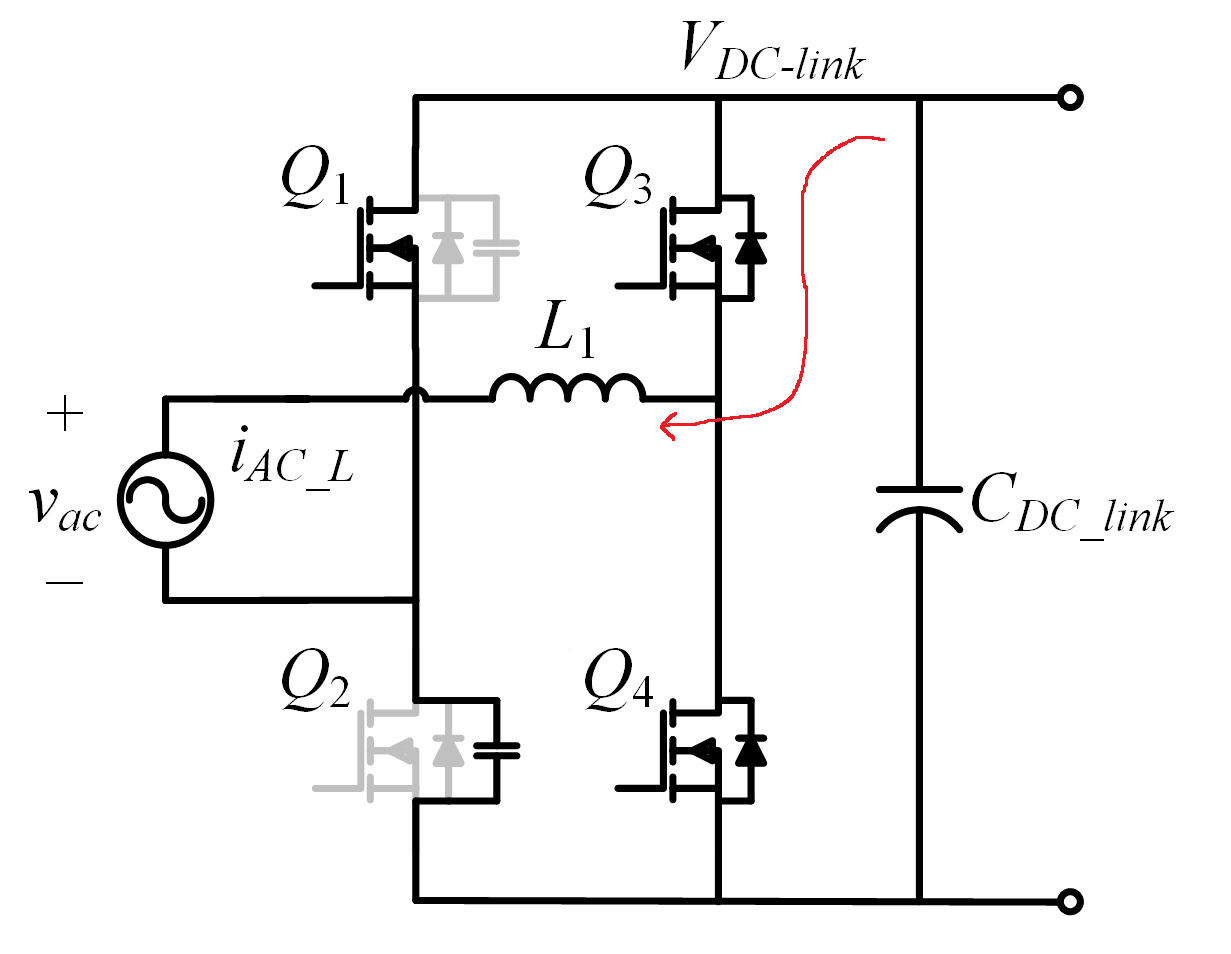
在正半周期中,慢管Q2导通,Q1关断;快管Q4成为主动开关管,Q3则作为同步管。
在负半周期中,慢管Q1导通,Q2关断;快管Q3成为主动开关管,Q4则作为同步管。
Q4与Q3的驱动信号呈互补关系,确保Boost升压过程的正常运行。
基本原理跟Boost PFC类似。慢管Q1,Q2只是输入电压换向时才切换。
二、电流尖峰产生原因

2.1 过零点死区时间不合适
以从负半周期向正半周期的过渡过程为例:在负半周期,慢管Q1保持导通,Q2关断;而进入正半周期后,Q2导通,Q1关断。
死区时间过短,此时若Q1刚关断,Q2又过早导通,由于Q1体二极管存在较慢的反向恢复效应,可能导致慢管桥臂瞬间直通。
死区时间过长,电流在过零点附近将出现断流,导致输入电流波形畸变,尤其是三次谐波分量显著增加,从而恶化总谐波失真(THD)指标。
常见的工程设计上死区时间在150~200μs范围内。
2.2 开关管寄生电容
当输入电压从负半周向正半周切换后,Q1体二极管存在缓慢的反向恢复电流,且Q2存在较大的Coss,所有Q2的Vds 电压为Vout, Q4 占空比最大且接近1,此时电感电压接近于Vout + Vac, 此时造成上图标识1所示的电流尖峰。

2.3 Q3开关管SR模式
当输入电压从负半周向正半周切换后,电感正向电压Vin比较小,反向电压Vout比较大。
Q3此时作为同步整流管,有三种工作模式:
1.软启动导通
当Q4 软启动并限制最大导通占空比时,互补开关管Q3占空比即使为1-D,引起输出电容通过电感L、Q1,Q2结电容回路放电,造成上图标识2的负尖峰电流。
2.与Q4互补导通
当Q4 软启动并限制最大导通占空比时,互补开关管Q3占空比较大,引起输出电容通过电感L、Q1,Q2结电容回路放电,负尖峰电流更加明显。
3.二极管模式
在Q4软启动阶段,Q3工作在二极管模式可有效地避免输出电容放电。

2.4 Q2滞后Q4导通的时间过长

三、解决办法
3.1 改进控制方式一
改进控制方式一如下图所示:
第一阶段:过零点慢管快管全关断,控制逻辑上实现开关管与同步整流管逻辑交换。
第二阶段:Q4软启动,且Q3 处于二极管模式
第三阶段:Q4,Q3 正常闭环模式

下图是改进前后控制的对比,由图可知,相对于传统的控制,多了一个开关管软启动的过程。

3.2 改进控制方式二
改进控制方式一如下图所示:
第一阶段:过零点慢管快管全关断,控制逻辑上实现开关管与同步整流管逻辑交换。
第二阶段:Q4软启动,时间至Q1 反向恢复时间结束且Q2的Vds 将为零。
第三阶段:Q3软启动,时间至1-D为止,Q2导通。

四、改善效果
下图是使用改善控制方式1电流波形:

下图是使用改善控制方式1电流波形:

由图可见两种控制方式在过零点处电流波形均能明显改善。
浙公网安备 33010602011771号