LLC 驱动时序分析
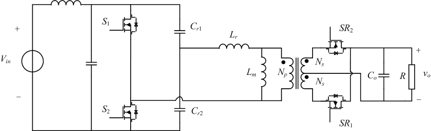
2025-09-02 14:53 斑鸠,一生。 阅读(308) 评论(2) 收藏 举报一、电路拓扑

二、驱动时序
LLC 变换器的控制分为启动,稳态,保护点,Fault 等状态。
在启动的时候是固定开关频率,调节占空比进行调节输出电压,实现软启动或者Ramp up等功能。
在过谐振的时候,Pri mos 和SR mos 均通过调频,且占空比约等于0.5来实现增益的调节。
在欠谐振的时候,Pri mos 和SR mos 通过调频,Pri mos的占空比约等于0.5,但SR mos 的导通时间固定来实现增益的调节。

在稳定的工作模式下,Pri mos 和SR mos 驱动时序通过一定的delay time 或者lead time来实现ZVS 或SR mos Vds 的降低,具体分析如下:

三、作用分析
开通时,SR mos 滞后原边主开关一定时间开通,让一部分电流流过SR mos 的体二极管。主要目的是,实现SR mos的ZVS。
关断时,SR mos 超前原边主开关一定时间关断,让一部分电流流过SR mos 的体二极管。主要目的是在大批量生产中,由于器件的公差,驱动时序有一定程度的抖动,确保SR mos在极端的情况下先于Pri mos关断,防止输出侧电流倒灌造成SR mos Vds尖峰和输出电压跌落。
结论是Pri mos 驱动高电平部分需要包住对应SR mos 高电平部分。
浙公网安备 33010602011771号