磁路-电路通用变换方法之电路对偶变换
2020-06-10 12:19 斑鸠,一生。 阅读(5080) 评论(6) 收藏 举报本文用于记录磁路转换为电路的公式适用情况及原理分析,以后深入使用提供理论基础。
一、磁路转电路转换原理

上图的对偶变换,符号不变的话容易引起公式混淆。为了看图更加直观,特重新表示如下:

电路对偶变换:简单来说就是串联变并联,电阻变电导,KCL变KVL,电压源变电流源...常用于电路等效变换中。
二、电感磁路转电路案例
下面以一个电感变换实例说明上面变换过程。

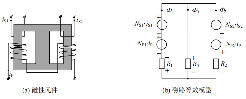
三、双绕组磁路转电路案例
下面以一个变压器变换实例说明上面变换过程。

四、四绕组变压器磁路转电路案例




五、小结
另外一种计算方法是用磁路,电路等效模型来计算,电路开路对应磁动势短路,电路短路对应于磁动势开路。这种等效分析方式的优点是:分析过程简单,且结果不含有磁通。
下面以一个使用两种计算方法为例,体会一下计算结果的差异。
例:图2a为一个双绕组多磁路结构。设柱1的截面积为Ae1,气隙长度为le1,柱3的截面积为Ae3,气隙长度为le3,中柱没有气隙。柱2的副边绕组匝数为N2,柱1的原边绕组匝数为N1。忽略磁芯的磁阻。
请写出与该磁路等效的变压器等效电路(如图2b)的各个参数,即变压器的激磁电感Lm,漏感Lk和变比n。

解法一:

根据端口等效的原理,分别对两个电路列回路方程和节点方程:

解得:

解法二:
分别计算磁路和电路模型,双端口分别开路短路的等效电路。

然后,分四种情况,分别计算端口在不同情况下的磁通量,再根据电感的定义,计算等效电感。
原边绕组激磁,副边绕组开路时等效电路如下:

原边绕组激磁,副边绕组短路路时等效电路如下:

副边绕组激磁,原边绕组开路路时等效电路如下:

副边绕组激磁,原边绕组短路路时等效电路如下:

联立解得:

------------------------------------------------------------------------------------------------------
通过对比,解法一与解法二的结果,可以发现:
1、解法二结果不含有磁通,解法一中的磁通应该是电路一个周期里面,磁通的有效值吧
2、解法二变比,不等于匝数比
浙公网安备 33010602011771号