想去码头整点薯条-数据库设计心得
数据库设计心得-想去码头整点薯条
一、背景
高校学生外出进行实习时,目前的管理方式主要是手工和传统纸质材料方式,非常耗费人力物力,同时存在纸质材料不易收集、数据管理与统计分析费时、过程难以监控预警等问题。
为改变传统纸质材料传递方式,提高管理工作效率,实现学生校外实习实践活动的有效预警和过程监管,设计开发一个基于微信小程序的企业实习管理系统,使应届实习学生可以通过企业实习管理系统选择校内导师、上交实习offer以及填写实习情况文档;校内导师可通过企业实习管理系统处理学生申请,管理学生以及对学生提交的文档进行审核评分;管理员可使用企业实习管理系统调节总体实习的时间范围节点来宏观调控实习进度,对实习学生、校内导师、实习信息、导师学生指导关系和管理人员进行管理,通过消息中心将相关信息及时通知给相关人员,以及通过统计分析功能整体把握实习情况。
- 需求分析
根据角色的不同,主要将功能划分到四个不同的角色身上,分别为:学生、校内导师、企业导师和管理员
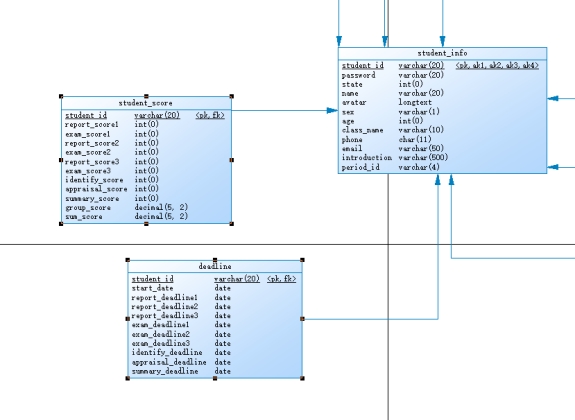
三、局部E-R设计
1.学生、校内导师、企业导师表单提交
第一个板块主要为三者之间各种表单的提交,也是本项目和核心功能所在
2.学生个人分数、文档提交
第二个模块主要为学生该角色单独参与的一些功能
3.管理员消息、统计管理
第三个模块主要为管理员、系统自身相关的一些功能
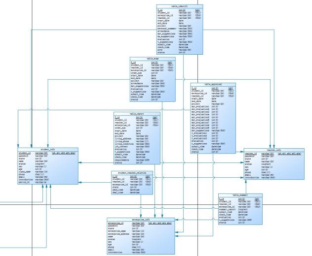
- 总体全局E-R图
- 设计心得
需求分析: 在设计数据库之前,确保对系统的需求有清晰的了解。了解业务规则、数据的关系和特性,以及未来可能的变化。这将有助于构建更灵活、可扩展的数据库。
规范化: 遵循数据库规范化原则,将数据分解为更小的、不重复的结构。这有助于减少冗余数据,确保数据的一致性和完整性。
性能考虑: 考虑数据库的性能需求,选择合适的索引、分区和缓存策略。合理设计表结构,避免复杂的查询和连接,以提高查询效率。
数据类型选择: 选择合适的数据类型来存储数据,以最小化存储空间的使用并提高性能。例如,选择适当的整数类型、字符类型和日期类型。
安全性: 确保数据库的安全性,采用适当的身份验证和授权措施。对敏感信息进行加密,防止SQL注入等安全威胁。
命名规范: 使用一致的、有意义的命名规范来命名表、列、索引等。这有助于他人更容易理解数据库结构。
备份和恢复策略: 制定有效的备份和恢复策略,确保在意外情况下可以快速恢复数据。定期测试和验证备份的完整性。
文档: 详细记录数据库设计决策和结构,包括表关系、字段含义、索引等信息。这将为团队成员提供有用的参考和理解。
版本控制: 使用版本控制系统管理数据库架构的变更。这有助于跟踪和回滚变更,同时提供了一个协作的平台。
定期优化: 定期评估数据库的性能,并进行必要的优化。监测慢查询,根据需求调整索引和查询语句,以确保数据库一直能够满足系统的需求。

浙公网安备 33010602011771号