给4G模组发AT,模组不返回问题排查
背景
周五时4g模组还好好的,周一再用时,给4G模组发送数据,模组不返回数据了!
原理

实验过程
准备了一个usb转串口模块,用usb转串口模块的rx引脚连接单片机发送引脚,此时单片机发送AT,usb转串口模块收到AT,说明程序发送成功;
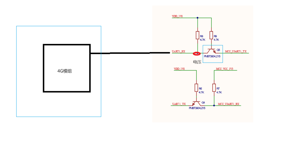
用usb转串口模块的rx引脚连接UART1_RX引脚,此时单片机发送AT,usb转串口模块收不到AT;
用usb转串口模块的tx引脚连接到UART1_RX引脚,用usb转串口模块的rx引脚连接到UART1_TX引脚,用电脑发送AT,电脑接收到AT,说明模组工作正常;
此时,断定是三极管坏了;换一个三极管后,问题依然存在,说明不是三极管的问题;
当时,我就蒙了;怎么回事,后来量电压,1.8v正常,UART1_RX端电压应该是1.8v,但是测量值是0.2v左右,这样的话,电压转换电路不正常了
总结
找问题时,一种方式可能找不到问题,可以从另一个角度发现问题;
如果,感到此时的自己很辛苦,那告诉自己:容易走的都是下坡路。坚持住,因为你正在走上坡路,走过去,你就一定会有进步。如果,你正在埋怨命运不眷顾,开导自己:命,是失败者的借口;运,是成功者的谦词。命运从来都是掌握在自己的手中,埋怨,只是一种懦弱的表现;努力,才是人生的态度。

浙公网安备 33010602011771号