分析流程图和活动图的区别与联系
|这个作业属于哪个课程|https://edu.cnblogs.com/campus/ahgc/AHPU-SE-19|
|这个作业要求在哪里|https://edu.cnblogs.com/campus/ahgc/AHPU-SE-19/homework/11473|
|这个作业的目标|分析流程图和活动图的区别与联系|
|学号|3170704324|
流程图的定义说明
以特定的图形符号说明,表示算法的图,称为流程图或框图。
流程图是流经一个系统的信息流、观点流或部件流的图形代表。在企业中,流程图主要用来说明某一过程。这种过程既可以是生产线上的工艺流程,也可以是完成一项任务必需的管理过程。
例如,一张流程图能够成为解释某个零件的制造工序,甚至组织决策制定程序的方式之一。这些过程的各个阶段均用图形块表示,不同图形块之间以箭头相连,代表它们在系统内的流动方向。下一步何去何从,要取决于上一步的结果,典型做法是用“是”或“否”的逻辑分支加以判断。
流程图是揭示和掌握封闭系统运动状况的有效方式。作为诊断工具,它能够辅助决策制定,让管理者清楚地知道,问题可能出在什么地方,从而确定出可供选择的行动方案。
流程图有时也称作输入-输出图。该图直观地描述一个工作过程的具体步骤。流程图对准确了解事情是如何进行的,以及决定应如何改进过程极有帮助。这一方法可以用于整个企业,以便直观地跟踪和图解企业的运作方式。
流程图使用一些标准符号代表某些类型的动作,如决策用菱形框表示,具体活动用方框表示。但比这些符号规定更重要的,是必须清楚地描述工作过程的顺序。流程图也可用于设计改进工作过程,具体做法是先画出事情应该怎么做,再将其与实际情况进行比较。
同时拥有以下属性:
1、有起止框、输入框、输出框、处理框 、流程线、连接点组成。
2、起止框:表示算法的开始或结束
3、输入\输出框:表示算法的输入和输出操作。输入操作是指从输入设备山过江算法所需要的数据传递给指定的内存变量;输出操作则是将常量或变量的值由内存贮器传递到输出设备。
4、处理框:算法中各种技术和赋值的操作均一处理框加以表示。处理框内填写处理说明或具体的算式。
5、判断框:算法中的条件判断操作。判断框说明算法中尝试了分支,需要根据某个灌水或提哦案件的成立与否来确定下一步的执行路线。判断框内应当填写判断条件,一般用关系比较运算或逻辑运算来表示。
6、注释框:表示对算法的走向,流程线箭头的方向就是算法执行的方向。
7、连接点:表示不同地方的流程图的连接。

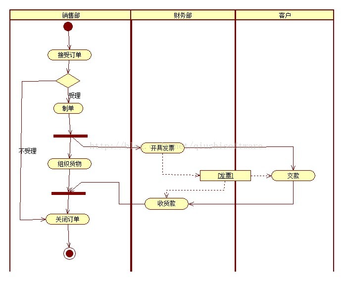
活动图的定义说明
工作流程活动图用于研究实现业务目标时所要执行的各项任务或活动的顺序安排。活动既可以是手动执行的任务,也可以是自动执行的任务。它可完成一个工作单元。
活动图是状态图的一种特殊形式。其中所有或多数状态都是活动状态,而且所有或多数转移都在源状态中的活动完成时立即触发。
一张活动图可以有多个开始状态和结束状态,一个活动可以与多个实体对象相关(相关指的是一种访问操作),分支用在有多条路径可选的流程中,针对不同的路径进行不同的分支处理。

流程图与活动图的区别
流程图着重描述处理过程,它的主要控制结构是顺序、分支和循环,各个处理过程之间有严格的顺序和时间关系。在结构化程序设计中,流程图用来描述一个程序的流程。活动图是UML用于对系统的动态行为建模的另一种常用工具,属于UML行为图的一种,用来对一个系统的动态行为建模。
活动图描述的是对象活动的顺序关系所遵循的规则,它着重表现的是系统的行为,而非系统的处理过程。
流程图与活动图的主要区别:
1.流程图与活动图类似,活动图支持并行活动。
2.流程图是面向过程的,而活动图是面向对象的。
流程图与活动图的联系
活动图本质上是一个流程图,只是更加抽象。

浙公网安备 33010602011771号