凡亿教育-PCB封装命名规范
注意:这份资料来自凡亿教育,可自由下载,本文转载时需注明来源。下载链接:https://www.bilibili.com/read/cv8752046
- 2021.9.20:以Markdown格式重新整理发布
一、常规器件
1. 常规电阻、电容、电感[(D)R/C/L]
命名举例:
贴片R0402/C0402/L0402,器件实体大小0402=40X20mil。
插件DR-15-11X4,DR:插件电阻,15:管脚中心距15mm,器件实体大小为11X4=11X4mm。


2. 排阻、排容[RA/CA]
命名举例:
RA8-0603/CA8-0603,器件实体大小0603=120X60mil,等效于4个0603电阻/电容。

3. 钽电容[TC]
命名举例:
TC3528,器件实体大小3528=3.5X2.8mm。

4. 铝电解电容[AEC]
命名举例:
贴片AEC-10X10-SM,AEC:铝电解电容,器件实体大小10X10=10X10mm,SM:贴装。
插件AEC-5-C10-TM,AEC:铝电解电容,5:管脚中心距5mm,器件实体直径大小为C10=10mm,TM:插装。


5. 功率电感[PL]
命名举例:
PL2-4X4-SM,PL:电感,2:2脚,器件实体大小为4X4=4X4mm。


6. 常规二极管[(D)D]
命名举例:
贴片D0603,器件实体大小为0603=60X30mil。
插件DD-2R5-6X2,DR:插件二极管,2R5:管脚中心距2.5mm,器件实体大小为6X2=6X2mm。



7. 发光二极管[LED]
命名举例:
LED0603,器件实体大小为0603=1.60X0.80mm。
LED4-4R5X3R2-SM,LED:发光二极管,4:4个管脚,器件实体大小为4R5X3R2=4.5X3.2mm,SM:贴装(TM:插装)。

8. 整流、稳压二极管[DO]
命名举例:
DO-214AA,为SMB器件命名,此类按器件型号命名。

9. 晶体管[SOT]
命名举例:
SOT23-3,SOT23:器件型号,3:管脚数。

10. 保险丝[FUSE]
命名举例:
FUSE-20X5R2-SM,FUSE:保险丝,器件实体大小20X5R2=20X5.2mm

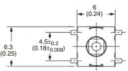
11. 开关[SW]
命名举例:
SW4-6X6R3-SM,SW:开关,4:4脚,器件实体大小6X6R3=6X6.3mm

12. 晶振[XTAL]
命名举例:
XTAL4-7X5-SM,XTAL:晶振,4:4脚,器件实体大小7X5=7X5mm

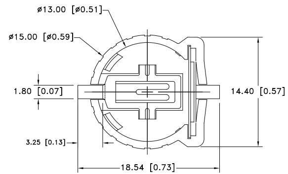
13. 电池/电池座[BAT]
命名举例:
BAT4-C15-SM,BAT:电池座,4:4脚,15=器件大小直径15mm

14. 整流器[REC]
命名举例:
REC4-5X4-SM,REC:整流器,4:4脚,器件实体大小为5X4=5X4mm

15. 滤波器[FIL]
命名举例:
FIL4-2X1R25-SM,FLT:滤波器,4:4脚,器件实体大小为2X1R25=2X1.25mm。

16. 继电器[RELAY]
命名举例:
RELAY8-14R8X7R3-SM,RELAY:继电器,8:8脚,器件实体大小为14R8X7R3=14.8X7.3mm

17. 变压器[TRANS]
命名举例:
TRANS24-17R53X13R97-SM,TRANS:变压器,24:24脚,器件实体大小为17R53X13R97=17.53X13.97mm

18. 蜂鸣器[BUZZ]
命名举例:
BUZZ-C17-TM,BUZZ:蜂鸣器,器件实体直径为17mm,TM:插件(SM:表贴)。

19. 麦克风[MIC]
命名举例:
MIC6-3X3R8-SM,MIC:麦克风,6:6个管脚,器件实体大小为3X3R8=3X3.8mm,SM:表贴(TM:插装)。

20. SOIC类型[SO/SSOP/TSSOP]
命名举例:
TSSOP8-0R65-3,TSSOP:封装型号,8:8脚,0R65=焊盘间距0.65mm,3=器件实体宽3mm。

21. SOJ类型[SOJ]
命名举例:
SOJ24-1R27-7R6,SOJ:SOJ封装型号,24:24脚,器件实体宽7R6=7.6mm。

22. PLCC类型[PLCC]
命名举例:
PLCC44,PLCC:封装型号,44:44脚。

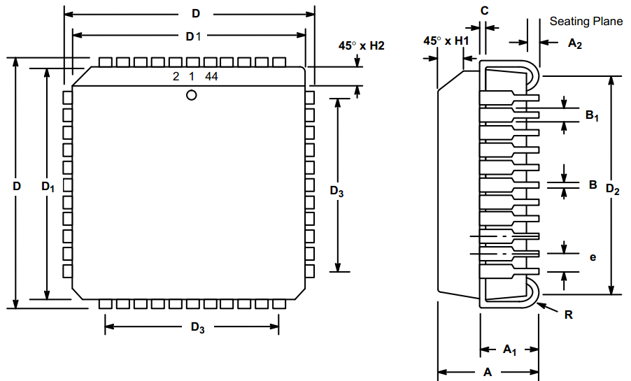
23. QFP类型[QFP]
命名举例:
QFP44-0R8-10X10,QFP:封装型号,44:44脚,焊盘间距0R8=0.8mm,器件实体大小为10X10=10X10mm。

24. QFN类型[QFN]
命名举例:
QFN24-0R5-4X4EP2R5X2R5,QFN:封装型号,24:24脚,焊盘间距0R5=0.5mm,器件实体大小为4X4=4X4mm,中间焊盘尺寸2R5X2R5=2.5X2.5mm。

25. BGA类型[BGA]
命名举例:
BGA361-0R8-16X16,BGA:球栅阵列器件,361:361脚,焊盘间距0R8=0.8mm,器件实体大小为16X16=16X16mm。

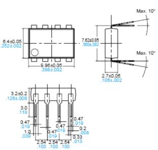
26. DIP类型[DIP]
命名举例:
DIP8-2R54-6R4,DIP:双列引脚元件,8:8脚,管脚间距2R54=2.54mm,器件的宽度尺寸6R4=6.4mm。

27. HDR连接器[HDR]
命名举例:
HDR1X6-2-TM-VM,HDR:插针式连接器,1X6:行X列,PIN的间距2=2mm,TM:插件(SM:表贴),V:直插(R:弯插),M:公座(F:母座)。

28. D-SUB连接器[DB]
命名举例:
DB25-2R77-10R28-VM,DB:D-SUB连接器,25:25脚,管脚间距2R77=2.77mm,实体宽度10R28=10.28mm,V:直插(R:弯插),M:公座(F:母座)。

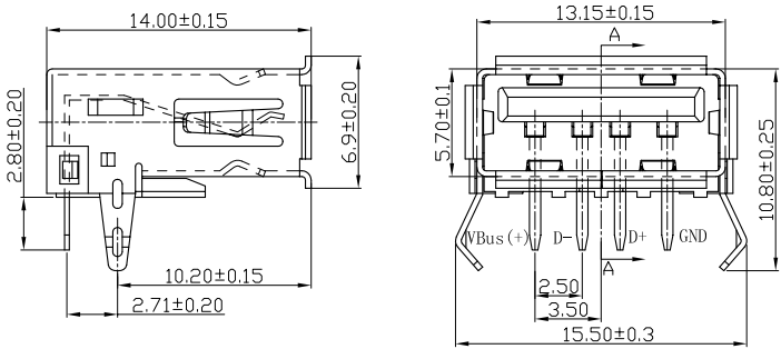
29. USB连接器[USB]
命名举例:
USB4-A-13R15X14-TM,USB:USB连接器,4:4脚,A:USB类型,器件尺寸大小13R15X14=13.15X14mm,TM:插件(SM:表贴)。

30. RJ连接器[RJ]
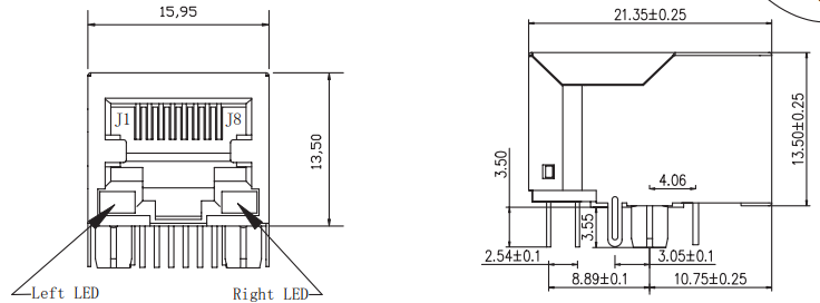
命名举例:
RJ8-16X21R35-TM-LED,RJ:网口、电话接口,8:8脚,器件尺寸大小16X21R35=16X21.35mm,TM:插件(SM:表贴),LED:带led灯的。

31. 欧式连接器[DIN]
命名举例:
DIN48-ABC-RF,DIN:欧式连接器,48:48脚,ABC:管脚序号为a、b、c,R:弯插(V:直插),F:母座(M:公座)。

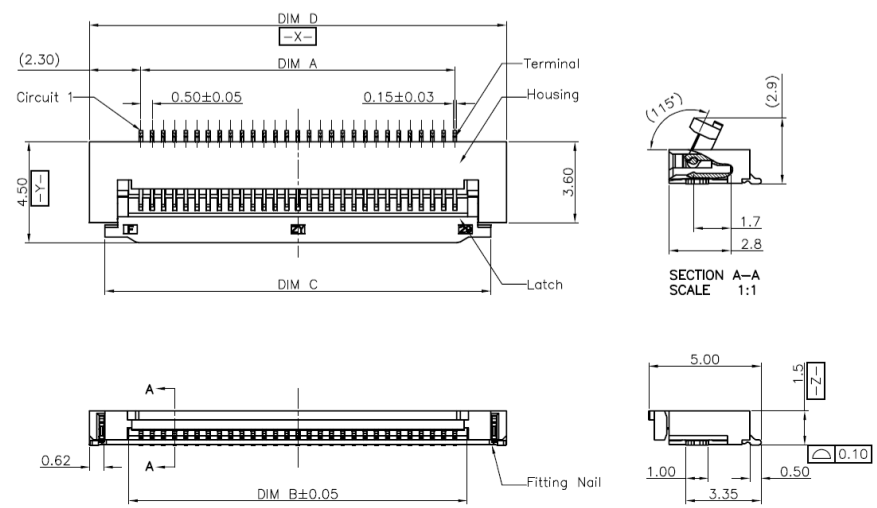
32. FPC连接器[FPC]
命名举例:
FPC10-0R5-9R1X4R5,FPC:FPC连接器,10:10脚,0R5:管脚间距0.5mm,器件实体大小为9R1X4R5=9.1X4.5mm。

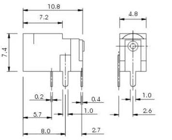
33. 电源插座[DC]
命名举例:
DC3-4R8X10R8-TM,DC:电源插座,3:3脚,器件实体大小为4R8X10R8=4.8X10.8mm,TM:插件(SM:表贴)。

34. 音视频连接器[AV]
命名举例:
AV5-13X20R8-TM,AV:音视频连接器,5:5脚,器件实体大小为13X20R8=13X20.8mm,TM:插件(SM:表贴)。

35. 高清输出连接器[HDMI]
命名举例:
HDMI19-15X12R15-SM,HDMI:高清输出连接器,19:19脚,器件实体大小为15X12R15=15X12.15mm,SM:表贴(TM:插件)。

36. SATA连接器[SATA]
命名举例:
SATA22-TM-VF,SATA:SATA连接器,22:22脚,TM:插件(SM:表贴),V:直插(R:弯插),M:公座(F:母座)。

37. 同轴电缆连接器[BNC]
命名举例:
BNC5-2R54-7X7-TM-V(R),BNC:同轴电缆连接器,5:5脚,2R54:管脚间距2.54mm,器件实体大小为7R0X7R0=7X7mm,TM:插件(SM:表贴),V:直插(R:弯插)。

38. 光模块[SFP]
命名举例:
SFP20-48R8X15R05-SM,SFP:光模块,20:20脚,器件实体大小为
48R8X15R05=48.8X15.05mm,SM:贴装(TM:插装)。

39. 电源模块[PWR]
命名举例:PWR11-50R8X8R5-TM,PWR:电源模块,11:11脚,器件实体大小为50R8X8R5=50.8X8.5mm,TM:插件(SM:表贴)。

40. 卡座[CARD]
命名举例:
SD-CARD8-14X15R2,SD-CARD:卡座类型,8:8脚,器件实体大小为
14X15R2=14X15.2mm。

41. 金手指[FINGER]
命名举例:
FINGER-PCIE-36,FINGER:金手指,PCIE:类型,36:36脚。

42. PCIE连接器[PCIE]
命名举例:
PCIE-1X-36,PCIE:PCIE连接器,1X:传输通道数,36:管脚数。

二、其他类
1. 安装孔[HOLE]
命名举例:
HOLE(-STAR)(-NPTH)-7-3R2,HOLE:孔,STAR:星月孔,NPTH:非金属化孔,7-3R2:焊盘直径大小为7mm,孔径大小为3.2mm。
2. 测试点[TP]
命名举例:TP(S)0R9,TP:测试点封装,0R9:孔径为0.9的通孔类型测试点,S:为单面测试点类型。
3. 丝印标识及其它杂类
命名方法:按各器件的实际名称及对应的尺寸进行命名,如ESD-15X15,ESD:防静电标识丝印,15X15,即占用面积为15X15mm。
三、焊盘命名[Allegro]
1. 贴片类
圆焊盘circle:SC+直径,如:SC1R00,即直径为1mm的圆焊盘。
方形焊盘rect:SR+长X宽,如:SR1R00X1R00,即长与宽都为1mm的方形焊盘。
椭圆形焊盘oblong:SOB+长X宽,如:SOB1R00X2R00,即长与宽为2mm、1mm的椭圆形焊盘。
2. 通孔类
圆焊盘通孔circle:C+焊盘直径+-+孔径,如C1R60-1R00,即焊盘直径为1.6mm,孔径为1mm的圆焊盘。
方焊盘通孔rect:R+焊盘长X焊盘宽+-+孔径,如R1R60X1R60-1R00,若长与宽相等,可缩写,如R1R60-1R00,即焊盘长与宽都为1.6mm,孔径为1mm的通孔方焊盘。
椭圆焊盘通孔oblong:OB+焊盘长X焊盘宽+-+孔径,OB1R60X1R60-1R00,即焊盘长与宽都为1.6mm,孔径为1mm的通孔椭圆焊盘。
3. 过孔
VIA+焊盘直径+-+孔径,如VIA16-8,即孔径为8mil,焊盘直径为16mil,
阻焊直径为22mil的塞孔过孔。
4. 热焊盘(Flash)
圆形焊盘热焊盘:FLASH焊盘外径-焊盘内径,如FLASH2r20-1r50,即内径为2.2mm,外径为1.5mm的热焊盘。
方形焊盘热焊盘:FLASH焊盘外径长X宽-焊盘内径长X宽,如FLASH3r20X2r50-2r20X1r50,即焊盘外径长为3.2mm,宽为2.5mm,焊盘内径长为2.2mm,宽为1.5mm的热焊盘。
5. 异形焊盘
PAD-封装名称-管脚序号,如PAD-SOT89-1,即封装名为SOT89,焊盘管脚为Pin1脚。
6. Shape
SH-封装名称-管脚序号,如SH-SOT89-1(-SM),即封装名为SOT89,焊盘管脚为Pin1脚。SM代表是阻焊用的Shape。

浙公网安备 33010602011771号