基于51单片机N76E003无线遥控器系统设计(毕设课设)
51内核新唐N76E003六通道遥控器,支持双向通讯,支持电压采集回传,低电量报警、设备失联报警、设备低电量报警、OLED显示屏UI显示、手动对频配对等,功能全面,测试稳定。可用于无人机、船、小车、机器人等的无线遥控。
遥控器常用操作说明:
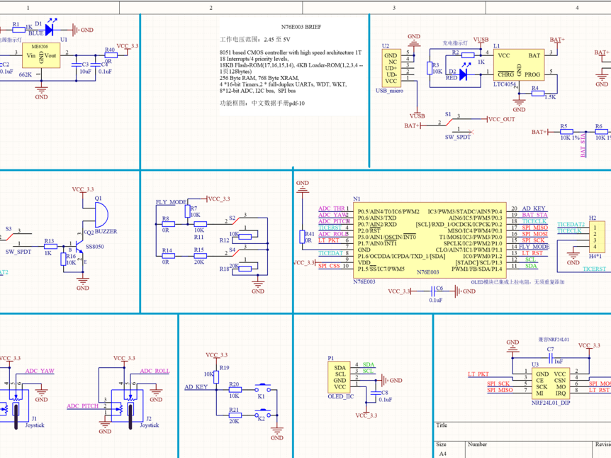
遥控器每次开机会启动设备自检,如果外设有不正常工作的会显示不正常的设备信息。遥控器除有两个摇杆电位器,左边摇杆上下不自动回中(左手油门),右边摇杆自动回中,分别对应CH1、CH2、CH3、CH4四个通道。还有两个拨动开关用来控制CH5、CH6通道。两个通道可以自由组合高低,一般用来控制运行模式。
左上方和右上方各有一个按键、分别是用来手动介入控制,目前加入了长按功能,分别对应界面UI的切换和进入配对模式的功能。短按没有写功能函数,用户可以在代码中自行修改。
蜂鸣器控制引脚是复用的下载口,所以在下载程序或者更新固件的时候需要把开关打到数据“DAT”端。在需要用蜂鸣器作为提示或者报警的时候只需讲开关拨回蜂鸣器“BEEP”端就可以了。蜂鸣器的提示声音分为1、2、3、4、5声,每种声音都代表一种功能性故障提示,如遥控器电池电量过低、遥控器与受控设备失联等等。
OLED屏幕上面可以显示遥控器与被控设备的一些相关信息。分别有遥控器与被控设备之前的通信质量、遥控器电池电压、被控设备电池电压、接收机电池电压、遥控通道舵量数据等。分别有图形界面和数据界面两种显示模式,显示模式可以通过按键切换。
【资源下载】下载地址如下(922):https://docs.qq.com/doc/DTlRSd01BZXNpRUxl




浙公网安备 33010602011771号