基于单片机的便携式超声波测厚仪的研制-protues仿真毕业设计
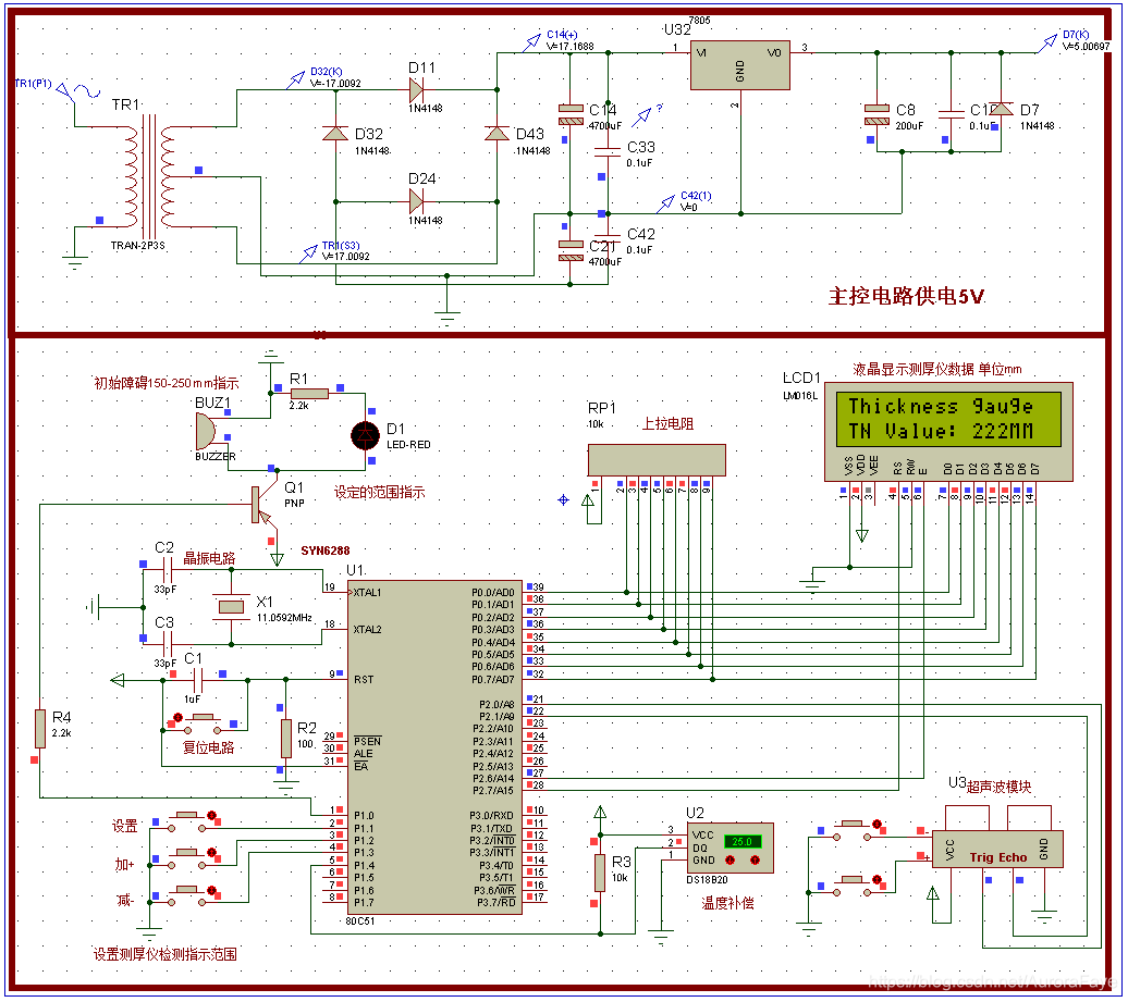
实时通过超声波检测厚度,可以通过按键设定提示范围。包括超声波传感器电路、液晶显示电路、电源电路、单片机电路、提示电路、温度补偿电路、按键电路等。

//宏定义
#define uchar unsigned char
#define uint unsigned int
#define ULint unsigned long int
//温度零上与零下的标志位
char flag=0;
//超声波
char flags=0;
//超声波距离
char flag1s=0;
//计算定时间
uint time=0;
//计算距离
ULint L_=0;
//温度
uint t_=0;
//显示模式 0正常 1最大值调整 2最小值调整
uchar mode=0;
uint Max=250;
uint Min=150;
//按键标志
uchar k=0;
//数值有误
uchar FW=0;
//头函数
#include <reg52.h>
#include <intrins.h>
#include "BJ_Key.h" //报警按键
#include "display.h" //显示头函数
#include "ultrasonic_wave.h"//超声波头函数
#include "DS18B20.h" //温度传感器头函数
//函数声明
void delayms(uint ms);
//主函数
void main()
{


浙公网安备 33010602011771号