基于STM32单片机实现多功能MP3播放器系统设计
本项目是基于STM32F103来制作一个多功能MP3,除了可以实现MP3播放的基本功能之外,同时拥有丰富并实用的外扩功能,整个系统的功能包括:MP3播放功能、收音机功能、图片播放功能、温度计功能、彩色台灯功能、功率放大功能、万历年功能、闹钟功能、游戏功能、电子书功能。
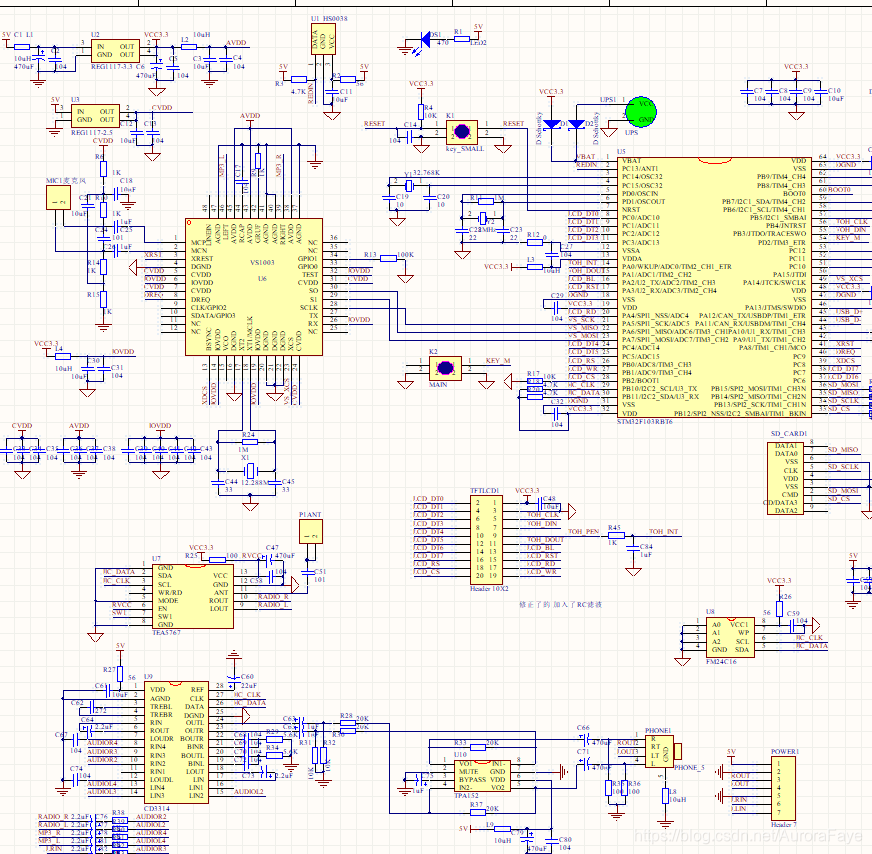
整个系统主要由音频解码部分、收音机部分、音效处理部分、SD卡部分、功率放大、电源部分、人机交互等几个部分组成,整个系统由一块MCU(STM32F103RBT6)控制运行,各个部分协调运作,人机交互部分采用LCD和触摸屏实现,输出部分采用2.4寸的240*320的彩色液晶实现,输入部分主要采用触摸屏实现,使本系统更具人性化。




浙公网安备 33010602011771号