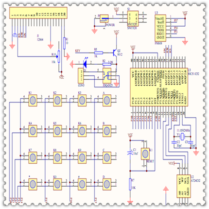
基于单片机指纹密码锁毕业设计资料-毕设课设资料
【资源下载】下载地址如下1553:
https://docs.qq.com/doc/DTlRSd01BZXNpRUxl


#include <reg52.h>
#include <intrins.h> //包含头文件
#include"24C0x.h" //包含24C02函数
#include"LCD12864.h" //包含液晶函数
#define uchar unsigned char
#define uint unsigned int //宏定义
#define buffer1ID 0x01
#define buffer2ID 0x02
#define queren 0x88 //确认
#define tuichu 0x85 //退出
#define shanchu 0x82 //删除
#define User 1 //用户
void fan(); //主界面刷指纹管理员函数
sbit B0=B^0;
sbit B7=B^7;
sbit k2=P3^7; //指纹模块
sbit jidianqi=P3^6; //继电器
extern unsigned char times[];
uchar Member=0,sec;
uchar code buffer[User][6]=
{
{"000000"}
};
uchar dz[4];
uchar time[4];
uchar mima[6];
uchar mimag[6];
uchar mimaID[6]={1,2,3,4,5,6};
uchar Address1=20,tempx=20;
uchar Address2=20;
uchar data K;


浙公网安备 33010602011771号