1、测试报告编写的目的

告诉大家本次迭代能不能上线,上线的理由是什么,不能上线的理由是什么?

2、测试报告的责任心

可以上线(要对这句话负责->上线没有严重的问题)

3、测试报告的要素(7个)

✨测试概述:版本,测试时间,测试参与人,备注

✨新功能测试结果:本次迭代新功能测试的结果(只有一个结果就是通过/pass)

✨系统已有功能测试结果

✨系统核心流程测试结果

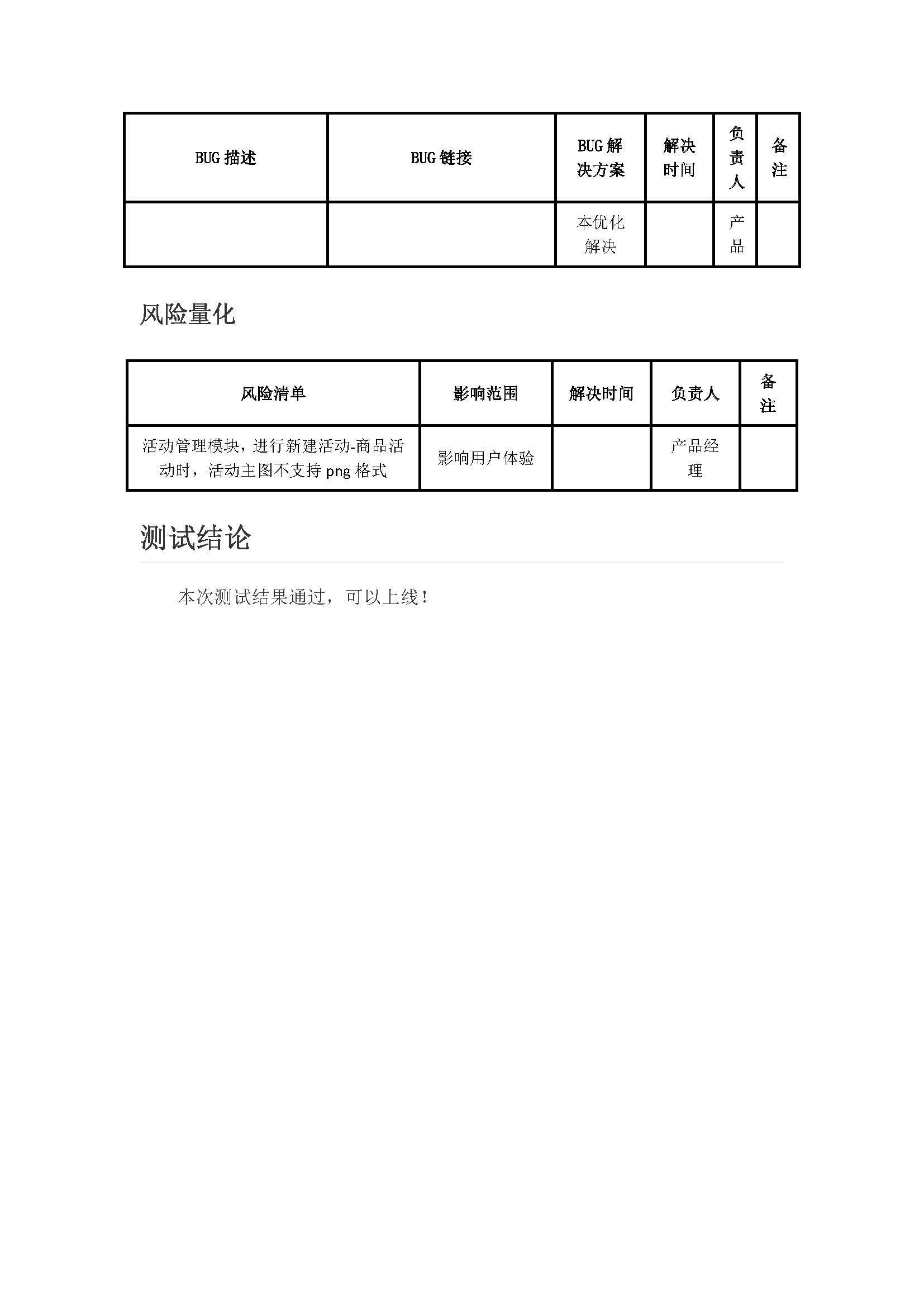
✨缺陷分析(总共有多少个BUG,解决了多少个,解决率是多少,未解决多少个)

✨测试风险分析

✨测试结果

4、编写测试报告的示例