从理论到实践:O₃/H₂O₂微纳米气泡体系高效降解布洛芬的机理、性能与工程化启示
在当今水处理领域,以药物和个人护理品(PPCPs)为代表的新兴污染物已成为严峻挑战。布洛芬作为一种广泛使用的非甾体抗炎药,在水体中频繁检出,其环境持久性与潜在生态风险备受关注。传统水处理工艺对其去除有限,因此,发展高效、快速、环境友好的高级氧化技术(AOPs)至关重要。本文将深入解析一项前沿研究:如何利用臭氧微纳米气泡耦合过氧化氢(O₃/H₂O₂)体系,在分子层面阐明布洛芬的降解机理,并展示其卓越的实际应用性能。这项研究不仅为污染物控制提供了新方案,其系统性的研究方法——从实验构建到理论计算(DFT)——也为环境工程与计算化学的交叉应用提供了绝佳范例,其思路甚至可启发我们在用Python或Go语言进行复杂系统建模时的架构设计。
一、 技术核心:创新实验系统与反应机理深度解析
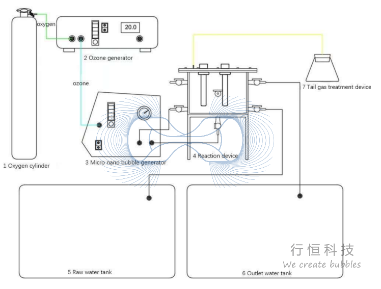
本研究成功构建了一套耦合臭氧微纳米气泡与过氧化氢的高级氧化实验系统。该系统的精妙之处在于,它并非简单地将两种氧化剂混合,而是通过微纳米气泡发生器创造了一个超高传质效率的反应界面。这类似于在软件开发中,我们通过优化算法(如C++中的内存管理或Go语言的并发模型)来提升程序性能,本系统则通过优化气液传质这一“瓶颈”来极大提升整体反应速率。下图清晰地展示了这一完整反应系统的构成与流程:

臭氧以微纳米气泡形式注入,其直径极小、比表面积巨大、在水中停留时间长,这从根本上解决了臭氧溶解度低、传质慢的经典难题。这种“界面工程”的思想,与我们在Web开发中利用TypeScript构建类型安全的清晰接口,以确保数据高效、准确传输的理念不谋而合。
二、 性能基石:微纳米气泡特性与系统参数优化
微纳米气泡的传质优势是本研究取得高效降解的关键。如下图所示,与传统毫米级气泡相比,微纳米气泡体系能更快地达到并维持更高的水中臭氧浓度,这直接转化为更强大的氧化能力。这种对核心“性能指标”(臭氧浓度)的实时监控与优化,好比我们用JavaScript图表库动态展示应用性能数据,以指导优化决策。

研究团队对系统运行参数进行了精细优化,这是任何技术从实验室走向工程应用的必要步骤:
- O₃:H₂O₂摩尔比:实验发现,当比例为6:1时,布洛芬的去除效率达到峰值94.75%。这体现了两种氧化剂的协同效应,H₂O₂有效促进了O₃分解产生更具攻击性的羟基自由基(•OH)。
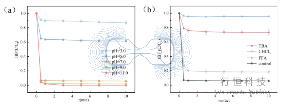
- pH值影响:反应体系对pH敏感。如下图所示,在中性至弱碱性条件(pH=7)下处理效果最佳。这背后是•OH生成路径的化学平衡在起作用。理解这种“环境依赖”,就像明白Python的某个库在特定版本下性能最优一样重要。

[AFFILIATE_SLOT_1]
三、 机理透视:从分子轨道计算到降解路径追踪
本研究超越了简单的现象观察,深入到了分子反应机理层面,这得益于密度泛函理论(DFT)计算与实验的紧密结合。
1. 活性物种鉴定:通过自由基淬灭实验明确证实,羟基自由基(•OH)是降解布洛芬的主要活性物种,其贡献远超臭氧分子本身的直接氧化。单线态氧和超氧阴离子起辅助作用。这好比在复杂系统中(例如一个微服务架构)定位核心服务。
2. 反应位点预测:研究人员利用DFT计算了布洛芬分子的前沿轨道分布和原子电荷。如下图所示的计算结果(分子结构优化与静电势分布)清晰显示,苯环上的特定碳原子(如C3, C6)以及羧基是电子云密度较高、最容易受到亲电试剂(如•OH)攻击的“薄弱环节”。

这种基于量子化学计算的“漏洞扫描”,与网络安全中通过代码审计(如用静态分析工具检查JavaScript或TypeScript代码)寻找潜在安全风险点,在逻辑上高度相似。
3. 完整降解路径解析:结合液相色谱-质谱(LC-MS)对中间产物的鉴定,研究绘制出了布洛芬详细的降解路径图。如下图所示,布洛芬主要经历羟基化、脱羧、开环等一系列反应,最终生成小分子有机酸,并进一步矿化为CO₂和H₂O。

四、 安全评估与实际应用潜力
一项技术的环境友好性,不仅看母体污染物的去除率,更要关注其转化产物是否更安全。
生态毒性评估:对鉴定出的13种主要中间产物进行了毒性预测。令人鼓舞的是,如下图所示,超过70%的中间产物毒性低于布洛芬本身,或表现为低毒/无毒。这表明O₃/H₂O₂微纳米气泡体系不仅能高效“破坏”,还能实现有效的“解毒”。

实际水体验证:技术的抗干扰能力和实用性是最终试金石。研究将体系应用于不同处理阶段的实际水体(原水、过滤水、出厂水)。结果(如下图所示)令人印象深刻:布洛芬的去除率均高达99.4%以上,证明该技术对复杂水质基质(如天然有机物、无机离子)具有强大的抗干扰能力,具备直接应用于实际水处理的巨大潜力。

[AFFILIATE_SLOT_2]
五、 总结与展望:一项技术的多维启示
本研究关于O₃/H₂O₂微纳米气泡体系降解布洛芬的工作,为我们提供了一个从基础研究到应用验证的完整技术范例。其核心价值与启示可总结如下:
- 高效性:30秒内去除率超92.8%,展现了微纳米气泡技术带来的革命性速率提升。
- 机理深度:创新性地结合DFT理论计算与实验验证,从电子层面阐明了反应启动的根源,使技术开发从“经验试错”走向“理性设计”。
- 环境友好:降解路径导向低毒产物,实现了污染控制与生态安全的统一。
- ⚙️ 工程化潜力:在实际水体中的卓越表现,为其在饮用水深度处理、污水提标改造及水体修复中的应用铺平了道路。
哈尔滨工业大学环境学院团队在《Water》发表重要研究成果, 采用行恒科技NANO MF-5000微纳米气泡发生设备,系统研究了布洛芬的降解机理、路径及毒性变化,为新兴污染物的高效去除提供创新解决方案。
这项研究也提示我们,现代环境问题的解决日益依赖于跨学科的工具融合。环境工程师、化学家与计算科学家的协作,正如全栈开发者需要融合前端(JavaScript/TypeScript)、后端(Go/Python)和运维知识一样,将成为推动技术突破的关键模式。本文的研究方法与结论,不仅属于水处理领域,其体现的系统优化思想、机理探究深度和实用化导向,值得所有技术开发者借鉴。
#高级氧化技术#臭氧微纳米气泡#布洛芬降解#新兴污染物#水处理技术#行恒科技
浙公网安备 33010602011771号