2021改正反电势波形为正弦,并且观测霍尔信号
首先明白的是 : 方波控制的电机 反电势比较容易求得,通过端电压可以近似的求解出来, 但是如果是反电势是正弦的BLDC 因为不是两相通电的方式,办成了矢量控制, 所以我想可能只能用虚拟N点的方式间接的获得 反电势的电压了。
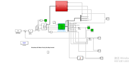
还好 我发现相电流与霍尔信号存在着关系, 我在下面的模型中,反电势是正弦波 。


上图显示 A相电流过零点的时候恰好就是 A相霍尔信号变为1的时刻, 由知道
A相霍尔变为1 的时刻,就是A相反电势最大的时刻 如下图:

反正 大致的思路:就是 根据相电流的过零点我大致可以估计出A相反电势最大的时刻,进而得到0度的位置,然后进行空间矢量 的调制。
0位置的实际找取方法需要根据实际测试得到。
此模型是我在matlab 自带的模型中改进的,我只是把电机的反电势参数改成了正弦


下图第一个 是 相位


浙公网安备 33010602011771号