日常记录(98)记录
APB总线的版本
根据APB VIP的功能,APB3 Slave支持了PREADY、PSLERR信号。而APB2文档里未提及。
APB4又支持PPORT信号,PSTRB信号。
寄存器测试步骤
- 复位值检查是否符合要求;
- 全部写入ff值;
- 全部写入aa值;
- 全部写入55值;
- 所有寄存器随机写入检查。
地址黏连的问题检查:写入某位置后,后检查周边寄存器值是否被改变。
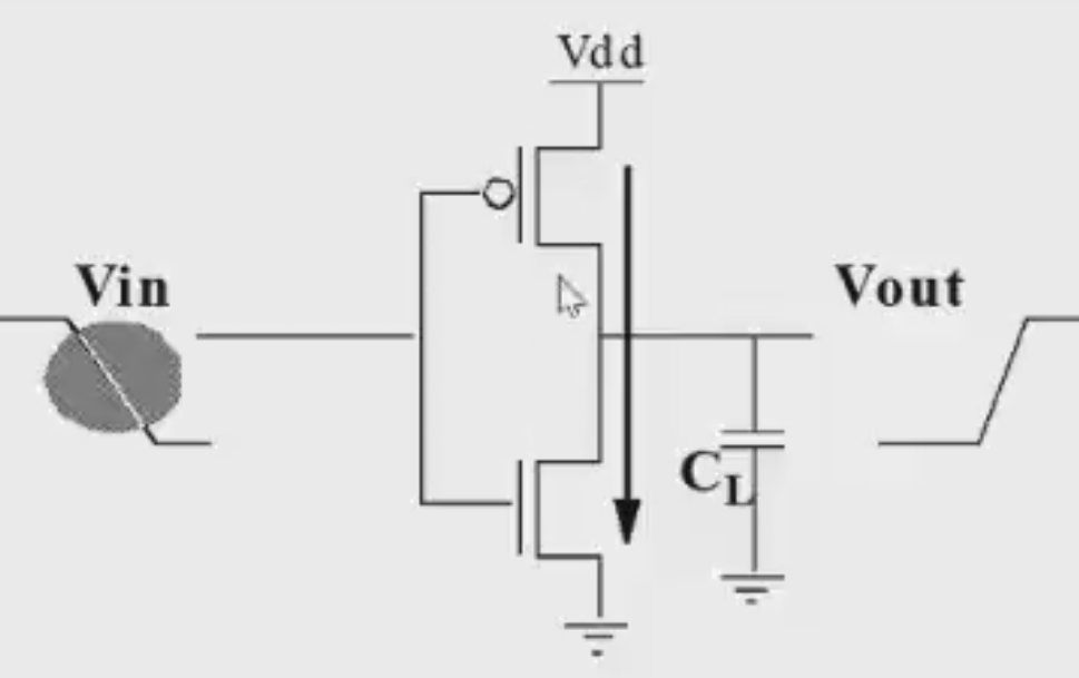
CMOS电路
- 反相器电路。输入1,输出0,输入0,输出1.
- 上面为PMOS管,下面为NMOS管。PMOS以正电荷传递电信号,需要电源负极激活。NMOS需要电源正极激活,以电子传递电信号。
- 电子传递信号的速度比正电荷快,在工艺上,需要加宽PMOS的沟道(2倍),提高PMOS的电信号传递使得和NMOS基本相同。
- 上下两端为源级s(source),中间两端为漏极d(drain)。中间为栅极g(gate)
- 0-1电平的开关变化对应于电子或者空穴的

某传输门的电路的版图

噪声容限
指在MOS管的栅极,栅极电压的范围。

CMOS的功耗
电荷的流动形成了功耗,是根本原因。
- 动态功耗:充电和放电
- 短路功耗:在噪声容限范围外,开关导通瞬间,PMOS和NMOS可能出现都为1,则电路短路的功耗。或者即使在噪声容限范围内,但是CMOS并非完全的通断(取决于工艺)。

- 漏电功耗:二极管和晶体管漏电。
降低功耗的方式
- 降低电压,这样电路开关变化时候电荷流动少。但是目前3.3v降低,降到0.8v的标准电压,是低功耗了,但是噪声容限降低了,对工艺和抗干扰是挑战。
- 降低翻转频率:优化RTL代码。
- 降低PMOS、NMOS的沟道,本质是会降低电荷流动量。
- 降低沟道长度,输入到输出的位置变短了,电荷移动路程短了。
NAMD电路设计
- 根据真值表,有0则为1,全1则为0,则上面是并联,下面是串联。上面是VDD,下面是GND。
- 逻辑上,出现短路的现象会很弱。

NOR电路设计
- 同理的,全0则为1,有1则为0,则下面并联,上面串联。
- PMOS做下拉会有阈值损失,同样NMOS做上拉也会。因此一般是PMOS做上拉部分,NMOS做下拉部分。

锁存器和触发器
锁存器是电平敏感,触发器边沿敏感。
当CLK为低电平信号才有效时候,导致Q发生变化,波形看是锁存器。
第二个为D触发器。

建立保持时间的满足
https://www.zhihu.com/question/278533038/answer/2151182025
Tcq: 寄存器 clock 端到 Q 端的延迟
Tcomb: data path 中的组合逻辑延迟;
Tsu: 建立时间;
Thd:保持时间;
Tclk: 时钟周期;
Tskew: 时钟偏移。
- 建立时间需要满足
Tcq + Tcomb + Tsu <= Tclk + Tskew
Tsu <= Tclk + Tskew - Tcq - Tcomb - 保持时间需要满足
Tcq + Tcomb >= Thd + Tskew
Thd <= Tcq + Tcomb - Tskew
- 降低时钟频率可以提高建立时间的裕量
- 增高时钟偏移也可以提高建立时间的裕量,但是保持时间裕量会受到影响,保持时间相比于建立时间更容易满足。
乘法器
本质上是全加器和半加器的M*N组合

Le vent se lève! . . . il faut tenter de vivre!
Le vent se lève! . . . il faut tenter de vivre!

浙公网安备 33010602011771号