BT134-ASEMI万能开关器专用可控硅BT134
编辑:ll
BT134-ASEMI万能开关器专用可控硅BT134
型号:BT134
品牌:ASEMI
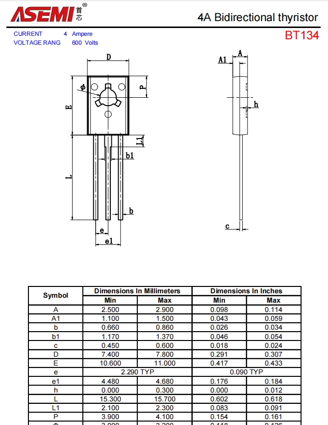
封装:TO-126
正向电流:4A
反向电压:600V
引脚数量:3
芯片个数:1
芯片尺寸:
漏电流:>10ua
恢复时间:
包装方式:管装
封装尺寸:如图
特性:双向可控硅
工作结温:-40℃~125℃
BT134的电性参数:正向电流4A;反向电压600V
BT134双向可控硅应用领域:
各种万能开关器
小型马达控制器
彩灯控制器
漏电保护器
灯具继电器激动器
逻辑集成电路驱动
大功率可控硅门极驱动
摩托车点火器等线路功率控制。



 
                    
                     
                    
                 
                    
                
 
                
            
         
         浙公网安备 33010602011771号
浙公网安备 33010602011771号