D92-02-ASEMI快恢复二极管20A 200V
编辑:ll
D92-02-ASEMI快恢复二极管20A 200V
型号:D92-02
品牌:ASEMI
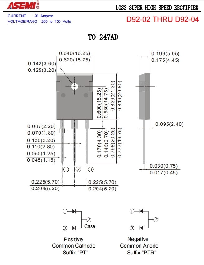
封装:TO-247
特性:插件、快恢复二极管
最大平均正向电流:20A
最大重复峰值反向电压:200V
恢复时间:35ns
引脚数量:3
芯片个数:2
最大正向压降:0.85V
芯片尺寸:120MIL
浪涌电流:200A
漏电流:10ua
工作温度:-55℃~150℃
包装方式:100/盘;1800/箱
备受欢迎的D92-02-ASEMI快恢复二极管
ASEMI品牌D92-02是采用工艺芯片,该芯片具有良好的稳定性及抗冲击能力,能够持续保证了D92-02的漏源电流20A,漏源击穿电压2000V.
•细节体现差距
D92-02具体参数为:正向电流:20A,反向耐压:200V,反向恢复时间:35ns,封装:TO-247




浙公网安备 33010602011771号