MBR60100PT-ASEMI肖特基二极管MBR60100PT参数
编辑:ll
MBR60100PT-ASEMI肖特基二极管MBR60100PT参数
型号:MBR60100PT
品牌:ASEMI
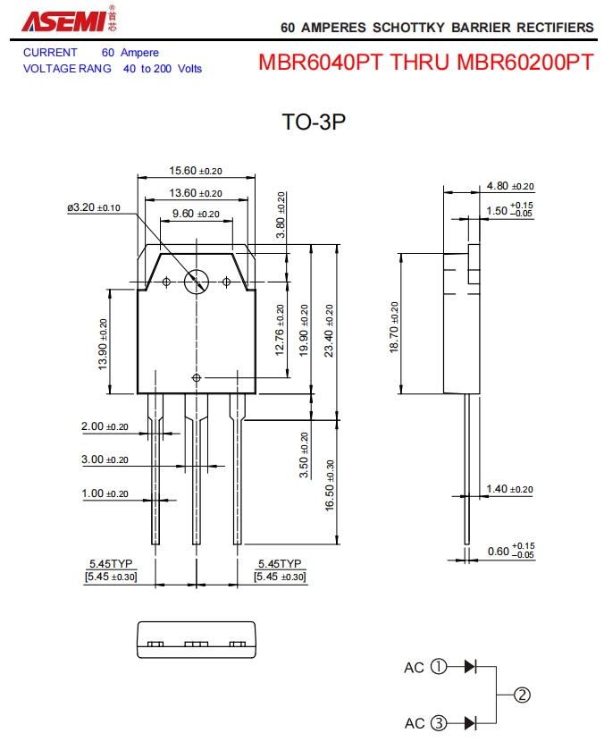
封装:TO-247
恢复时间:>50ns
正向电流:60A
反向耐压:100V
芯片个数:2
引脚数量:3
类型:肖特基、插件肖特基二极管
特性:低耐压、高效率
浪涌电流:400A
正向压降:0.80V
封装尺寸:如图
工作温度:-65°C~175°C
MBR60100PT应用:
开关电源
变频器
驱动器等电路
作高频、低压、大电流整流二极管
续流二极管、保护二极管使用,
微波通信等电路中作整流二极管
小信号检波二极管使用




浙公网安备 33010602011771号