MDQ60-16-ASEMI工业电机模块MDQ60-16
编辑:ll
MDQ60-16-ASEMI工业电机模块MDQ60-16
型号:MDQ60-16
品牌:ASEMI
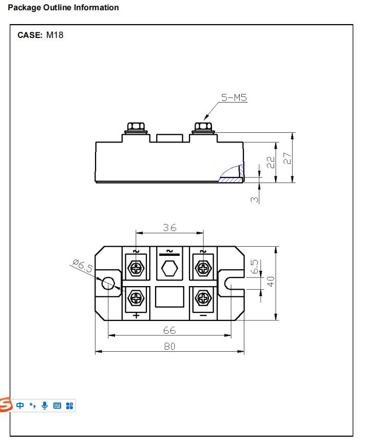
封装:MDQ
特性:整流模块
正向电流:60A
反向耐压:1600V
恢复时间:>500ns
引脚数量:4
芯片个数:4
芯片尺寸:MIL
浪涌电流:1200A
漏电流:<8mA
工作温度:-55℃~150℃
包装方式:10/盒;100/箱
备受欢迎的MDQ60-16整流模块
ASEMI品牌MDQ60-16整流模块是采用工艺芯片,该芯片具有良好的稳定性及抗冲击能力,能够持续保证了MDQ60-16整流模块的最大漏源电流60A,漏源击穿电压1600V.
•细节体现差距
MDQ60-16整流模块,ASEMI品牌,工艺芯片,工艺制造,该产品稳定性高,抗冲击能力强。
MDQ60-16整流模块具体参数为:正向电流:60A,反向耐压:1600V,反向恢复时间:>500ns,封装:MDQ



浙公网安备 33010602011771号