MBR40200PT-ASEMI大功率肖特基二极管MBR40200PT
编辑:ll
MBR40200PT-ASEMI大功率肖特基二极管MBR40200PT
型号:MBR40200PT
品牌:ASEMI
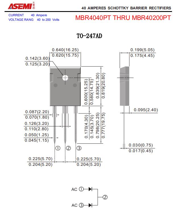
封装:TO-247
正向电流:40A
反向电压:200V
引线数量:3
芯片个数:2
芯片尺寸:130MIL
漏电流:10ua
恢复时间:5ns
浪涌电流:400A
芯片材质:
正向电压:0.54V~0.92V
封装尺寸:如图
特性:肖特基二极管
工作结温:-40℃~170℃
包装方式:800/管;1800/箱
MBR40200PT的电性参数:正向电流40A;反向电压200V
MBR40200PT肖特基二极管被广泛适用于:电源、充电器、适配器、LED灯饰、大小家电、民用及工业设备等产品中使用。




浙公网安备 33010602011771号