MBR30300CT-ASEMI二极管、30A肖特基二极管
编辑:ll
MBR30300CT-ASEMI二极管、30A肖特基二极管
型号:MBR20300CT
品牌:ASEMI
封装:TO-220AB
正向电流:30A
反向耐压:300V
浪涌电流:200A
引脚数量:3
芯片个数:2
芯片尺寸:122MIL
漏电流:5uA
恢复时间:5ns
芯片材质:
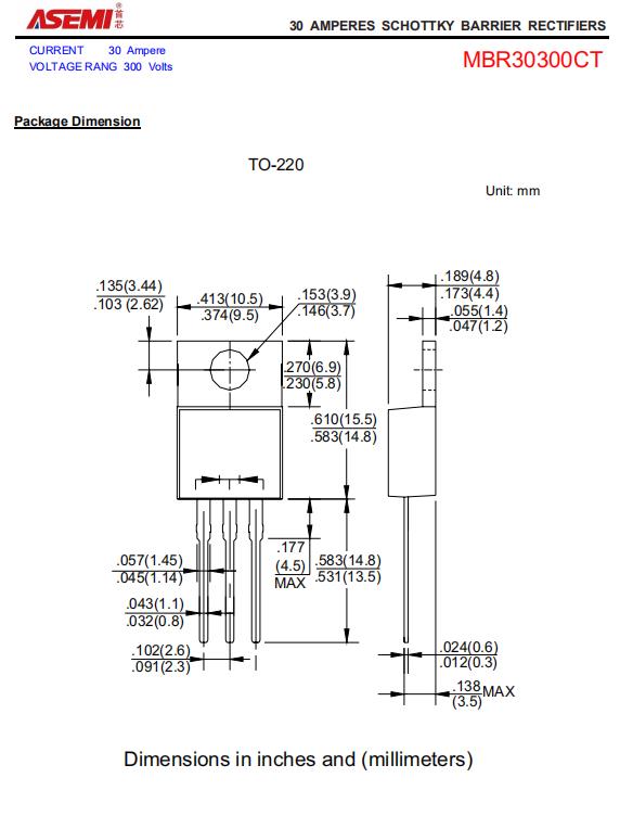
封装尺寸:如图
特性:肖特基二极管、大功率二极管
工作温度:-40℃~170℃
MBR30300CT肖特基二极管
MBR30300CT的电性参数:正向平均电流30A;反向峰值电压300V
MBR30300CT的包装方式:50/管,1K/盒,5K/箱
MBR30300CT二极管被广泛适用于:电源、充电器、适配器、LED灯饰、大小家电、民用及工业设备等产品中使用




浙公网安备 33010602011771号