D92-03-ASEMI快恢复二极管20A 300V
编辑:LL
D92-03-ASEMI快恢复二极管20A 300V
型号:D92-03
品牌:ASEMI
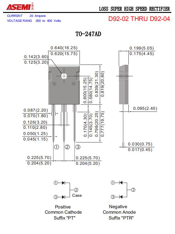
封装:TO-247
正向电流:20A
反向电压:300V
正向电压:0.94V~1.30V
恢复时间:35ns
引脚数量:3
芯片个数:2
芯片尺寸:120MIL
漏电流:20uA
特性:快恢复二极管
工作温度:-40~+170℃
D92-03整流模块:
D92-03的电性参数:最大正向平均电流20A;最大反向峰值电压300V
D92-03的包装方式:1000/盒,3K/箱
D92-03快恢复二极管被广泛适用于:电源、充电器、适配器、LED灯饰、大小家电、民用及工业设备等产品中使用




浙公网安备 33010602011771号