MUR6060PT-ASEMI高耐压大电流二极管
编辑:ll
MUR6060PT-ASEMI高耐压大电流二极管
型号:MUR6060PT
品牌:ASEMI
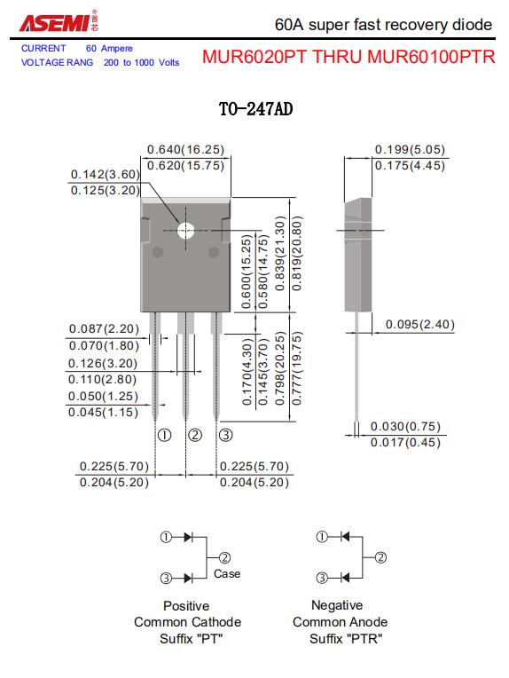
封装:TO-247
正向电流:60A
反向耐压:600V
浪涌电流:500A
引脚数量:3
芯片个数:2
芯片尺寸:140MIL
漏电流:10uA
芯片材质:
封装尺寸:如图
特性:快恢复二极管
工作温度:-40℃~+170℃
快恢复二极管概念
超快恢复二极管(简称fred)是一种具有开关特性好、反向恢复时间超短的半导体二极管,常用来给高频逆变装置的开关器件作续流、吸收、箝位、隔离、输出和输入整流器,使开关器件的功能得到充分发挥。超快恢复二极管是用电设备高频化(20khz以上)和高频设备固态化发展不可或缺的重要器件。



ASEMI全系列封装图

ASEMI半导体厂家-强元芯电子专业经营分离式元器件,主要生产销售整流桥系列封装(DB、WOB、BR、KBPC、KBP、KBPM、GBU、GBL、KBL、KBJ、KBU);整流模块(MDS、MTC、MDQ、QLF、SQLF);汽车整流子(25A~50A STD&TVS Button、Cell、MUR);肖特基二极管TO-220(MBR10100、10150、20100、20150、20200、30100、30200全塑封半塑封);肖特基TO-3P/247,整流二极管(STD、FR、HER、SF、SR、TVS、开关管、稳压管);玻璃钝化(GPP)六英寸晶圆等,各种封装参数在ASEMI官网都有详细介绍。

浙公网安备 33010602011771号